电脑桌面
添加小米粒文库到电脑桌面
安装后可以在桌面快捷访问

土石方工程说明VIP免费

土石方工程说明_第1页
1/26
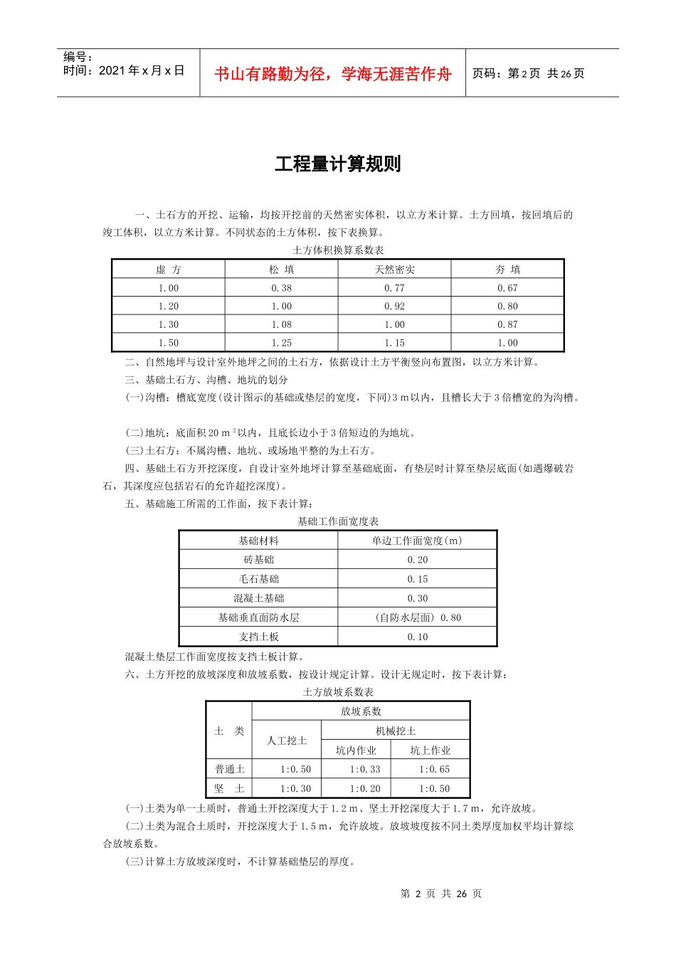
土石方工程说明_第2页
2/26
土石方工程说明_第3页
3/26
第1页共26页编号:时间:2021年x月x日书山有路勤为径,学海无涯苦作舟页码:第1页共26页第一章土石方工程说明一、本章包括单独土石方、人工土石方、机械土石方、平整、清理及回填等内容。二、单独土石方定额项目,适用于自然地坪与设计室外地坪之间,且挖方或填方工程量大于5000m3的土石方工程。本章其他定额项目,适用于设计室外地坪以下的土石方(基础土石方)工程,以及自然地坪与设计室外地坪之间小于5000m3的土石方工程。单独土石方定额项目不能满足需要时,可以借用其他土石方定额项目,但应乘以系数0.9。三、本章土壤及岩石按普通土、坚土、松石、坚石分类,其具体分类见《土壤及岩石(普氏)分类表》。四、人工土方定额是按干土(天然含水率)编制的。干湿土的划分,以地质勘测资料的地下常水位为界,以上为干土,以下为湿土。采取降水措施后,地下常水位以下的挖土,套用挖干土相应定额,人工乘以系数1.10。五、挡土板下挖槽坑土时,相应定额人工乘以系数1.43。六、桩间挖土,系指桩顶设计标高以下的挖土及设计标高以上0.5m范围内的挖土。挖土时不扣除桩体体积,相应定额项目人工、机械乘以系数1.3。七、人工修整基底与边坡,系指岩石爆破后人工对底面和边坡(厚度在0.30m以内)的清检和修整。人工凿石开挖石方,不适用本项目。八、机械土方定额项目是按土壤天然含水率编制的。开挖地下常水位以下的土方时,定额人工、机械乘以系数1.15(采取降水措施后的挖土不再乘该系数)。九、机械挖土方,应满足设计砌筑基础的要求,其挖土总量的95%,执行机械土方相应定额;其余按人工挖土。人工挖土套用相应定额时乘以系数2。十、人力车、汽车的重车上坡降效因素,已综合在相应的运输定额中,不另行计算。挖掘机在垫板上作业时,相应定额的人工、机械乘以系数1.25。挖掘机下的垫板、汽车运输道路上需要铺设的材料,发生时,其人工和材料均按实另行计算。十一、石方爆破定额项目按下列因素考虑,设计或实际施工与定额不同时,可按下列办法调整:(一)定额按炮眼法松动爆破(不分明炮、闷炮)编制,并已综合了开挖深度、改炮等因素。如设计要求爆破粒径时,其人工、材料、机械按实另行计算。(二)定额按电雷管导电起爆编制。如采用火雷管点火起爆,雷管可以换算,数量不变;换算时扣除定额中的全部胶质导线,增加导火索。导火索的长度按每个雷管2.12m计算。(三)定额按炮孔中无地下渗水编制。如炮孔中出现地下渗水,处理渗水的人工、材料、机械按实另行计算。(四)定额按无覆盖爆破(控制爆破岩石除外)编制。如爆破时需要覆盖炮被、草袋,以及架设安全屏障等,其人工、材料按实另行计算。十二、场地平整,系指建筑物所在现场厚度在0.3m以内的就地挖、填及平整。十三、竣工清理,系指建筑物内、外围四周2m内建筑垃圾的清理、场内运输和指定地点的集中堆放。十四、本章未包括地下常水位以下的施工降水,实际发生时,另按相应章节的规定计算。第2页共26页第1页共26页编号:时间:2021年x月x日书山有路勤为径,学海无涯苦作舟页码:第2页共26页工程量计算规则一、土石方的开挖、运输,均按开挖前的天然密实体积,以立方米计算。土方回填,按回填后的竣工体积,以立方米计算。不同状态的土方体积,按下表换算。土方体积换算系数表虚方松填天然密实夯填1.000.380.770.671.201.000.920.801.301.081.000.871.501.251.151.00二、自然地坪与设计室外地坪之间的土石方,依据设计土方平衡竖向布置图,以立方米计算。三、基础土石方、沟槽、地坑的划分(一)沟槽:槽底宽度(设计图示的基础或垫层的宽度,下同)3m以内,且槽长大于3倍槽宽的为沟槽。(二)地坑:底面积20m2以内,且底长边小于3倍短边的为地坑。(三)土石方:不属沟槽、地坑、或场地平整的为土石方。四、基础土石方开挖深度,自设计室外地坪计算至基础底面,有垫层时计算至垫层底面(如遇爆破岩石,其深度应包括岩石的允许超挖深度)。五、基础施工所需的工作面,按下表计算:基础工作面宽度表基础材料单边工作面宽度(m)砖基础0.20毛石基础0.15混凝土基础0.30基础垂直面防水层(自防水层面)0.80支挡土板0.10混凝土垫层工作面宽度按支挡土板计算。六、...

1、当您付费下载文档后,您只拥有了使用权限,并不意味着购买了版权,文档只能用于自身使用,不得用于其他商业用途(如 [转卖]进行直接盈利或[编辑后售卖]进行间接盈利)。
2、本站所有内容均由合作方或网友上传,本站不对文档的完整性、权威性及其观点立场正确性做任何保证或承诺!文档内容仅供研究参考,付费前请自行鉴别。
3、如文档内容存在违规,或者侵犯商业秘密、侵犯著作权等,请点击“违规举报”。

碎片内容

土石方工程说明

您可能关注的文档

确认删除?
VIP
微信客服
  • 扫码咨询
会员Q群
  • 会员专属群点击这里加入QQ群
客服邮箱
回到顶部