电脑桌面
添加小米粒文库到电脑桌面
安装后可以在桌面快捷访问

煤层气集输工程监理规划VIP免费

煤层气集输工程监理规划_第1页
1/38
煤层气集输工程监理规划_第2页
2/38
煤层气集输工程监理规划_第3页
3/38
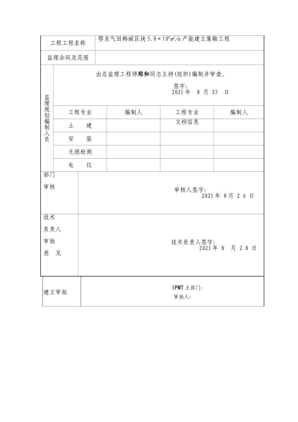
监理规划编:WYCN-CQJL-CX-00182021年8月26日西安长庆工程建立监理韩城煤层气监理部二○一○年四月监理规划编审一览表建立中国石油煤层气韩城分工程工程名称鄂东气田韩城区块5.0×108m3/a产能建立集输工程监理合同及范围监理规划编制人员由总监理工程师郑和同志主持(组织)编制并审查。签字:2021年8月25日工程专业编制人工程专业编制人土建文档信息安装无损检测电仪部门审核审核人签字:2021年8月26日技术负责人审批意见技术负责人签字:2021年8月28日建立审批IPMT主部门:审批人:目录一、工程工程概况………………………………………………………1二、监理工作范围………………………………………………………3三、监理工作内容〔按工程填写〕……………………………………3四、监理工程工程目的〔以监理合同为准〕…………………………4五、监理工作根据………………………………………………………4六、工程监理机构的组织形式…………………………………………7七、工程工程监理机构的人员装备方案………………………………8八、工程工程监理机构的人员岗位职责………………………………10九、监理工作程序………………………………………………………14十、监理工作和措施………………………………………………17十一、HSE理及措施…………………………………………………25十二、监理工作制度……………………………………………………29十三、监理设施…………………………………………………………39鄂东气田韩城区块5亿产能建立集输工程监理规划第一章工程工程概况(一)工程根本情况工程名称:鄂东气田韩城区块5.0×108m3/a产能建立集输工程工程地点:韩城板桥乡、乡工程建立规模:5.0×108m3/a集气站、集输干线及单井线工程建立:中国石油煤层气韩城分设计:中油辽河工程监理:西安长庆工程建立监理施工:中原石油勘探工程建立总、程通煤层气开发〔二〕工程特征5亿产能开发区块位于韩城煤层气勘查区块中北部鄂尔多斯盆地的东南缘渭北隆起东部边缘。南临渭河地东至韩城大断裂。以中国石油自营矿权区面积115k㎡为产能建立区动用探明储量50.7×10m³和根本探明储量90×10m³。开发目的层是二叠系下统山西组的3#煤和太原组的5#、6#煤。(三)工程特点概述将韩-1集气增压站规模由2×10m3/d扩建至30×10m3/d〔韩-1站集气站外系统已投产〕并新建1座集气增压站——韩-2集气增压站〔120×10m3/d〕及其站外系统另外新建一条韩-1站至韩-2站的联络线。配套建立自动控制、供电、给排水、通信、消防、暖通总图、土建、防腐、道路等辅助消费设施。第二章监理工作范围受业主委托西安长庆监理韩城煤层气监理部承当着2021石油煤层气韩城分5.0×108m3/a集气站、集输干线及单井线工程物资验收、道线路工程、场站工程等现场施工准备阶段、工程施工阶段、开工验收阶段、试运投产阶段和保修阶段的质量、进度、造价及HSE工作进展全面的理与控制以到达工程所要求的质量、进度、HSE。协调合同项内工程各方关系。第三章监理工作内容2021石油煤层气韩城分5.0×108m3/a产能建立4个工程即5.0×108m3/a集气站工程、韩二站至韩一站输气线、韩二站集气干线工程及单井线工程。表3-1韩城煤层气5.0×108m3/a产能建立工程监理工程情况表序工程工程名称实物工作量工程备注1韩二集气站薛峰乡2韩二站区域采气干线网工程及站间联络线工程De75×6.8:1.44kmDe90×8.2:2.33kmDe110×10:7.98kmDe160×14.6:22.58kmDe225×20.5:23.76kmDn273.1×5.2:11.34kmDn323.9×5.6:3.kmDn355.6×5.6:3.kmDn406.4×6.4:3.07kmDn457×6.4:1.42kmDn219×5:3.71kmDn168.3×4:4.90km薛峰乡板桥乡3韩2站区域井场及单井支线网工程薛峰乡板桥乡说明:1、实物工作量填写建筑面积、主要设备数量、线长度等。2、工程填写:跨的填写、、镇;不跨而跨的等填写、镇、村。第四章监理工程工程目的一、质量目的:工程合格率100。二、工目的:严格按照施工合同及监理委托合同进进展控制。三、目的:协助建立将控制在设计概算及补充概算以内。四、HSE目的:1、安康〔H〕目的:无疾病流传无辐射、有有害气体损害人身安康。2、平安〔S〕目的:重大人身伤亡...

1、当您付费下载文档后,您只拥有了使用权限,并不意味着购买了版权,文档只能用于自身使用,不得用于其他商业用途(如 [转卖]进行直接盈利或[编辑后售卖]进行间接盈利)。
2、本站所有内容均由合作方或网友上传,本站不对文档的完整性、权威性及其观点立场正确性做任何保证或承诺!文档内容仅供研究参考,付费前请自行鉴别。
3、如文档内容存在违规,或者侵犯商业秘密、侵犯著作权等,请点击“违规举报”。

碎片内容

煤层气集输工程监理规划

您可能关注的文档

确认删除?
VIP
微信客服
  • 扫码咨询
会员Q群
  • 会员专属群点击这里加入QQ群
客服邮箱
回到顶部