电脑桌面
添加小米粒文库到电脑桌面
安装后可以在桌面快捷访问

外发产品控制流程(doc6)(1)VIP免费

外发产品控制流程(doc6)(1)_第1页
1/6
外发产品控制流程(doc6)(1)_第2页
2/6
外发产品控制流程(doc6)(1)_第3页
3/6
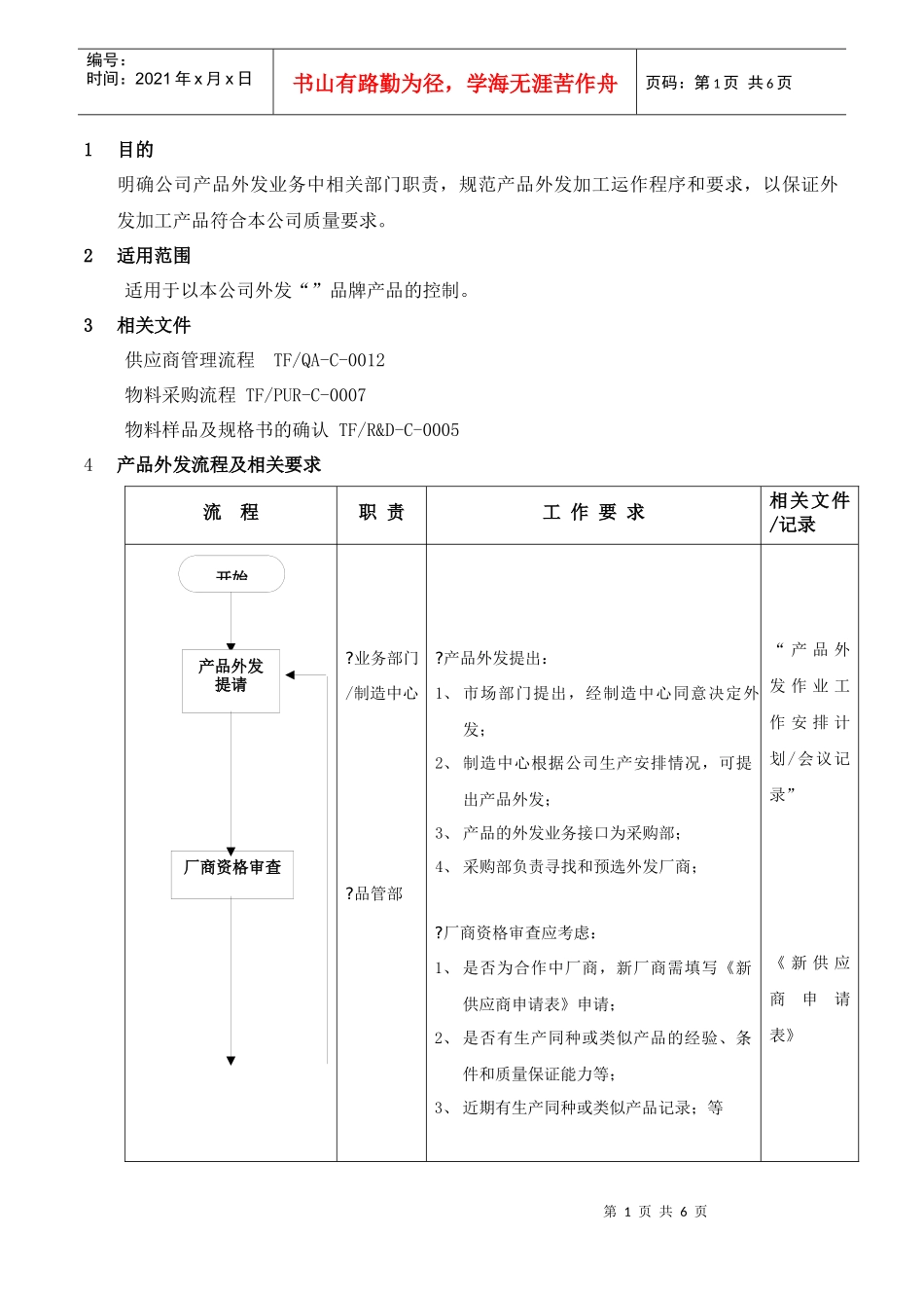
第1页共6页编号:时间:2021年x月x日书山有路勤为径,学海无涯苦作舟页码:第1页共6页1目的明确公司产品外发业务中相关部门职责,规范产品外发加工运作程序和要求,以保证外发加工产品符合本公司质量要求。2适用范围适用于以本公司外发“”品牌产品的控制。3相关文件供应商管理流程TF/QA-C-0012物料采购流程TF/PUR-C-0007物料样品及规格书的确认TF/R&D-C-00054产品外发流程及相关要求流程职责工作要求相关文件/记录?业务部门/制造中心?品管部?产品外发提出:1、市场部门提出,经制造中心同意决定外发;2、制造中心根据公司生产安排情况,可提出产品外发;3、产品的外发业务接口为采购部;4、采购部负责寻找和预选外发厂商;?厂商资格审查应考虑:1、是否为合作中厂商,新厂商需填写《新供应商申请表》申请;2、是否有生产同种或类似产品的经验、条件和质量保证能力等;3、近期有生产同种或类似产品记录;等“产品外发作业工作安排计划/会议记录”《新供应商申请表》开始产品外发提请厂商资格审查第2页共6页第1页共6页编号:时间:2021年x月x日书山有路勤为径,学海无涯苦作舟页码:第2页共6页流程职责工作要求相关文件/记录?采购部/业务部门/品管部?采购部?品管部/采购部/工程/开发中心?样机评审/选型:--样机评审或多机种选型,须附产品说明书;--需重新设计丝印和/或包装方案时,应以书面提出要求。--样机评审时是否作可靠性试验或测试,由品管部决定和安排。?供应商需提交确定产品资料:--产品的技术条件或规格书;--产品的使用说明书;--产品的材料清单;--电路图、元器件位置图;--关键器件及供应商清单;--产品的组装图/爆炸图(必要时)--产品的丝印图和包装(本公司负责时免),等等。?是否需现场评审:--首次外发;或--停止交付超过12个月;--其它。?成立评审小组:--由采购部联络和安排现场评审时间;--组成评审小组,小组成员可包括品管、采购、工程、开发人员;--评审/考察重点为产品开发能力、工艺制造水平和质量管理能力。“产品丝印/包装设计要求”“样机测试报告”相关“设计文件资料”《供应商考察报告》样机评审/选型文件提交现场评审/考察第3页共6页第2页共6页编号:时间:2021年x月x日书山有路勤为径,学海无涯苦作舟页码:第3页共6页--评审小组在考察后须提出《供应商考察报告》并给出明确意见。报告作为供应商资料存入供应商档案中。流程职责工作要求相关文件/记录NOYESNGOK?供应商/采购部?供应商泰丰公司?品管部?品管部/生产副总?仅当供应商的产品还在试产阶段,必须安排试产。?须有公司相关人员参与试产评估;--泰丰公司相关人员包括开发中心、工程部、品管部。--试产评估合格之前,品管部可不在《技术质量协议上》签字。?现场考察合格或试产评估合格(非成熟产品适用),品管部可作厂商认定。--厂商认定后,可签订《技术质量协议》;?《技术质量协议》由品管部提出,分别由厂商代表和公司生产副总签署。《技术质量协议》应包括以下内容:--文件编号;--双方公司名、地址、电话、传真和电子信箱;--外发产品名称及型号;--产品的技术要求;--生产质量控制要求;?《技术质量协议》厂商认试产评估首次试产?技术质量协议第4页共6页第3页共6页编号:时间:2021年x月x日书山有路勤为径,学海无涯苦作舟页码:第4页共6页--制成品的验收方式和抽样检验计划;--质量责任和赔偿;--服务;--有效期及其他相关附加要求。流程职责工作要求相关文件/记录NGOKNO?厂商?OQC?收料组?厂商按泰丰公司要求生产/加工;---生产过程中,产品的任何变更厂商须书面知会品管部,授权允许的项目除外;---技术协议书中明确指定的物料更改和产品技术指标的变更,须经品管部认可,否则OQC有权拒绝验货。?成品的验收--可外派OQC驻厂验收;--外驻OQC的验货标准由QE审核后提供,产品的变更由QE负责指导OQC执行。--产品合格标识用的贴纸或印章由OQC负责管理,防止印章和标贴签的不正常使用。--OQC有权按公司要求对不合格品进行判定和监督处理。?半成品验收--由OQC负责,地点根据具体情况定,外驻时参见成品验收要求。--作来料检验时,在收料组点收后进行。不合格的按《进料检验流程》处理。?...

1、当您付费下载文档后,您只拥有了使用权限,并不意味着购买了版权,文档只能用于自身使用,不得用于其他商业用途(如 [转卖]进行直接盈利或[编辑后售卖]进行间接盈利)。
2、本站所有内容均由合作方或网友上传,本站不对文档的完整性、权威性及其观点立场正确性做任何保证或承诺!文档内容仅供研究参考,付费前请自行鉴别。
3、如文档内容存在违规,或者侵犯商业秘密、侵犯著作权等,请点击“违规举报”。

碎片内容

外发产品控制流程(doc6)(1)

确认删除?
VIP
微信客服
  • 扫码咨询
会员Q群
  • 会员专属群点击这里加入QQ群
客服邮箱
回到顶部