电脑桌面
添加小米粒文库到电脑桌面
安装后可以在桌面快捷访问

工程量现场签证单(60页)VIP免费

工程量现场签证单(60页)_第1页
1/59
工程量现场签证单(60页)_第2页
2/59
工程量现场签证单(60页)_第3页
3/59
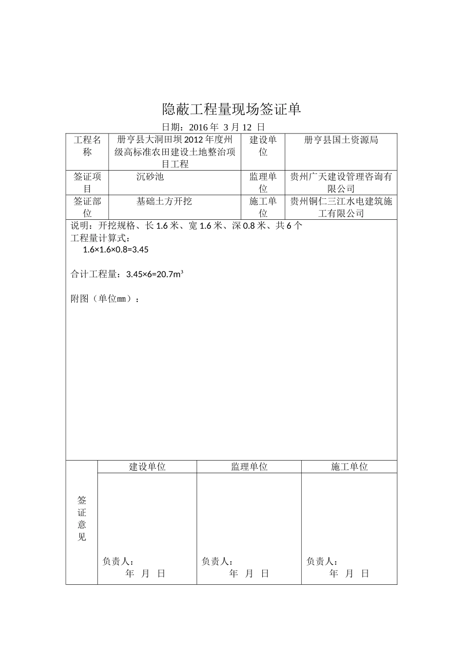
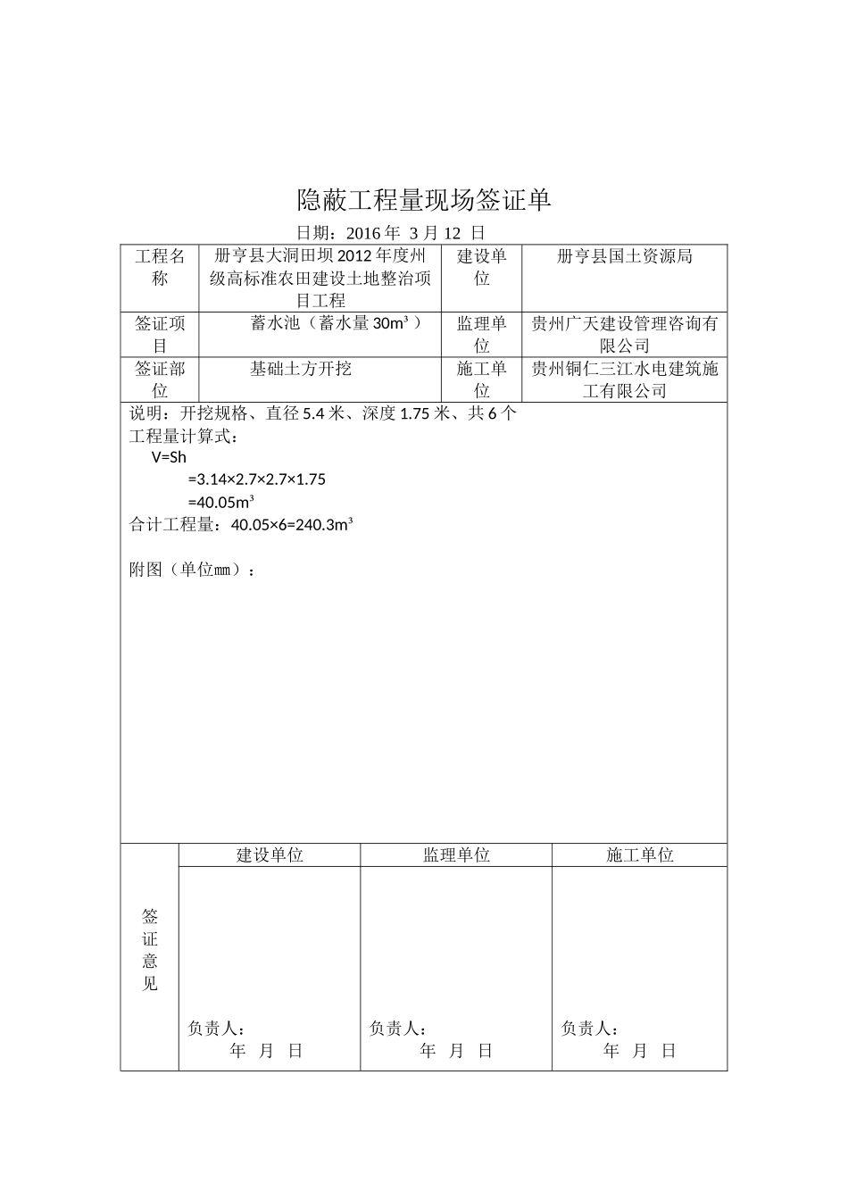
竣工验收目录一、验收资料1、项目验收申请2、项目竣工报告3、耕地质量验收申请4、项目竣工测量技术报告及项目竣工图(含电子档)5、竣工检查(核查)报告6、历次验收成果及结论二、项目立项、设计审批材料项目设计报告和预算(含图册);设计变更资料;项目立项、设计、变更调整批复文件。三、实施管理资料1、项目实施方案2、项目实施各项制度3、会议纪要等资料四、施工管理资料1、项目施工管理工作报告2、施工组织设计3、施工日记、月报4、工程量计量原始记录5、质量事故记录6、单体工程竣工图纸7、单项工程质量检验与评资料五、权属管理资料权属调整工作报告六、监理质料项目监理工作报告工程质量检验与评定资料七、招投标资料招投标文件八、合同资料各类合同文件及相关从业单位资质材料九、财务资料项目工程资金结算报告十、影像资料项目实施前、中、后后期影像资料十一、其他隐蔽工程量现场签证单日期:2016年3月12日工程名称册亨县大洞田坝2012年度州级高标准农田建设土地整治项目工程建设单位册亨县国土资源局签证项目蓄水池(蓄水量30m³)监理单位贵州广天建设管理咨询有限公司签证部位基础土方开挖施工单位贵州铜仁三江水电建筑施工有限公司说明:开挖规格、直径5.4米、深度1.75米、共6个工程量计算式:V=Sh=3.14×2.7×2.7×1.75=40.05m³合计工程量:40.05×6=240.3m³附图(单位㎜):签证意见建设单位监理单位施工单位负责人:年月日负责人:年月日负责人:年月日隐蔽工程量现场签证单日期:2016年3月12日工程名称册亨县大洞田坝2012年度州级高标准农田建设土地整治项目工程建设单位册亨县国土资源局签证项目沉砂池监理单位贵州广天建设管理咨询有限公司签证部位基础土方开挖施工单位贵州铜仁三江水电建筑施工有限公司说明:开挖规格、长1.6米、宽1.6米、深0.8米、共6个工程量计算式:1.6×1.6×0.8=3.45合计工程量:3.45×6=20.7m³附图(单位㎜):签证意见建设单位监理单位施工单位负责人:年月日负责人:年月日负责人:年月日隐蔽工程量现场签证单日期:2016年3月12日工程名称册亨县大洞田坝2012年度州级高标准农田建设土地整治项目工程建设单位册亨县国土资源局签证项目土地整治(坡改梯)监理单位贵州广天建设管理咨询有限公司签证部位基础土方开挖(1.5米高)施工单位贵州铜仁三江水电建筑施工有限公司基础土方开挖:长1382m、宽0.8m、深0.3m工程量计算式:1382×0.8×0.3=331.68m³附图(单位㎜):建设单位监理单位施工单位签证意见负责人:年月日负责人:年月日负责人:年月日隐蔽工程量现场签证单日期:2016年3月12日工程名称册亨县大洞田坝2012年度州级高标准农田建设土地整治项目工程建设单位册亨县国土资源局签证项目土地整治(坡改梯)监理单位贵州广天建设管理咨询有限公司签证部位基础土方开挖(1.8米高)施工单位贵州铜仁三江水电建筑施工有限公司基础土方开挖:长1162.3m、宽0.8m、深0.3m工程量计算式:1162×0.3×0.8=278.88m³附图(单位㎜):签证意见建设单位监理单位施工单位负责人:年月日负责人:年月日负责人:年月日隐蔽工程量现场签证单编号:日期:2016年3月12日工程名称册亨县大洞田坝2012年度州级高标准农田建设土地整治项目工程建设单位册亨县国土资源局签证项目土地整治(坡改梯)监理单位贵州广天建设管理咨询有限公司签证部位石坎基础M7.5浆砌石(1.8米高)施工单位贵州铜仁三江水电建筑施工有限公司石坎基础浆砌:长度1162.3米、深度0.3米、宽度0.8米浆砌石工程量计算式:1162.3×0.3×0.8=278.95m³附图(单位mm):签证意见建设单位监理单位施工单位负责人:年月日负责人:年月日负责人:年月日隐蔽工程量现场签证单编号:日期:2016年3月12日工程名称册亨县大洞田坝2012年度州级高标准农田建设土地整治项目工程建设单位册亨县国土资源局签证项目土地整治(坡改梯)监理单位贵州广天建设管理咨询有限公司签证部位石坎基础M7.5浆砌石(1.5米高)施工单位贵州铜仁三江水电建筑施工有限公司石坎基础浆砌:长1382米、宽0.8米、高0.3米工程量计算式:1382×0.3×0.8=331.68m³附图:(单位mm)签证意见建设单位监理单位施工单位负责人...

1、当您付费下载文档后,您只拥有了使用权限,并不意味着购买了版权,文档只能用于自身使用,不得用于其他商业用途(如 [转卖]进行直接盈利或[编辑后售卖]进行间接盈利)。
2、本站所有内容均由合作方或网友上传,本站不对文档的完整性、权威性及其观点立场正确性做任何保证或承诺!文档内容仅供研究参考,付费前请自行鉴别。
3、如文档内容存在违规,或者侵犯商业秘密、侵犯著作权等,请点击“违规举报”。

碎片内容

工程量现场签证单(60页)

确认删除?
VIP
微信客服
  • 扫码咨询
会员Q群
  • 会员专属群点击这里加入QQ群
客服邮箱
回到顶部