电脑桌面
添加小米粒文库到电脑桌面
安装后可以在桌面快捷访问

质量检验评定表VIP免费

质量检验评定表_第1页
1/17
质量检验评定表_第2页
2/17
质量检验评定表_第3页
3/17
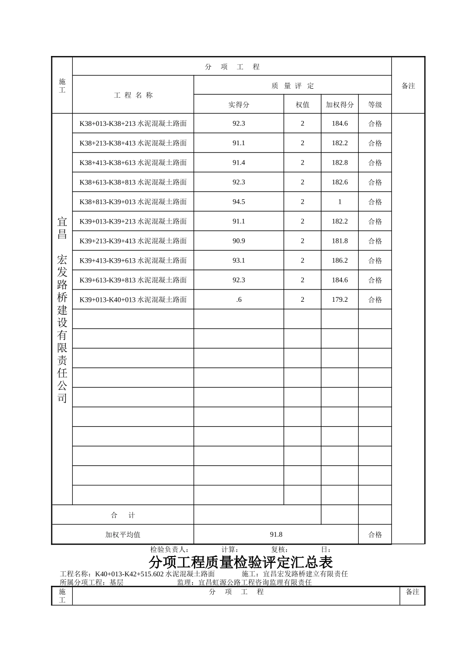
分项工程质量检验评定汇总表工程名称:K36+013-K38+013水泥混凝土路面施工:宜昌宏发路桥建立有限责任所属分项工程:基层监理:宜昌虹源公路工程咨询监理有限责任施工分项工程备注工程名称质量评定实得分权值加权得分等级宜昌宏发路桥建设有限责任公司K36+013-K36+213水泥混凝土路面92.32184.6合格K36+213-K36+413水泥混凝土路面90.92181.8合格K36+413-K36+613水泥混凝土路面88.72177.4合格K36+613-K36+813水泥混凝土路面88.82177.4合格K36+813-K37+013水泥混凝土路面92.32184.6合格K37+013-K37+213水泥混凝土路面92.32184.6合格K37+213-K37+413水泥混凝土路面86.72173.4合格K37+413-K37+613水泥混凝土路面87.62175.2合格K37+613-K37+813水泥混凝土路面88.72177.4合格K37+013-K38+013水泥混凝土路面92.32184.6合格合计加权平均值90.1合格检验负责人:计算:复核:日:分项工程质量检验评定汇总表工程名称:K38+013-K40+013水泥混凝土路面施工:宜昌宏发路桥建立有限责任所属分项工程:基层监理:宜昌虹源公路工程咨询监理有限责任施工分项工程备注工程名称质量评定实得分权值加权得分等级宜昌宏发路桥建设有限责任公司K38+013-K38+213水泥混凝土路面92.32184.6合格K38+213-K38+413水泥混凝土路面91.12182.2合格K38+413-K38+613水泥混凝土路面91.42182.8合格K38+613-K38+813水泥混凝土路面92.32182.6合格K38+813-K39+013水泥混凝土路面94.521合格K39+013-K39+213水泥混凝土路面91.12182.2合格K39+213-K39+413水泥混凝土路面90.92181.8合格K39+413-K39+613水泥混凝土路面93.12186.2合格K39+613-K39+813水泥混凝土路面92.32184.6合格K39+013-K40+013水泥混凝土路面.62179.2合格合计加权平均值91.8合格检验负责人:计算:复核:日:分项工程质量检验评定汇总表工程名称:K40+013-K42+515.602水泥混凝土路面施工:宜昌宏发路桥建立有限责任所属分项工程:基层监理:宜昌虹源公路工程咨询监理有限责任施工分项工程备注质量评定实得分权值加权得分等级K40+013-K40+213水泥混凝土路面.92179.8合格K40+213-K40+413水泥混凝土路面92.12184.2合格K40+413-K40+613水泥混凝土路面922194合格K40+613-K40+813水泥混凝土路面90.12180.2合格K40+813-K41+013水泥混凝土路面93.32186.6合格K41+013-K41+213水泥混凝土路面94.32188.6合格K41+213-K41+413水泥混凝土路面.62179.2合格K41+413-K41+613水泥混凝土路面93.32186.6合格K41+613-K41+813水泥混凝土路面87.42174.8合格K41+013-K42+013水泥混凝土路面94.521合格K42+013-K42+213水泥混凝土路面86.32172.6合格K42+213-K42+413水泥混凝土路面.62179.2合格K42+413-K42+515.605水泥混凝土路面91.92183.6合格合计加权平均值91.1合格检验负责人:计算:复核:日:分项工程质量检验评定汇总表工程名称:K36+013-K38+013沥青混凝土路面施工:宜昌宏发路桥建立有限责任所属分项工程:面层〔AK-13A〕监理:宜昌虹源公路工程咨询监理有限责任施工分项工程备注工程名称质量评定实得分权值加权得分等级宜昌宏发路桥建设有限责任公司K36+013-K36+21394.621.2合格K36+213-K36+413932186合格K36+413-K36+613932186合格K36+613-K36+813932186合格K36+813-K37+013932186合格K37+013-K37+213942188合格K37+213-K37+413952190合格K37+413-K37+613932186合格K37+613-K37+81394.621.2合格K37+813-K38+01394.621.2合格合计加权平均值93.78合格检验负责人:计算:复核:日:分项工程质量检验评定汇总表工程名称:K38+013-K40+013沥青混凝土路面施工:宜昌宏发路桥建立有限责任所属分项工程:面层〔AK-13A〕于监理:宜昌虹源公路工程咨询监理有限责任施工分项工程备注工程名称质量评定实得分权值加权得分等级宜昌宏发路桥建设有限责任公司K38+013-K38+213932186合格K38+213-K38+413932186合格K38+413-K38+613932186合格K38+613-K38+813932186合格K38+813-K39+01394.621.2合格K39+013-K39+21393.62187.2合格K39+213-K39+41394.621.2合格K39+413-K39+61394.621.2合格K39+613-K39+81394.621.2合格K39+813-K40+013932186合格合计加权平均值93.7合格检验负责人:计算:复核:日:分...

1、当您付费下载文档后,您只拥有了使用权限,并不意味着购买了版权,文档只能用于自身使用,不得用于其他商业用途(如 [转卖]进行直接盈利或[编辑后售卖]进行间接盈利)。
2、本站所有内容均由合作方或网友上传,本站不对文档的完整性、权威性及其观点立场正确性做任何保证或承诺!文档内容仅供研究参考,付费前请自行鉴别。
3、如文档内容存在违规,或者侵犯商业秘密、侵犯著作权等,请点击“违规举报”。

碎片内容

质量检验评定表

您可能关注的文档

确认删除?
VIP
微信客服
  • 扫码咨询
会员Q群
  • 会员专属群点击这里加入QQ群
客服邮箱
回到顶部