电脑桌面
添加小米粒文库到电脑桌面
安装后可以在桌面快捷访问

竣工监理报告2_地块商业办公楼地下室部分VIP免费

竣工监理报告2_地块商业办公楼地下室部分_第1页
1/8
竣工监理报告2_地块商业办公楼地下室部分_第2页
2/8
竣工监理报告2_地块商业办公楼地下室部分_第3页
3/8
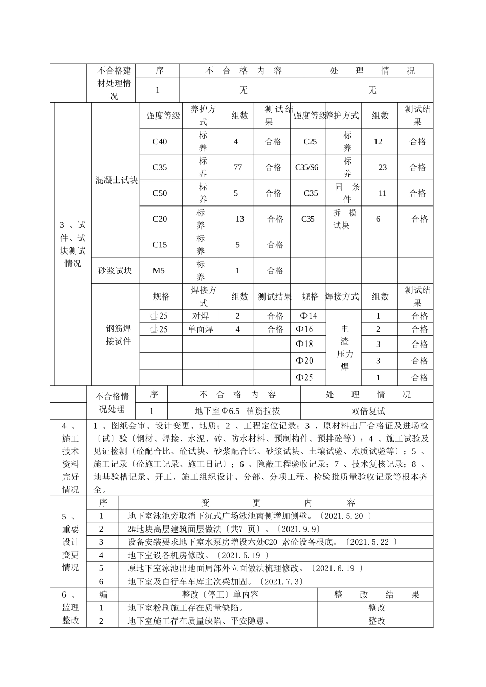
山水人家·2#地块商务办公楼工程〔大滩壹〕地下室开工验收监理报告监理:绍兴城建监理〔盖章〕总监:〔签字〕监理工程师:〔签字〕二00九年十月十一、工程概况工程名称山水人家·2#地块商务办公楼〔大滩壹〕建立地点镜湖新区·大滩2#地块建立坤和建立(绍兴)工程类一类高层建筑〔民用〕型监理绍兴城建监理建筑面积地下室面积7207.㎡设计中建国际〔深圳〕设计参谋建筑层次地下框剪一层﹑地上框剪十八层施工浙江天工建立集团构造类型框架剪力墙构造勘察浙江有色建立工程根底类型桩基筏形根底分包浙江华伟岩土工程〔桩基〕南昌长江建筑装饰工程〔幕墙〕开工时间2007年4月20日质监绍兴建筑工程质量监视总站镜湖分站开工时间------工程经理土建孙子坚安装赵少华质量目的合格二、监理组织和施行概况监理组织机构体系:结合工程特点、规模、难易程度等采用直线制监理形式总监茹莲娟土建监理工程师俞春法土建监理员裘冬升等;安装监理工程师鲁志刚。施行概况:实际监理过程中按照监理规划、细那么等的内容和要求对工程质量、进度和造价施行跟踪的动态控制分清主次抓住重点严格按监理委托合同的要求完成约定的监理工作。三、施工过程质量控制情况1、施工现场质量理情况项目内容检查结果项目内容检查结果工程经理到位情况到位较好施工图审查已审查施工现场理制度符合要求,落实到位施工组织设计、施工方案及审查符合要求主要专业工种操作上岗证符合要求技术人员符合要求施工机械合格证书根本完好现场材料、设备存放与理符合要求质量责任制符合要求,落实到位工程质量检验制度符合要求2、施工建材质量控制建筑材料合格证、质保单是否齐全工程中使用的主要原材料:水泥、钢材、砖、砂、商品砼、防水材料、构配件及水电安装等材料质保资料齐全。其中:钢筋应用登记证8份质保单23份复试单29份;水泥应用登记证2份质保单2份复试单2份;砼多孔砖应用登记证1份合格证1份复试单6份;防水材料应用登记证1份质保单1份复试单1份;安装材料应用登记证8份质保单28份复试单10份;商品砼应用登记证1份、级配单、水泥质保单及复试、砂石料、外加剂、合格证、试块强度等质保资料齐全。监理登记与见证取样情况监理对进场的原材料、构配件及试件能按规定进展见证取样并做好材料、试件等的跟踪登记工作待复试合格前方才用于工程。满足设计和施工合同的约定要求。不合格建材处理情况序不合格内容处理情况1无无3、试件、试块测试情况混凝土试块强度等级养护方式组数测试结果强度等级养护方式组数测试结果C40标养4合格C25标养12合格C35标养77合格C35/S6标养23合格C50标养5合格C35同条件11合格C20标养13合格C35拆模试块6合格C15标养5合格砂浆试块M5标养1合格钢筋焊接试件规格焊接方式组数测试结果规格焊接方式组数测试结果25对焊2合格Ф14电渣压力焊1合格25单面焊4合格Ф162合格Ф183合格Ф203合格Ф251合格不合格情况处理序不合格内容处理情况1地下室Φ6.5植筋拉拔双倍复试4、施工技术资料完好情况1、图纸会审、设计变更、地质;2、工程定位记录;3、原材料出厂合格证及进场检〔试〕验〔钢材、焊接、水泥、砖、防水材料、预制构件、预拌砼等〕;4、施工试验及见证检测〔砼配合比、砼试块、砂浆配合比、砂浆试块、土壤试验、水质试验等〕;5、施工记录〔砼施工记录、施工日记〕;6、隐蔽工程验收记录;7、技术复核记录;8、地基验槽记录、开工、施工组织设计、分部、分项工程、检验批质量验收记录等根本齐全。5、重要设计变更情况序变更内容1地下室泳池旁取消下沉式广场泳池南侧增加侧壁。〔2021.5.20〕22#地块高层建筑面层做法〔共7页〕。〔2021.9.9〕3设备安装要求地下室水泵房增设六处C20素砼设备根底。〔2021.5.22〕4地下室设备机房修改。〔2021.5.19〕5原地下室泳池出地面局部外立面做法梳理修改。〔2021.6.19〕6地下室及自行车车库主次梁加固。〔2021.7.3〕6、监理整改编整改〔停工〕单内容整改结果1地下室粉刷施工存在质量缺陷。整改2地下室施工存在质量缺陷、平安隐患。整改〔停工〕单情3地下室顶板刚性层砼开裂渗漏严重存在质量缺陷。整改4地下室粉刷施工存在平安隐患。整改5地下室施工存在质量缺陷、平安隐患。...

1、当您付费下载文档后,您只拥有了使用权限,并不意味着购买了版权,文档只能用于自身使用,不得用于其他商业用途(如 [转卖]进行直接盈利或[编辑后售卖]进行间接盈利)。
2、本站所有内容均由合作方或网友上传,本站不对文档的完整性、权威性及其观点立场正确性做任何保证或承诺!文档内容仅供研究参考,付费前请自行鉴别。
3、如文档内容存在违规,或者侵犯商业秘密、侵犯著作权等,请点击“违规举报”。

碎片内容

竣工监理报告2_地块商业办公楼地下室部分

海纳百川+ 关注
实名认证
内容提供者

热爱教学事业,对互联网知识分享很感兴趣

确认删除?
VIP
微信客服
  • 扫码咨询
会员Q群
  • 会员专属群点击这里加入QQ群
客服邮箱
回到顶部