电脑桌面
添加小米粒文库到电脑桌面
安装后可以在桌面快捷访问

宁波项目部车站工程概况及工程重点难点VIP免费

宁波项目部车站工程概况及工程重点难点_第1页
1/8
宁波项目部车站工程概况及工程重点难点_第2页
2/8
宁波项目部车站工程概况及工程重点难点_第3页
3/8
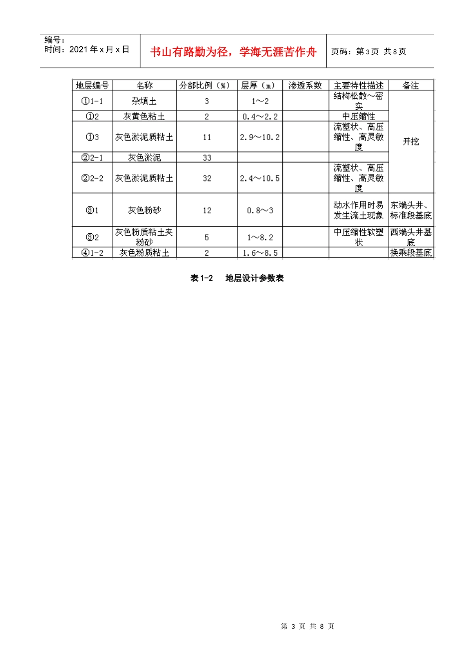
第1页共8页编号:时间:2021年x月x日书山有路勤为径,学海无涯苦作舟页码:第1页共8页1.1工程概况宁波市轨道交通1号线一期工程TJ-Ⅶ标包括世纪大道站~海晏北路站(世~海区间)、海晏北路站、海晏北路站~福庆路站(海~福区间)一站两区间。其中海晏北路站为1号线中间站,车站位于东部新城规划宁穿路下,沿宁穿路布置,呈东西走向。车站与规划远期5号线车站呈"T"型岛-岛换乘。拟建场地周边无重点保护的文物等古建筑物,现规划为东部新城,大部分原有厂房己拆除,场地开阔,施工条件较好。1.2工程设计概况海晏北路站为地下二层岛式站台车站,车站范围为单柱双跨或双柱三跨矩形框架结构。车站基坑长267.250m,标准段基坑宽20.70m。车站范围共设5个出入口、2个风道;车站主体及附属均采用明挖法施工,车站两端均为盾构法区间隧道,两端盾构井为始发接收井。5号线海晏北路站为地下三层岛式站台车站,车站范围为双柱三跨矩形框架结构,本次只施作与1号线相交节点和两侧约1/3跨长段。车站主体及附属结构均采用全包防水。1.2.1围护结构设计概况(1)连续墙车站主体围护结构采用地下连续墙加内支撑体系。基坑标准段深度15.81~16.31m,墙长34m;西端头井基坑深度17.97m,墙长39m;东端头井基坑深度17.51m,墙长37m;换乘节点基坑深度23.21m,墙长50m。换乘节点采用1000mm厚地下连续墙+混凝土(第一道支撑)和钢管内支撑体系,其他部位采用800mm厚地下连续墙+混凝土(第一道支撑)和钢管内支撑体系。在连续墙墙缝处③1和③2地层上下各两米范围内采用双重管旋喷止水处理。1)本工程地下连续墙总计114幅,平面形状有"一"字形、"L"形、"Z"形、"T"形。接头形式为锁口管;2)施工标准:地下连续墙墙面垂直度应控制在1/300以内,墙面局部突出不宜大于100mm。(2)内支撑第一道支撑采用700mm×800mm混凝土支撑,第二、三、四、五道采用钢支撑,钢支撑及倒撑采用Φ609mm,t=16mm钢管。标准段第四道支撑换撑,端头井第五道支撑换撑。换乘段共7道支撑,第一、第五道为混凝土支撑,其余为钢支撑,钢支撑及倒撑采用Φ609mm,t=16mm钢管,第六道支撑为双拼支撑,第七道支撑换撑。车站基坑能设置47根立柱桩,格构柱采用角钢和钢板焊接组成,立柱桩基础采用Φ800的钻孔桩。在端头井和换乘段共设计46根Φ1000的钻孔桩作为第2页共8页第1页共8页编号:时间:2021年x月x日书山有路勤为径,学海无涯苦作舟页码:第2页共8页抗拔桩。1.2.2基坑降水设计初勘及祥勘地质资料的说明显示海晏北路站场地的承压水水头不会造成基坑底板突涌,但根据降水试验结果分析可知本车站仍需设置18口降压井和轻型井点6套才可满足施工降水需要。主体结构基坑面积约为5890m2,根据水文地质资料,暂按照每200m2布设一口疏干井方法,拟布置33口疏干井,井深分为21.00m、23.00m和28.00m。1.2.3地基加固本车站基底采用三轴深层搅拌抽条加固,加固范围为基底以下3m,水泥搅拌桩桩径850mm,密排桩。1.3.1工程地质拟建场地处于宁波平原中东部,地貌类型位属海相沉积平原。地势平坦,现状标高为+2.3~+2.5m。拟建场地地层均为第四纪沉积地层,成因类型以海相沉积为主,整套地层主要为粘土、淤泥质土、粉性土、深层的砂土组成,地层分布规律较复杂。海晏北路站主要地层如表2-1所示,地层设计参数如表2-2所示:本车站周边环境条件较好,标准段基底主要位于③1层灰色粉砂层中,西端头基底也位于③1灰色粉砂层和③2粉质粘土夹粉砂层中,换乘站基底位于④1-2灰色粉质粘土层,东端头基底位于③1灰色粉砂层和③2粉质粘土夹粉砂层中。端头井、标准段及换乘点各部位纵断面地质图如图2-1、2-2所示,基坑开挖地层统计图见图2-3。表1-1海晏北路站主要地层表第3页共8页第2页共8页编号:时间:2021年x月x日书山有路勤为径,学海无涯苦作舟页码:第3页共8页表1-2地层设计参数表第4页共8页第3页共8页编号:时间:2021年x月x日书山有路勤为径,学海无涯苦作舟页码:第4页共8页第5页共8页第4页共8页编号:时间:2021年x月x日书山有路勤为径,学海无涯苦作舟页码:第5页共8页图1-1西端头和标准段基底地质第6页共8页第5页共8页编号:时间:2021年x月x日书山有路...

1、当您付费下载文档后,您只拥有了使用权限,并不意味着购买了版权,文档只能用于自身使用,不得用于其他商业用途(如 [转卖]进行直接盈利或[编辑后售卖]进行间接盈利)。
2、本站所有内容均由合作方或网友上传,本站不对文档的完整性、权威性及其观点立场正确性做任何保证或承诺!文档内容仅供研究参考,付费前请自行鉴别。
3、如文档内容存在违规,或者侵犯商业秘密、侵犯著作权等,请点击“违规举报”。

碎片内容

宁波项目部车站工程概况及工程重点难点

您可能关注的文档

确认删除?
VIP
微信客服
  • 扫码咨询
会员Q群
  • 会员专属群点击这里加入QQ群
客服邮箱
回到顶部