电脑桌面
添加小米粒文库到电脑桌面
安装后可以在桌面快捷访问

宁波市某桩基工程监理细则VIP免费

宁波市某桩基工程监理细则_第1页
1/7
宁波市某桩基工程监理细则_第2页
2/7
宁波市某桩基工程监理细则_第3页
3/7
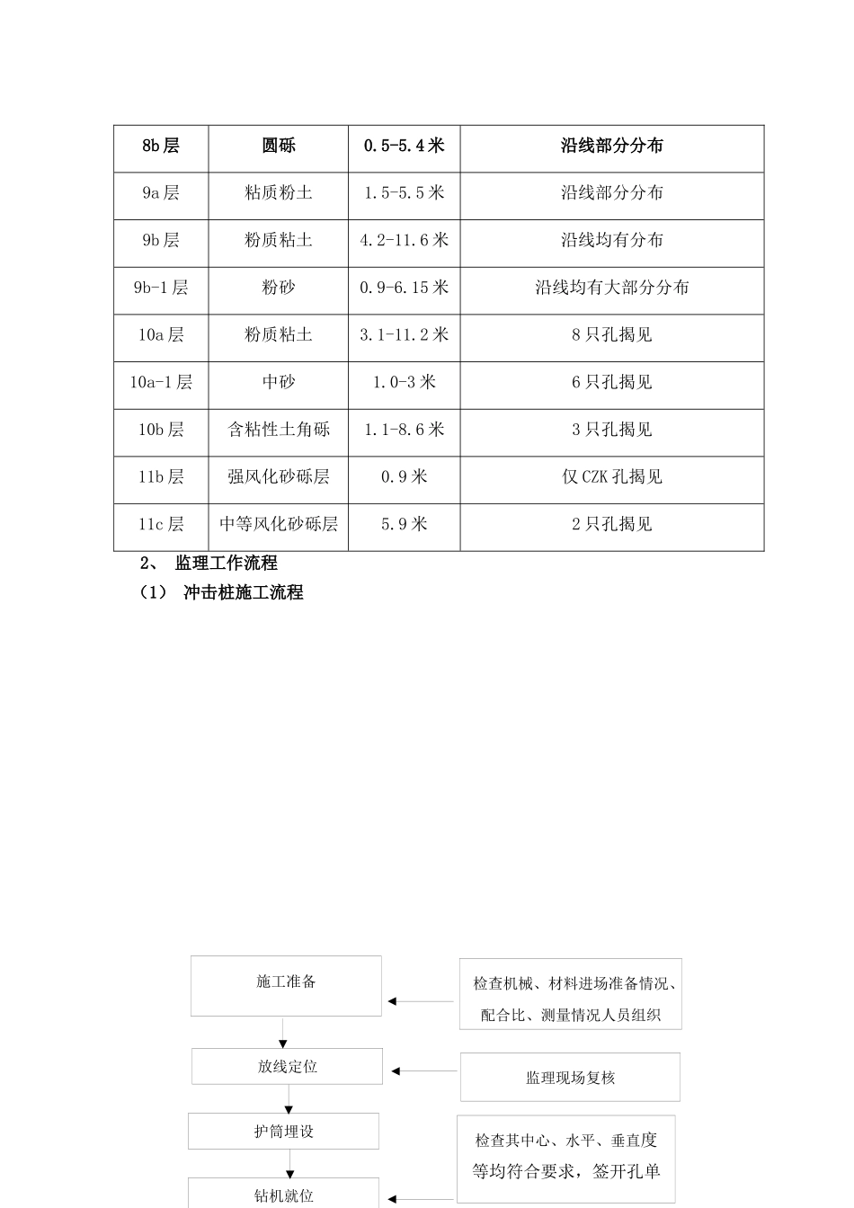
宁波市环城南路快速路工程Ⅲ标段桩基工程监理细则补充——冲击桩监理细则一、项目概况工程名称:宁波市环城南路快速路工程Ⅲ标段。建设单位:宁波通途投资开发有限公司。设计单位:宁波市城建设计研究院有限公司。监理单位:宁波国际投资咨询有限公司。施工单位:腾达建设集团股份有限公司。本工程西起宁南南路(K5+002.56),东至中兴南路(K7+469.9),包括主线高架桥梁2467.34m,上下高架桥梁的匝道2对,地面跨河桥涵2座,地面辅道长度约2467.34m,中兴路东侧支路长度约120m。二、桩基工程概况及分析本项目桥梁工程包括主线高架、2对上下行匝道,2座地面辅道桥。高架桥主线及其匝道桩基础采用D100钻孔桩,其中地面辅道桥钻孔桩直径为D120和D100、D80三种。其中D120桩63枚,D100桩954枚,D80桩44枚,合计1061枚钻孔桩。高架桥主线及其匝道的D100钻孔桩要求60%埋设声测管,50%进行超声波检测,50%进行小应变检测。D100钻孔桩抽相近地质条件下总桩数5%进行大应变检测,且不少于5根。地面辅道桥新建钻孔桩全部采用超声波检测,老桩利用进行小应变检测,并按图纸要求进行高应变检测。鉴于本工程局部区域有圆砾层,且部分砾石直径较大,普通的钻孔灌注桩钻孔方式无法钻进,经研究决定,在穿透该地层且钻孔灌注桩机无法钻进时,改用冲击成孔,并用掏渣机清理底部沉渣,其余工序均同钻孔灌注桩。三、监理控制重点1、工程特点分析本工程范围内地层组成详见下表:层数土层厚度备注Z层杂填土1.2-3.6米松散状,由碎石、块石、粘土及建筑垃圾组成,沿线均有分布1层粘土0.5-1.6米部分路段缺失2a层淤泥质粘土0.8-2.5米沿线均有分布2b层粘土0.9-1.6米沿线均有大部分分布2c层淤泥质粘土3.5-15米沿线均有分布2d层淤泥质粉质粘土3.9-6米沿线均零星分布3层粉质粘土夹砂层0.8-7.2米沿线均有大部分分布3-1层粉砂3.5米CJ6号孔位处揭见4层淤泥质粘土3.0-12.5米沿线局部分部5b层粉质粘土1.5-7.8米沿线均有大部分分布5c层粉质粘土2.8-5.9米沿线均有大部分分布5c-1层粉质粘土7.3-10.7米沿线局部分部6a层粉质粘土1.6-15.8米沿线均有大部分分布6b层粉质粘土2.3-11.2米沿线均有大部分分布6c层粘土4.7-15.8米沿线均有分布7层粉质粘土1.4-9.5米沿线均有分布7-1层粉砂1.7米仅CZK7揭见8a层粉砂0.9-2米沿线部分分布8b层圆砾0.5-5.4米沿线部分分布9a层粘质粉土1.5-5.5米沿线部分分布9b层粉质粘土4.2-11.6米沿线均有分布9b-1层粉砂0.9-6.15米沿线均有大部分分布10a层粉质粘土3.1-11.2米8只孔揭见10a-1层中砂1.0-3米6只孔揭见10b层含粘性土角砾1.1-8.6米3只孔揭见11b层强风化砂砾层0.9米仅CZK孔揭见11c层中等风化砂砾层5.9米2只孔揭见2、监理工作流程(1)冲击桩施工流程施工准备检查机械、材料进场准备情况、配合比、测量情况人员组织放线定位护筒埋设钻机就位监理现场复核检查其中心、水平、垂直度等均符合要求,签开孔单3、监理控制环节监理控制环节包含人员、材料、机械、工艺、环境等。本工程对五个环节实施全面控制,同时以工艺控制为主要控制环节。1)、人员控制人员控制主要采用事前审核资质,事中监督检查,对于新进场的作业人员特别是特种工,包括电工、电焊操作工、桩机操作工等,须有相应的操作证,且该证须在有效期内。监理方核查其证件,必要时可采用试作业。上述人员经监理方书面认可后方可上岗作业。作业前,上述人员还须经过施工单位的三级教育、施工项目部的施工技术交底等2)、机械设备控制钻进因遇到圆砾层无法钻进钢筋笼吊装导管安装、清孔灌注水下混凝土用掏渣机清理沉渣全过程旁站监理,主要检查商品砼出厂合格证、塌落度等监理人员经现场确认后,改用冲击桩,再签冲击桩开孔单冲击桩监理流程图检查每节钢筋笼对接时焊接质量,钢筋笼总长等改用钻孔桩机经检查,泥浆性能、沉渣厚度等均符合要求机械设备主要采用事前审核合格证,事中监督检查。新进场的机械设备的型号、数量、时间应与已批准的施工专项方案中规定的一致,并能满足实际施工需要,否则监理方应采用监理工程师通知单等形式进行督促。机械设备在进场后报验,提供相关证明材料,经监理方书面认可后方可使用。本次进场的主要是冲击桩机...

1、当您付费下载文档后,您只拥有了使用权限,并不意味着购买了版权,文档只能用于自身使用,不得用于其他商业用途(如 [转卖]进行直接盈利或[编辑后售卖]进行间接盈利)。
2、本站所有内容均由合作方或网友上传,本站不对文档的完整性、权威性及其观点立场正确性做任何保证或承诺!文档内容仅供研究参考,付费前请自行鉴别。
3、如文档内容存在违规,或者侵犯商业秘密、侵犯著作权等,请点击“违规举报”。

碎片内容

宁波市某桩基工程监理细则

确认删除?
VIP
微信客服
  • 扫码咨询
会员Q群
  • 会员专属群点击这里加入QQ群
客服邮箱
回到顶部