电脑桌面
添加小米粒文库到电脑桌面
安装后可以在桌面快捷访问

建筑给水、排水及采暖工程用表VIP免费

建筑给水、排水及采暖工程用表_第1页
1/118
建筑给水、排水及采暖工程用表_第2页
2/118
建筑给水、排水及采暖工程用表_第3页
3/118
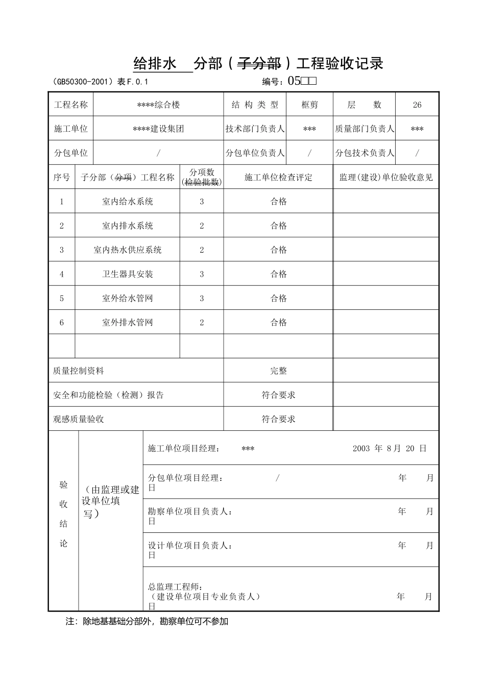
建筑给水、排水与采暖各子分部工程与分项工程相关表(GB50242-2002)表3子分部工程分项工程01020304050607080910室内给水系统室内排水系统室内热水供应系统卫生器具安装室内采暖系统室外给水管网室外排水管网室外供热管网建筑中水系统机游泳池系统供热锅炉及辅助设备序号名称1室内给水管道及配件安装050101●2室内消火栓安装050102●3给水设备安装050103●4室内排水管道及配件安装050201●5雨水管道及配件安装050202●6室内热水管道及配件安装020301●7热水供应系统及辅助设备安装050302●8卫生器具安装050401●9卫生器具及给水配件安装050402●10卫生器具排水管道安装050403●11室内采暖管道及配件安装050501●12室内采暖辅助设备及散热器、金属辐射板安装050502050503●13低温热水地板辐射采暖系统安装050504●14室外给水管道安装050601●15室外消防泵结合器、消火栓安装050602●16管沟及井室050603●17室外排水管道安装050701●18室外排水管沟及井地050702●19室外供热管网安装050801●20建筑水系统及游泳池安装050901050902●21锅炉安装051001●22锅炉辅助设备安装(Ⅰ)051002●23锅炉辅助设备工艺管道安装(Ⅱ)051002●24锅炉安全附件安装051003●25换热站安装051004●注:本表有●符号者为该子分部工程所含的分项工程给排水分部(子分部)工程验收记录(GB50300-2001)表F.0.1编号:05□□工程名称****综合楼结构类型框剪层数26施工单位****建设集团技术部门负责人***质量部门负责人***分包单位/分包单位负责人/分包技术负责人/序号子分部(分项)工程名称分项数(检验批数)施工单位检查评定监理(建设)单位验收意见1室内给水系统3合格2室内排水系统2合格3室内热水供应系统2合格4卫生器具安装3合格5室外给水管网3合格6室外排水管网2合格质量控制资料完整安全和功能检验(检测)报告符合要求观感质量验收符合要求验收结论(由监理或建设单位填写)施工单位项目经理:***2003年8月20日分包单位项目经理:/年月日勘察单位项目负责人:年月日设计单位项目负责人:年月日总监理工程师:(建设单位项目专业负责人)年月日注:除地基基础分部外,勘察单位可不参加室内给水系统分部(子分部)工程验收记录(GB50300-2001)表F.0.1编号:0501工程名称****综合楼结构类型框剪层数26施工单位****建设集团技术部门负责人***质量部门负责人***分包单位/分包单位负责人/分包技术负责人/序号子分部(分项)工程名称分项数(检验批数)施工单位检查评定监理(建设)单位验收意见1给水管道及配件安装26合格2室内消火栓系统安装26合格3给水设备安装2合格456质量控制资料完整安全和功能检验(检测)报告符合要求观感质量验收符合要求验收结论(由监理或建设单位填写)施工单位项目经理:***2003年8月20日分包单位项目经理:/年月日勘察单位项目负责人:年月日设计单位项目负责人:年月日总监理工程师:(建设单位项目专业负责人)年月日注:除地基基础分部外,勘察单位可不参加给水管道及配件安装分项工程质量验收表(GB50300-2001)表E.0.1编号:050101工程名称****综合楼结构类型框剪检验批数26施工单位****建设集团项目经理***项目技术负责人***分包单位/分包单位负责人/分包项目经理/序号检验批部位、区段施工单位检查评定结果监理(建设)单位验收结论11层合格--------------------2626层合格检验批质量检查记录完整备注测试共26项,水压试验均合格,各接口均无渗漏施工单位检查结论合格项目专业技术负责人:***2003年8月20日监理(建设)验收结论专业监理工程师:(建设单位项目专业技术负责人)年月日室内给水管道及配件安装工程检验批质量验收记录(GB50242-2002)表4.2编号:050101□□□工程名称****综合楼分部工程名称给排水项目经理***施工单位****建设集团验收部位1层施工执行标准名称及编号企业标准专业工长(施工员)***分包单位/分包项目经理/施工班组长***质量验收规范的规定施工单位自检记录监理(建设)单位验收记录主控项目1给水管道的水压试验(4.2.1条)符合要求2给水管道的通水试验(4.2.2条)符合要求3给水管道的冲洗和消毒(4.2.3条)符合要求4直埋(金属)给水管道防腐(4.2.4条)/...

1、当您付费下载文档后,您只拥有了使用权限,并不意味着购买了版权,文档只能用于自身使用,不得用于其他商业用途(如 [转卖]进行直接盈利或[编辑后售卖]进行间接盈利)。
2、本站所有内容均由合作方或网友上传,本站不对文档的完整性、权威性及其观点立场正确性做任何保证或承诺!文档内容仅供研究参考,付费前请自行鉴别。
3、如文档内容存在违规,或者侵犯商业秘密、侵犯著作权等,请点击“违规举报”。

碎片内容

建筑给水、排水及采暖工程用表

您可能关注的文档

确认删除?
VIP
微信客服
  • 扫码咨询
会员Q群
  • 会员专属群点击这里加入QQ群
客服邮箱
回到顶部