电脑桌面
添加小米粒文库到电脑桌面
安装后可以在桌面快捷访问

安全管理质量标准化考核评级办法(满分100分)VIP免费

安全管理质量标准化考核评级办法(满分100分)_第1页
1/8
安全管理质量标准化考核评级办法(满分100分)_第2页
2/8
安全管理质量标准化考核评级办法(满分100分)_第3页
3/8
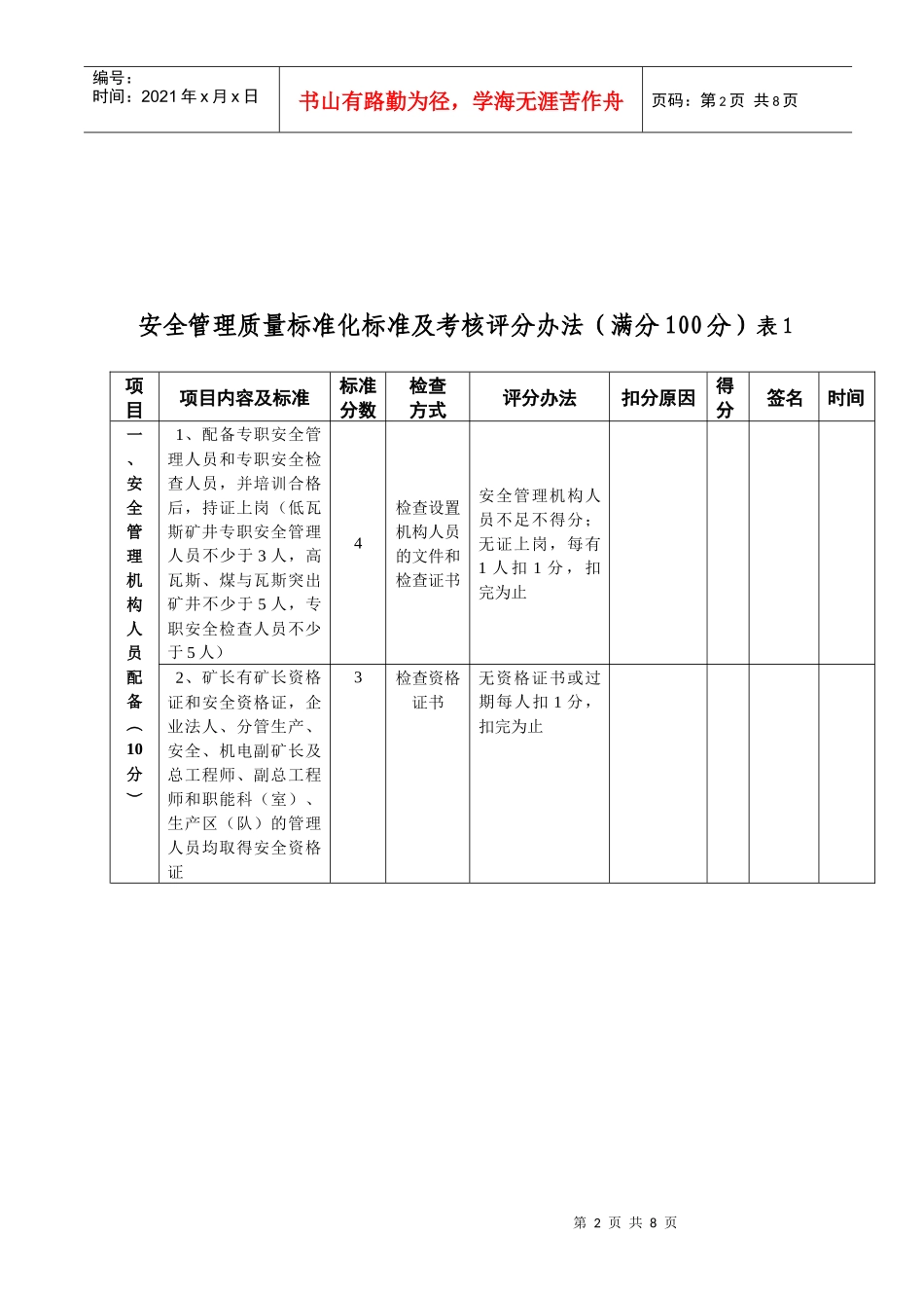
第1页共8页编号:时间:2021年x月x日书山有路勤为径,学海无涯苦作舟页码:第1页共8页安全管理质量标准化考核评级办法第一条必备条件1、设置专职安全生产管理机构和配备专职安全管理人员。2、健全各种生产安全技术资料和档案管理制度。3、按规定开展煤矿安全生产隐患排查和治理工作,重大安全隐患及时整改。4、各种资料保持原始性、真实性,不得有虚假。第二条考核评级办法1、安全管理分为九大项,满分100分。2、安全管理质量标准化矿井分为三个等级:一级:总得分90分及以上;二级:总得分80分及以上;三级:总得分70分及以上。第三条安全管理质量标准化标准及考核评分办法见表1第2页共8页第1页共8页编号:时间:2021年x月x日书山有路勤为径,学海无涯苦作舟页码:第2页共8页安全管理质量标准化标准及考核评分办法(满分100分)表1项目项目内容及标准标准分数检查方式评分办法扣分原因得分签名时间一、安全管理机构人员配备︵10分︶1、配备专职安全管理人员和专职安全检查人员,并培训合格后,持证上岗(低瓦斯矿井专职安全管理人员不少于3人,高瓦斯、煤与瓦斯突出矿井不少于5人,专职安全检查人员不少于5人)4检查设置机构人员的文件和检查证书安全管理机构人员不足不得分;无证上岗,每有1人扣1分,扣完为止2、矿长有矿长资格证和安全资格证,企业法人、分管生产、安全、机电副矿长及总工程师、副总工程师和职能科(室)、生产区(队)的管理人员均取得安全资格证3检查资格证书无资格证书或过期每人扣1分,扣完为止第3页共8页第2页共8页编号:时间:2021年x月x日书山有路勤为径,学海无涯苦作舟页码:第3页共8页3、煤矿特种作业人员(井下电钳工、井下爆破工、安全监测监控工、瓦斯检查工、安全检查工、主提升机操作工、采煤机司机(掘进机司机)、瓦斯抽采工、防突工、探放水作业工)必须按国家有关规定培训合格,取得操作资格证书,持证上岗,人员数量满足安全生产要求3检查证件每发现1人未持证上岗扣1分,本小项分扣完为止二、责任制落实︵40分︶1、建立以调度为中心的安全生产指挥体系。调度员不少于4名,实行24小时不间断值班制度。调度记录台账齐全,项目填写齐全、完整,每件事情有落实记录。坚持日调度例会制度,日调度例会记录齐全、完整,每件工作有安排落实记录15查阅相关资料1、未落实24小时值班和未正常召开日调度例会不得分。2、调度记录台账每少一个班扣1分,项目填写不全、不完整每处扣1分;事情无落实记录每件扣1分。以上扣分不超过5分。3、日调度例会记录每少一天扣1分,记录不全、不完整每处扣1分,工作无安排或无落实记录,每件扣1分。以上扣分不超过5分2、健全隐患排查、治理及例会制度。15(1)小项5分,未开展工作不得第4页共8页第3页共8页编号:时间:2021年x月x日书山有路勤为径,学海无涯苦作舟页码:第4页共8页(1)坚持周例行安全检查及检查后的周安全例会,记录齐全、完整。(2)坚持月度隐患排查(安全大检查)和月度安全生产办公会,记录齐全、完整。(3)隐患排查治理台账齐全、完整,整改效果评价资料齐全,暂时整改不了的,应有防范措施分。每少一次扣2分,缺1份记录扣1分;(2)小项5分,未开展工作不得分。每少一次扣2分,缺1份记录扣1分;(3)小项为5分,未开展工作不得分。少一份台账或整改效果评价资料、措施:重大隐患扣2分,一般隐患扣1分3、井下每个班均有矿级领导带班。矿级领导完成每月的下井任务4无矿级领导带班,每有一班次扣1分;未完成下井任务少一次扣1分,扣完为止4、建立全员安全风险抵押制度,层层签订安全生产责任状并严格考核4查阅相关资料未实行全员安全风险抵押或未签订责任状,此项不得分;未进行考核并兑现,每少一人次扣1分,扣完为止5、制定事故应急救援预案并按规定备案,每年组织一次演练2查阅相关资料无救援预案或未组织演练不得分;预案未备案扣1分,扣完为止三、安全管理制度煤矿必须建立健全以下等制度:1、各级领导、岗位人员、职能机构安全生产责任制2、领导下井带班制度3、安全质量检查及跟踪处理制度8逐项检查每缺一项扣0.5分,扣完为止第5页共8页第4页共8页编号:时间:2021年x月x日书山有路勤为径,...

1、当您付费下载文档后,您只拥有了使用权限,并不意味着购买了版权,文档只能用于自身使用,不得用于其他商业用途(如 [转卖]进行直接盈利或[编辑后售卖]进行间接盈利)。
2、本站所有内容均由合作方或网友上传,本站不对文档的完整性、权威性及其观点立场正确性做任何保证或承诺!文档内容仅供研究参考,付费前请自行鉴别。
3、如文档内容存在违规,或者侵犯商业秘密、侵犯著作权等,请点击“违规举报”。

碎片内容

安全管理质量标准化考核评级办法(满分100分)

确认删除?
VIP
微信客服
  • 扫码咨询
会员Q群
  • 会员专属群点击这里加入QQ群
客服邮箱
回到顶部