电脑桌面
添加小米粒文库到电脑桌面
安装后可以在桌面快捷访问

工程进度控制管理流程VIP免费

工程进度控制管理流程_第1页
1/2
工程进度控制管理流程_第2页
2/2
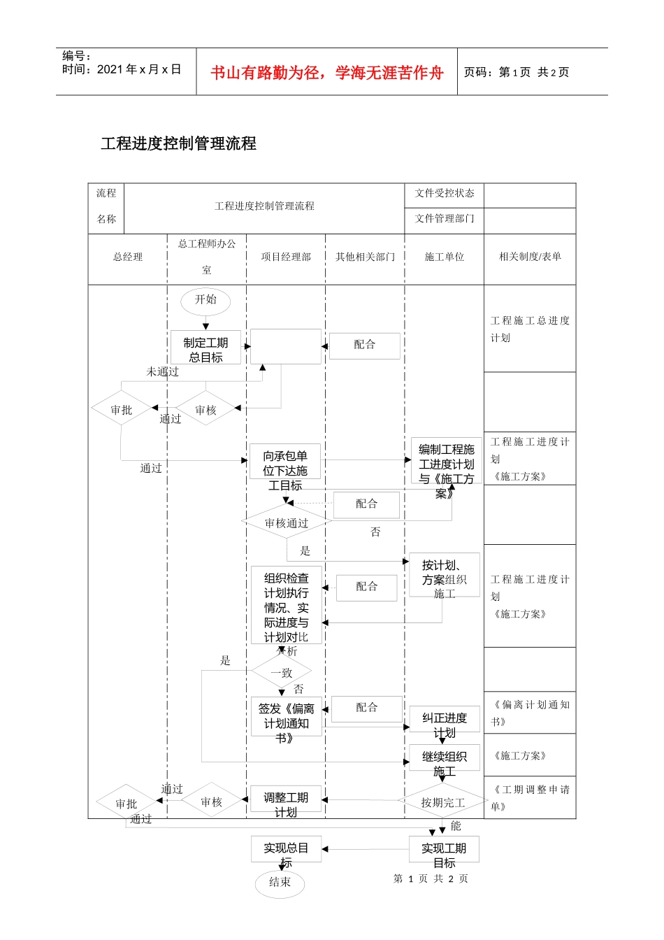
第1页共2页未通过否通过制定工期总目标审核审批开始通过向承包单位下达施工目标审核通过配合编制工程施工进度计划与《施工方案》配合通过通过不能是按计划、方案组织施工组织检查计划执行情况、实际进度与计划对比分析能实现总目标审核否是签发《偏离计划通知书》调整工期计划审批按期完工一致配合配合纠正进度计划继续组织施工结束实现工期目标编号:时间:2021年x月x日书山有路勤为径,学海无涯苦作舟页码:第1页共2页工程进度控制管理流程流程名称工程进度控制管理流程文件受控状态文件管理部门总经理总工程师办公室项目经理部其他相关部门施工单位相关制度/表单工程施工总进度计划工程施工进度计划《施工方案》工程施工进度计划《施工方案》《偏离计划通知书》《施工方案》《工期调整申请单》第2页共2页第1页共2页编号:时间:2021年x月x日书山有路勤为径,学海无涯苦作舟页码:第2页共2页编制日期审核日期生效日期

1、当您付费下载文档后,您只拥有了使用权限,并不意味着购买了版权,文档只能用于自身使用,不得用于其他商业用途(如 [转卖]进行直接盈利或[编辑后售卖]进行间接盈利)。
2、本站所有内容均由合作方或网友上传,本站不对文档的完整性、权威性及其观点立场正确性做任何保证或承诺!文档内容仅供研究参考,付费前请自行鉴别。
3、如文档内容存在违规,或者侵犯商业秘密、侵犯著作权等,请点击“违规举报”。

碎片内容

工程进度控制管理流程

确认删除?
VIP
微信客服
  • 扫码咨询
会员Q群
  • 会员专属群点击这里加入QQ群
客服邮箱
回到顶部