电脑桌面
添加小米粒文库到电脑桌面
安装后可以在桌面快捷访问

工程预算编制流程VIP免费

工程预算编制流程_第1页
1/2
工程预算编制流程_第2页
2/2
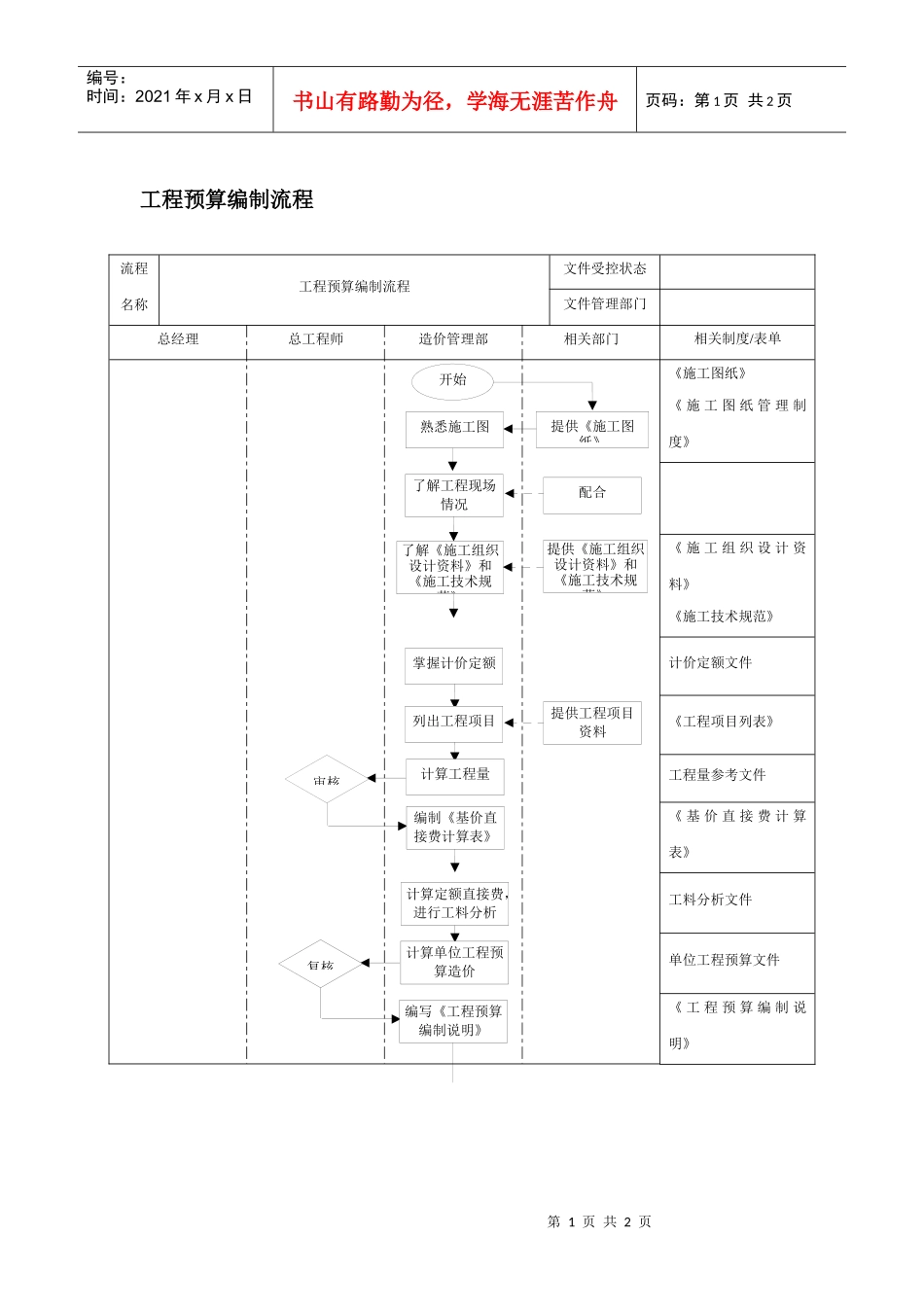
第1页共2页编号:时间:2021年x月x日书山有路勤为径,学海无涯苦作舟页码:第1页共2页工程预算编制流程流程名称工程预算编制流程文件受控状态文件管理部门总经理总工程师造价管理部相关部门相关制度/表单《施工图纸》《施工图纸管理制度》《施工组织设计资料》《施工技术规范》计价定额文件《工程项目列表》工程量参考文件《基价直接费计算表》工料分析文件单位工程预算文件《工程预算编制说明》开始提供《施工图纸》了解工程现场情况了解《施工组织设计资料》和《施工技术规范》提供《施工组织设计资料》和《施工技术规范》配合掌握计价定额提供工程项目资料计算工程量列出工程项目审核编制《基价直接费计算表》计算单位工程预算造价计算定额直接费,进行工料分析复核编写《工程预算编制说明》熟悉施工图第2页共2页第1页共2页编号:时间:2021年x月x日书山有路勤为径,学海无涯苦作舟页码:第2页共2页编制日期审核日期生效日期结束装订签章审核审批

1、当您付费下载文档后,您只拥有了使用权限,并不意味着购买了版权,文档只能用于自身使用,不得用于其他商业用途(如 [转卖]进行直接盈利或[编辑后售卖]进行间接盈利)。
2、本站所有内容均由合作方或网友上传,本站不对文档的完整性、权威性及其观点立场正确性做任何保证或承诺!文档内容仅供研究参考,付费前请自行鉴别。
3、如文档内容存在违规,或者侵犯商业秘密、侵犯著作权等,请点击“违规举报”。

碎片内容

工程预算编制流程

您可能关注的文档

确认删除?
VIP
微信客服
  • 扫码咨询
会员Q群
  • 会员专属群点击这里加入QQ群
客服邮箱
回到顶部