电脑桌面
添加小米粒文库到电脑桌面
安装后可以在桌面快捷访问

广东省质量监督摩托车产品江门检验站VIP免费

广东省质量监督摩托车产品江门检验站_第1页
1/6
广东省质量监督摩托车产品江门检验站_第2页
2/6
广东省质量监督摩托车产品江门检验站_第3页
3/6
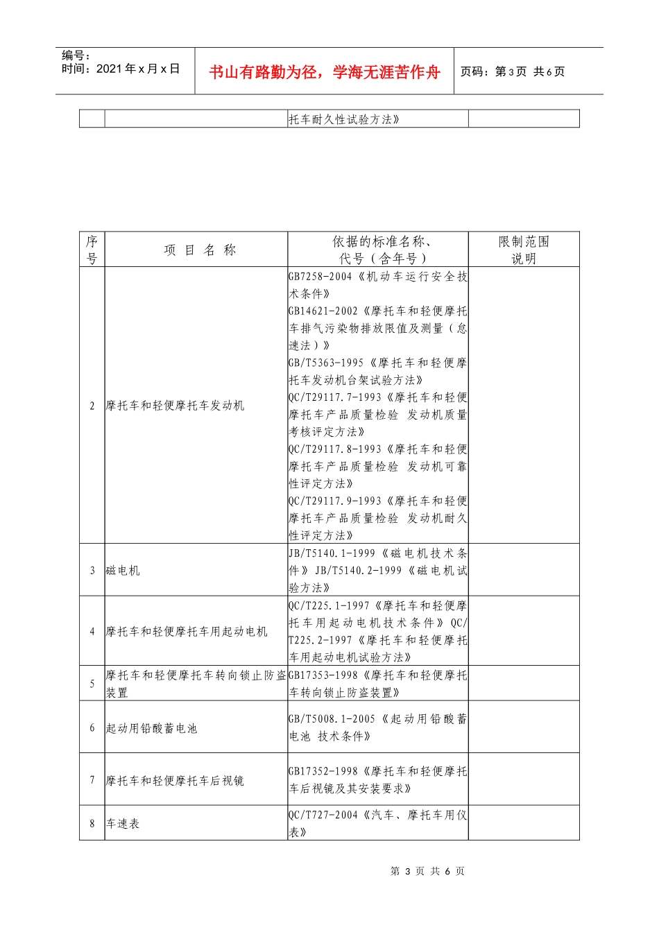
第1页共6页编号:时间:2021年x月x日书山有路勤为径,学海无涯苦作舟页码:第1页共6页广东省质量监督摩托车产品江门检验站批准的认可项目及限制范围证书编号:(广东)省质监认字(165)号序号项目名称依据的标准名称、代号(含年号)限制范围或说明1摩托车和轻便摩托车GB14621-2002《摩托车和轻便摩托车排气污染物排放限值及测量(怠速法)》GB14023-2000(车辆、机动船和由火花点火发动机驱动的装置的无线电骚扰特性的限值和测量方法)GB14622-2002《摩托车排气污染物排放限值及测量方法(工况法)》GB18176-2002(轻便摩托车排气污染物排放限值及测量方法工况法)GB4569-2005《摩托车和轻便摩托车定置噪声排放限值及测量方法》GB16169-2005《摩托车和轻便摩托车加速行驶噪声限值及测量方法》GB17355-1998《摩托车和轻便摩托车制动性能指标限值》GB/T5382.1-1996《摩托车和轻便摩托车制动性能试验方法制动距离》GB7258-2004《机动车运行安全技术条件》GB19152-2003《轻便摩托车前照灯配光性能》GB5948-1998《摩托车白炽四光源前照灯配光性能》GB/T5376-1996《摩托车和轻便摩托车车速里程表指示值校核方法》GB/T18411-2001《道路车辆产品标牌》GB15365-1994《摩托车操纵件、指示器与信号装置的图形符号》GB/T5373-1994《摩托车和轻便摩托车尺寸和质量参数的测定方法》GB/T15364-1994《摩托车和轻便摩托车驻车性能试验方法》不能检测排气污染物排放(工况法)和无线电骚扰特性第2页共6页第1页共6页编号:时间:2021年x月x日书山有路勤为径,学海无涯苦作舟页码:第2页共6页序号项目名称依据的标准名称、代号(含年号)限制范围说明1摩托车和轻便摩托车GB15742-2001《机动车用喇叭的性能要求及试验方法》QC/T67-1993《摩托车喇叭声级测量方法》GB17352-1998《摩托车和轻便摩托车后视镜及其安装要求》GB17353-1998《摩托车和轻便摩托车转向锁止防盗装置》GB/T16486-1996《摩托车和轻便摩托车燃油消耗试验方法》GB/T15744-1995《摩托车和轻便摩托车燃油消耗量限值》QC/T60-1993《摩托车整车性能台架试验方法》GB18100-2000《两轮摩托车及轻便摩托车照明和光信号装置的安装规定》GB16735-2004《道路车辆车辆识别代号(VIN)位置与固定》GB16737-2004《道路车辆世界制造厂识别代号(WMI)》GB17510-1998《摩托车光信号配置性能》GB11564-1998《机动车回复反射器》GB/T5386-1994《摩托车和轻便摩托车滑行试验方法》GB/T5387-1994《摩托车和轻便摩托车爬坡能力试验方法》GB/T5383-1994《摩托车和轻便摩托车最低稳定车速试验方法》GB/T5385-1994《摩托车和轻便摩托车加速性能试验方法》GB/T5384-1994《摩托车和轻便摩托车最高车速试验方法》GB/T5381-1994《摩托车和轻便摩托车起动性能试验方法》GB/T4570-1995《摩托车和轻便摩第3页共6页第2页共6页编号:时间:2021年x月x日书山有路勤为径,学海无涯苦作舟页码:第3页共6页托车耐久性试验方法》序号项目名称依据的标准名称、代号(含年号)限制范围说明2摩托车和轻便摩托车发动机GB7258-2004《机动车运行安全技术条件》GB14621-2002《摩托车和轻便摩托车排气污染物排放限值及测量(怠速法)》GB/T5363-1995《摩托车和轻便摩托车发动机台架试验方法》QC/T29117.7-1993《摩托车和轻便摩托车产品质量检验发动机质量考核评定方法》QC/T29117.8-1993《摩托车和轻便摩托车产品质量检验发动机可靠性评定方法》QC/T29117.9-1993《摩托车和轻便摩托车产品质量检验发动机耐久性评定方法》3磁电机JB/T5140.1-1999《磁电机技术条件》JB/T5140.2-1999《磁电机试验方法》4摩托车和轻便摩托车用起动电机QC/T225.1-1997《摩托车和轻便摩托车用起动电机技术条件》QC/T225.2-1997《摩托车和轻便摩托车用起动电机试验方法》5摩托车和轻便摩托车转向锁止防盗装置GB17353-1998《摩托车和轻便摩托车转向锁止防盗装置》6起动用铅酸蓄电池GB/T5008.1-2005《起动用铅酸蓄电池技术条件》7摩托车和轻便摩托车后视镜GB17352-1998《摩托车和轻便摩托车后视镜及其安装要求》8车速表QC/T727-2004《汽车、摩托车用仪表》第4页共6页第3页共6页编号:时间:2021年x月x日书山有路勤为...

1、当您付费下载文档后,您只拥有了使用权限,并不意味着购买了版权,文档只能用于自身使用,不得用于其他商业用途(如 [转卖]进行直接盈利或[编辑后售卖]进行间接盈利)。
2、本站所有内容均由合作方或网友上传,本站不对文档的完整性、权威性及其观点立场正确性做任何保证或承诺!文档内容仅供研究参考,付费前请自行鉴别。
3、如文档内容存在违规,或者侵犯商业秘密、侵犯著作权等,请点击“违规举报”。

碎片内容

广东省质量监督摩托车产品江门检验站

教育精品店+ 关注
实名认证
内容提供者

优良的服务

确认删除?
VIP
微信客服
  • 扫码咨询
会员Q群
  • 会员专属群点击这里加入QQ群
客服邮箱
回到顶部