电脑桌面
添加小米粒文库到电脑桌面
安装后可以在桌面快捷访问

悬挑脚手架作用下阳台梁承载力验算知识交流VIP免费

悬挑脚手架作用下阳台梁承载力验算知识交流_第1页
1/40
悬挑脚手架作用下阳台梁承载力验算知识交流_第2页
2/40
悬挑脚手架作用下阳台梁承载力验算知识交流_第3页
3/40
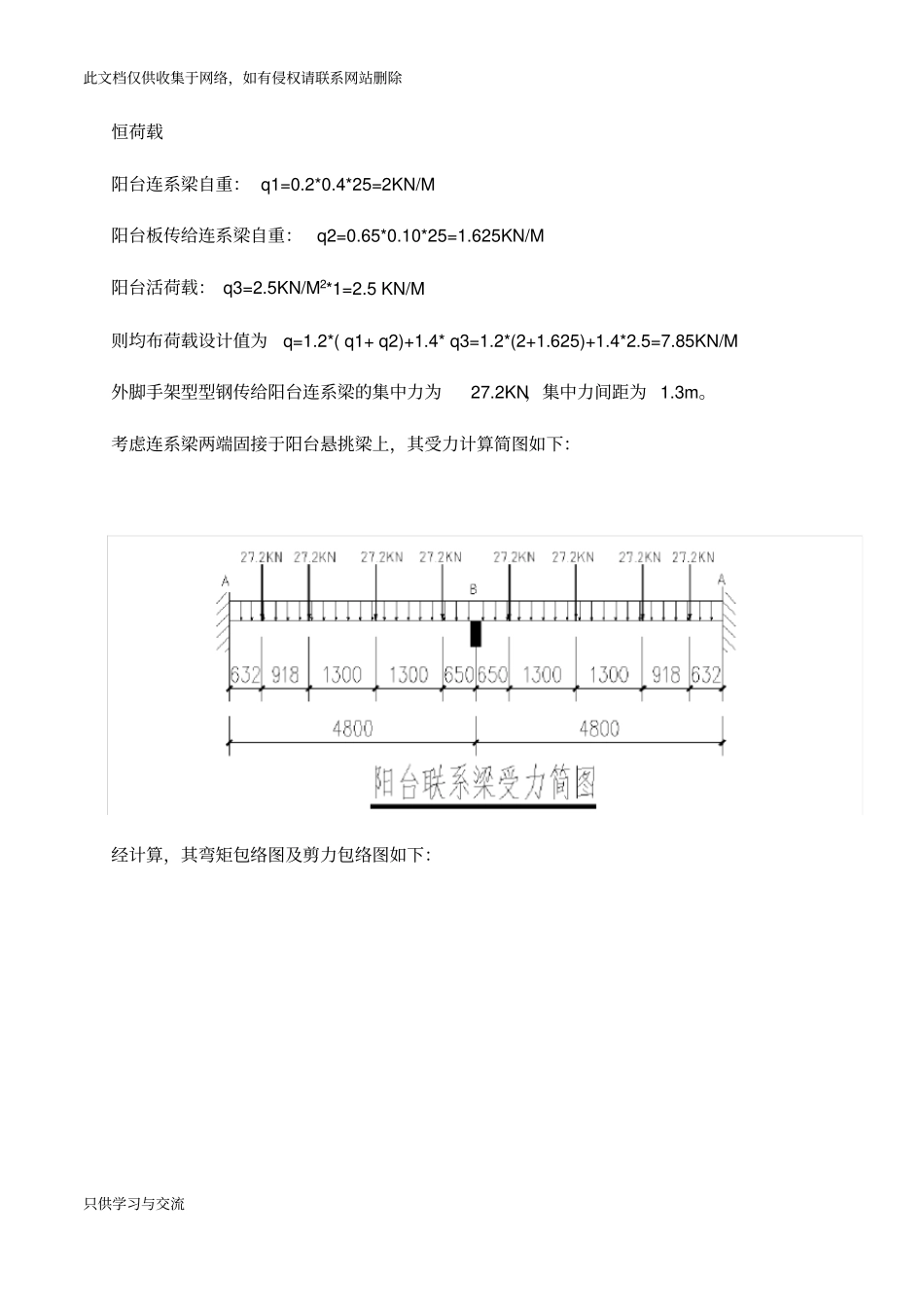
此文档仅供收集于网络,如有侵权请联系网站删除只供学习与交流悬挑脚手架作用下阳台梁承载力验算根据本工程特点,外脚手架需进行分段卸荷于主体结构上,结合脚手架施工方案,型钢悬挑脚手架分别设置在8#栋7、13层,9、10、14#栋10层,考虑到阳台处脚手架外附加荷载较大,为保证结构传力可靠,需对阳台梁承载力进行验算。结合8、9、10、14#栋结构图,选取以下阳台进行受力验算:1、9、10、14#栋南向大阳台选取跨度和荷载都较大的9、10#栋6~15轴南向阳台进行结构受力验算。2、8#栋阳台选取跨度最大的14~22及29~37轴内阳台进行结构受力验算,3、14#栋10层北向阳台(2~8、10~16、18~24、26~32轴)验算4、8#栋7、13层南向阳台(10~14、37~41轴)验算5、8#栋7、13层北向阳台验算(16~18、33~35轴)验算6、8#栋7、13层南向阳台(3~5、46~48轴)验算7、9、10#栋10层北向阳台(7~9、12~14、26~28、31~33轴)验算验算成果见附件各栋阳台加强配筋图。阳台梁上由外架传来的集中力大小及位置详见附图9、10#栋6~15轴南向阳台受力验算一、阳台连系梁承载力验算阳台连系梁截面为200*400,混凝土强度等级为C30,受力纵筋采用HRB400三级钢,箍筋采用HPB300一级钢,阳台板厚为100mm。1、荷载统计此文档仅供收集于网络,如有侵权请联系网站删除只供学习与交流恒荷载阳台连系梁自重:q1=0.2*0.4*25=2KN/M阳台板传给连系梁自重:q2=0.65*0.10*25=1.625KN/M阳台活荷载:q3=2.5KN/M2*1=2.5KN/M则均布荷载设计值为q=1.2*(q1+q2)+1.4*q3=1.2*(2+1.625)+1.4*2.5=7.85KN/M外脚手架型型钢传给阳台连系梁的集中力为27.2KN,集中力间距为1.3m。考虑连系梁两端固接于阳台悬挑梁上,其受力计算简图如下:经计算,其弯矩包络图及剪力包络图如下:此文档仅供收集于网络,如有侵权请联系网站删除只供学习与交流2、阳台连系梁正截面承载力验算连系梁截面尺寸bxh=200mm*400mm,混凝土强度等级C30,弯曲抗拉强度设计值为ft=1.43N/mm2,轴心抗压强度设计值fc=14.3N/mm2,纵向受力钢筋为三级钢,fy=360N/mm2,fy'=360N/mm2,ξb=0.518,受拉钢筋为2Φ14,As=308mm2,受压钢筋为2Φ14,As'=308mm2,箍筋为一级钢φ8@200。fyV=270N/mm2。mmaass35'8.0,111。有效高度h0=400-35=365mm相对受压区高度x=(Asfy-As'fy')/fcmb=0≤2as',此时受压钢筋未能得到充分利用,其极限弯矩Mu=Asfy(h0-as')=308*360*(365-35)=36.6KN·M小于支座负弯矩MA=MB=-62.225KN·M,增加支座负筋;此文档仅供收集于网络,如有侵权请联系网站删除只供学习与交流大于跨中弯矩Mmax=28.023KN·M,满足要求。计算支座负弯矩MA=MB=62.225KN·M时,支座负筋As,由以上验算得知,由受拉钢筋所抵抗的弯矩M1=36.6KN·M则由受压混凝土及其相应的受拉钢筋As2所承担的弯矩M2=62.225-36.6=25.625KN·M则支座负弯矩钢筋截面面积为As=308+196.28=504.28mm2,选取用HRB400三级钢2Φ14+1Φ16,其截面面积As=509.06mm2。3、阳台连系梁斜截面承载力验算截面有效高度h0=400-35=365mm计算VcsVcs=0.07fcbh0+1.5fyVnAsv1h0/s=0.07*14.3*200*365+1.5*270*2*50.24*365/200=147.34KN复核截面尺寸0.25fcbh0=0.25*14.3*200*365=260.97KN>Vcs=147.34KN截面尺寸符合要求,故该梁能承担的剪力为:V=Vcs=147.34KN大于梁端最大剪力76.454KN故斜截面承载力满足要求。21200128.196)2(mbfMhhfbfAcycS此文档仅供收集于网络,如有侵权请联系网站删除只供学习与交流二、阳台悬挑梁(XL1200*400)承载力验算阳台梁截面尺寸bxh=200mm*400mm,混凝土强度等级C30,弯曲抗拉强度设计值为ft=1.43N/mm2,轴心抗压强度设计值fc=14.3N/mm2,纵向受力钢筋为三级钢,fy=360N/mm2,fy'=360N/mm2,ξb=0.518,受拉钢筋为2Φ22,As=760.27mm2,受压钢筋为2Φ14,As'=308mm2,箍筋为一级钢φ8@100。fyV=270N/mm2。mmaass35'8.0,111。1、荷载统计恒载:0.2*0.4*25=2KN/M阳台施工活荷载:2.5*0.2=0.5KN/M因悬挑脚手架作用阳台连系梁传给悬挑梁端集中力为76.454KN悬挑梁根部固接于墙柱上,其受力简图如下:参照建筑结构静力计算手册(第二版)第83页,得出支座最大负弯矩MMax=2q2lpl=27.3*0.274+25.7*1.191+76.454*1.5...

1、当您付费下载文档后,您只拥有了使用权限,并不意味着购买了版权,文档只能用于自身使用,不得用于其他商业用途(如 [转卖]进行直接盈利或[编辑后售卖]进行间接盈利)。
2、本站所有内容均由合作方或网友上传,本站不对文档的完整性、权威性及其观点立场正确性做任何保证或承诺!文档内容仅供研究参考,付费前请自行鉴别。
3、如文档内容存在违规,或者侵犯商业秘密、侵犯著作权等,请点击“违规举报”。

碎片内容

悬挑脚手架作用下阳台梁承载力验算知识交流

您可能关注的文档

爱的疯狂+ 关注
实名认证
内容提供者

该用户很懒,什么也没介绍

确认删除?
VIP
微信客服
  • 扫码咨询
会员Q群
  • 会员专属群点击这里加入QQ群
客服邮箱
回到顶部