电脑桌面
添加小米粒文库到电脑桌面
安装后可以在桌面快捷访问

广西联通本地传输网工程施工规范VIP免费

广西联通本地传输网工程施工规范_第1页
1/11
广西联通本地传输网工程施工规范_第2页
2/11
广西联通本地传输网工程施工规范_第3页
3/11
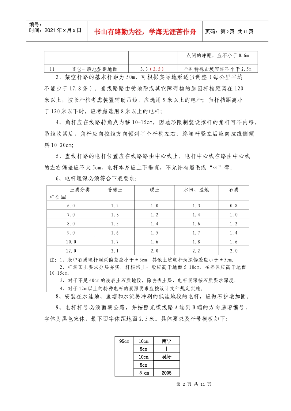
第1页共11页编号:时间:2021年x月x日书山有路勤为径,学海无涯苦作舟页码:第1页共11页附件四:广西联通光缆线路工程施工规范一、电杆安装1、为了确保架空光缆线路的安全、稳定、可靠,一般要求杆路离开水渠10m以外,离开县道、省道20m以外,离开国道、高速公路50m以外,当与其它通信杆路平行靠近时,一般应保持有10m的有效间距,与其它管线、直埋线路应保持3米的距离,一些特殊地段可适当调整。电杆与其它建筑物最小净距要求详见下表:序号建筑物名称最小水平净距备注1铁路(距最近的钢轨)地面杆高的4/32公路(距公路路肩)地面杆高或满足公路部门的要求3人行道(距边石)0.5或根据城建部门批准位置4消火栓1.05通信杆、广播杆、低压电力杆地面杆高的4/3电杆与电杆的距离6地下管线(上下水管、煤气管等)1.0电杆与地下管线平行的距离7地下管线(电信管道、直埋电缆)0.75电杆与它们平行时的距离8房屋建筑(距建筑物边缘)2.09市区树木1.2510郊区、农村树木2.02、一般选用杆高为7m,梢径为130mm。特殊地段、跨越障碍物或县、省、国道公路和铁路等可根据实际地形选用杆高,杆高选用必须符合架空光缆线路最低线条及跨越其它建筑物的最小垂直净距标准、和架空线路与其他电力交叉跨越平行时的间隔距离的要求详见下表:序号其它建筑物名称最小垂直距离(m)备注1距铁路轨面7.5缆线最低点至轨面2距公路、市区主要道路路面5.5(6.0)公路转弯处应为倾斜的最高点3距一般道路路面5.5(6.0)包括农村机耕道、农用车道等4距通航河流航帆顶点1.0在最高水位时5距不通航河流顶点2.0在最高水位时及漂浮物上6距房屋屋顶2.0跨越房顶2.0m、跨越屋脊0.6m7与其它通信线交越间距0.68距树枝顶1.59沿街坊小巷架设距地面4.010高农作物地段3.5最低缆线与农作物、农机的最高第2页共11页第1页共11页编号:时间:2021年x月x日书山有路勤为径,学海无涯苦作舟页码:第2页共11页点间的净距,应不小于0.6m11其它一般地型距地面3.3(3.5)个别特殊山坡容许不小于2.5m3、架空杆路的基本杆距为50m,可根据实际地形适当调整(每公里平均不能少于17.8条)。当线路路由受地形或其它障碍物的原因杆档距离在120米以上,按长杆档考虑装置辅助吊线,应选用9米以上的电杆;当杆挡距离小于120米以下时,应考虑选用8米以上的电杆;4、角杆应在线路转角点内移10-15cm,因地形限制装设撑杆的角杆可不内移,吊线收紧后,角杆应向拉线方向倾斜半个杆梢左右;终端杆竖立后应向拉线侧倾斜10-20cm;5、直线杆路的电杆位置应在线路路由中心线上,电杆中心线在路由中心线的左右偏差应不大5cm,电杆本身应上下垂直,不允许有眉毛或“∽”弯;6、电杆埋深必须符合下表要求:土质分类杆长(m)普通土硬土水田、湿地石质6.01.21.01.30.87.01.31.21.41.08.01.51.41.61.29.01.61.51.71.410.01.71.61.81.612.02.12.02.22.0注:1、表中石质电杆洞深偏差应小于±3cm,其他土质电杆洞深偏差应小于±5cm。2、杆洞回土要求分层夯实,杆根培土一般应高于地面5-10cm,在郊区应高于地面10-15cm。3、对于不足40cm的浅表土石质地段,除去表土层,电杆洞深按石质要求深度。4、对于12m以上的特种电杆的洞深要求应按设计文件规定实施。8、安装在水洼地、鱼塘和水流易冲刷的低洼地段的电杆,应做石护墩加固。9、电杆杆号必须面朝公路,并按照光缆线路A端到B端的方向递增编号,字体为黑色宋体,最下面字体距地面2.5米。具体要求及杆号模板如下:95cm10cm南宁5cm∣10cm吴圩5cm5cm2005第3页共11页第2页共11页编号:时间:2021年x月x日书山有路勤为径,学海无涯苦作舟页码:第3页共11页5cm10cmO5cm10cm五5cm10cm八5cm10cm九二、拉线安装1、角杆拉线抱箍应装在吊线上面间距为10cm;终端拉线与吊线共用一个抱箍,距杆梢50cm。2、杆上需装设两条吊线时,终端杆两个拉线抱箍间距为40cm;3、双方拉线抱箍应装在吊线下面10cm;四方拉线顺拉抱箍应装在吊线下面10cm,侧拉线抱箍应装在四方拉顺拉线下面10cm;4、拉线上把采用卡固法,使用三个U形卡子(即钢丝扣)各间距为100mm,再隔150mm采用3.0或1.6铁线另缠封尾5圈,具体做法详见下图:5、拉线中把采用另缠法,封尾可使用3.0或1....

1、当您付费下载文档后,您只拥有了使用权限,并不意味着购买了版权,文档只能用于自身使用,不得用于其他商业用途(如 [转卖]进行直接盈利或[编辑后售卖]进行间接盈利)。
2、本站所有内容均由合作方或网友上传,本站不对文档的完整性、权威性及其观点立场正确性做任何保证或承诺!文档内容仅供研究参考,付费前请自行鉴别。
3、如文档内容存在违规,或者侵犯商业秘密、侵犯著作权等,请点击“违规举报”。

碎片内容

广西联通本地传输网工程施工规范

确认删除?
VIP
微信客服
  • 扫码咨询
会员Q群
  • 会员专属群点击这里加入QQ群
客服邮箱
回到顶部