电脑桌面
添加小米粒文库到电脑桌面
安装后可以在桌面快捷访问

应用数字技术降低钻井成本VIP免费

应用数字技术降低钻井成本_第1页
1/10
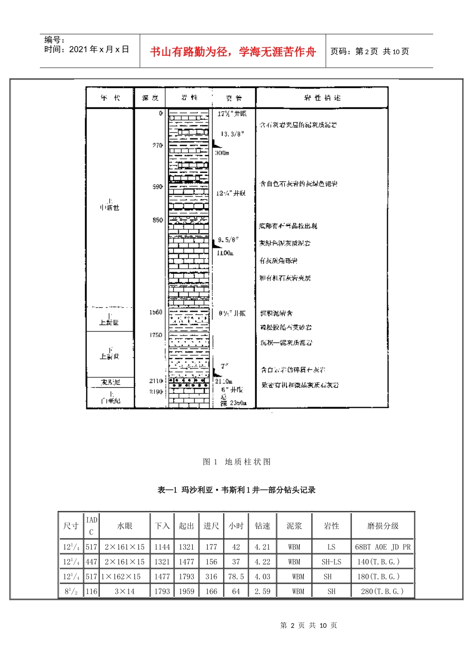
应用数字技术降低钻井成本_第2页
2/10
应用数字技术降低钻井成本_第3页
3/10
第1页共10页编号:时间:2021年x月x日书山有路勤为径,学海无涯苦作舟页码:第1页共10页摘要本文阐述了在意大利的多伦特、斯格诺油田,如何运用数字化技术优选钻头,以显著降低钻井成本。译自SPE/1ADC52877引言位于意大利中部多伦特·斯格诺油田的蒙特恩1井,设计井深2350米,钻到上白垩纪含亚平宁酸气的石灰岩,穿过一系列夹层,岩性预测及相关套管深度和尺寸参见图1。该地区地质状况复杂,砂岩和泥岩上覆有中新世逆掩断层,使得钻头设计比较困难,最靠近的邻井是玛沙利亚·韦斯利1井,蒙特恩1井的设计主要基于该井的记录。作业商最初设计42天钻至设计井深,不包括下套管和完井作业。81/2〃井段是最具挑战性的,也是本文的主题。该地区通常的做法是将套管下到中新世的底部,以防止下部上新世高压地层发生井涌。玛沙利亚·韦斯利1井表明将套管下到1100米中新世泥灰岩可以有足够的安全系数保证安全钻进。作业商也了解到主油藏石灰岩可以“裸眼完井”。这些措施将缩小井眼,大幅度降低成本。作业商设计19天钻过该井段,包括全部非钻进作业。根据预测,1100-2110米之间的81/2〃井段由致密的中新世石灰岩和含上新世胶结石英砂岩的淤积泥岩夹层组成。玛沙利亚·韦斯利1井邻井的对应段是用三个121/4〃和四个81/2〃牙轮钻头钻进,见表1所示。仅考虑钻进和起下钻时间,钻完该段用了16.7天,按照目前汇率成本为623000美元。第一个121/4〃IADC517型镶齿钻头,用于钻过上新世地层的石灰岩/泥岩段。起出后大部分切削刃损坏,看起来象是断齿。第二个121/4〃1ADC437镶齿钻头钻完上中新世底部的80米地层和中新世中部的泥岩/砂岩地层,其它的钻头钻完了中新世中段和下段的泥岩/砂岩。这些钻头起出后,切削结构几乎完好无损。基于上述考虑和岩性描述,显示81/2〃井段的最好办法是:下入钻速高的PDC钻头钻过中新世泥岩段,但是,第一个121/4〃钻头的磨损情况表明,上中新世地层的石灰岩不适于用PCD钻头,因此应选择一只牙轮钻头。第2页共10页第1页共10页编号:时间:2021年x月x日书山有路勤为径,学海无涯苦作舟页码:第2页共10页图1地质柱状图表—1玛沙利亚·韦斯利1井—部分钻头记录尺寸IADC水眼下入起出进尺小时钻速泥浆岩性磨损分级121/45172×161×1511441321177424.21WBMLS68BTA0EJDPR121/44472×161×1513211477156374.22WBMSH-LS140(T.B.G.)121/45171×162×151477179331678.54.03WBMSH180(T.B.G.)81/21163×1417931959166642.59WBMSH280(T.B.G.)第3页共10页第2页共10页编号:时间:2021年x月x日书山有路勤为径,学海无涯苦作舟页码:第3页共10页81/21161×142×121960213917954.53.28WBMSH150(T.B.G.)81/21161×142×1221392239100392.56WBMSH-LS240(T.B.G.)81/25173×16223922531443.5WBMSH-LS010(T.B.G.)LS—石灰岩SH—泥岩T—牙齿B—轴承G—保径图2是最初的钻头设计,要求用一只81/2〃IADC-447型牙轮钻头钻过300米的石灰岩,一只81/2〃IADCM332型PDC钻头钻过中新世泥岩。第一个牙轮钻头应以4.5m/h的钻速钻完致密的石灰岩,PDC钻头应以5m/h钻完全段。预计该段可以用9.6天钻完,总成本约266000美元。第4页共10页第3页共10页编号:时间:2021年x月x日书山有路勤为径,学海无涯苦作舟页码:第4页共10页图2钻井进度曲线为这一目的,作业者向几个钻头厂商提供了玛沙利亚·韦利斯1井的电缆测井资料。这些资料先后用多种软件分析。所有钻头厂商起初设计要求用一个或两个牙轮钻头钻过上中新世和一个钻速高的PCD钻头钻过中新世中段。但是,一个钻头厂商提议用一只PDC钻完全段。第5页共10页第4页共10页编号:时间:2021年x月x日书山有路勤为径,学海无涯苦作舟页码:第5页共10页基于这些结果和计算分析,作业者选中了一个特殊钻头生产商的结果,这是由于它对预测下部无约束压缩的可靠性。该程序计算出中新世石灰岩的无约束压缩强度值为10000-20000psi。其声波数据传输值为45-60μ/ft,如图3。该程序建议这些石灰岩可以用PDC钻头,只要它坚固足以破坏地层强度。作业者最初怀疑这一建议。但签订了一个共担经济风险的协议后,作业者决定使用该钻头。钻头公司不得不研究切削刃技术以便能经受研磨性石灰岩的...

1、当您付费下载文档后,您只拥有了使用权限,并不意味着购买了版权,文档只能用于自身使用,不得用于其他商业用途(如 [转卖]进行直接盈利或[编辑后售卖]进行间接盈利)。
2、本站所有内容均由合作方或网友上传,本站不对文档的完整性、权威性及其观点立场正确性做任何保证或承诺!文档内容仅供研究参考,付费前请自行鉴别。
3、如文档内容存在违规,或者侵犯商业秘密、侵犯著作权等,请点击“违规举报”。

碎片内容

应用数字技术降低钻井成本

您可能关注的文档

确认删除?
VIP
微信客服
  • 扫码咨询
会员Q群
  • 会员专属群点击这里加入QQ群
客服邮箱
回到顶部