电脑桌面
添加小米粒文库到电脑桌面
安装后可以在桌面快捷访问

建筑节能设计计算报告书VIP免费

建筑节能设计计算报告书_第1页
1/15
建筑节能设计计算报告书_第2页
2/15
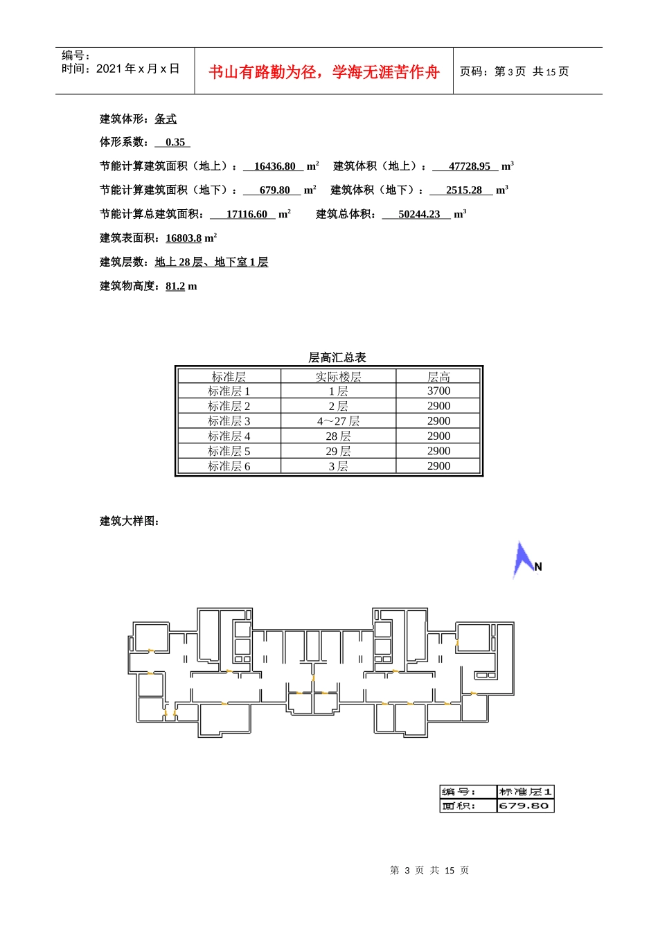
建筑节能设计计算报告书_第3页
3/15
杨浦区143街坊2号楼建筑节能设计计算报告书项目设计阶段设计人:校对人:审核人:注册建筑师:设计单位:(章)计算软件:建筑节能设计分析软件开发单位:中国建筑科学研究院应用版本:1.10.a版第2页共15页编号:时间:2021年x月x日书山有路勤为径,学海无涯苦作舟页码:第2页共15页2号楼建筑节能计算分析报告书此项目判定依据为《夏热冬冷地区居住建筑节能设计标准》项目名称:杨浦区143街坊2号楼项目地址:建设单位:上海正海房地产开发有限公司设计单位:上海城乡建筑设计院有限公司施工单位:设计依据:1、《夏热冬冷地区居住建筑节能设计标准》(JGJ134-2001)。2、《上海市建设和交通委员会关于进一步加强本市民用建筑节能设计技术管理的通知》沪建交〔2006〕765号。3、《民用建筑热工设计规范》(GB50176-93)。4、《建筑外窗气密性能分级及其检测方法》(GB/T7107-2002)。5、《住宅建筑围护结构节能应用技术规程》DG/TJ08-206-2002。一.建筑概况建筑类型的区划分依据《住宅设计规范(2003年版)》GB50096-1999:低层住宅:一至三层的住宅;多层住宅:四至六层的住宅;中高层:七至九层的住宅;高层住宅:十层以上的住宅。中高层住宅在进行建筑节能综合指标计算时按照高层住宅的计算和判定方法。该建筑类型为:□多层□低层√高层城市:上海(北纬=31.17°,东经=121.43°)地区:夏热冬冷建筑名称:2号楼建筑朝向:南偏西10度第3页共15页第2页共15页编号:时间:2021年x月x日书山有路勤为径,学海无涯苦作舟页码:第3页共15页建筑体形:条式体形系数:0.35节能计算建筑面积(地上):16436.80m2建筑体积(地上):47728.95m3节能计算建筑面积(地下):679.80m2建筑体积(地下):2515.28m3节能计算总建筑面积:17116.60m2建筑总体积:50244.23m3建筑表面积:16803.8m2建筑层数:地上28层、地下室1层建筑物高度:81.2m层高汇总表标准层实际楼层层高标准层11层3700标准层22层2900标准层34~27层2900标准层428层2900标准层529层2900标准层63层2900建筑大样图:第4页共15页第3页共15页编号:时间:2021年x月x日书山有路勤为径,学海无涯苦作舟页码:第4页共15页二.建筑围护结构1.围护结构构造软件热工参数计算取两位有效数字。本工程是否设计非透明幕墙是□否√外墙类型1:水泥砂浆(6mm)+无机保温砂浆(25mm)+钢筋混凝土(300mm)+水泥砂浆(20mm)屋面类型1:细石混凝土(内配筋)(40mm)+水泥砂浆(20mm)+挤塑聚苯板(30mm)+水泥砂浆(20mm)+轻集料混凝土浇捣(屋面找坡)(30mm)+钢筋混凝土(120mm)屋面类型2:水泥砂浆(20mm)+水泥砂浆(20mm)+挤塑聚苯板(30mm)+水泥砂浆(20mm)+轻集料混凝土浇捣(屋面找坡)(30mm)+钢筋混凝土(120mm)分户墙类型1:石灰水泥砂浆(20mm)+三排孔混凝土小砌块(190厚)(盲孔)(200mm)+石灰水泥砂浆(20mm)非独立的封闭式汽车库、自行车库和机电设备用房与相邻功能房间的楼板类型1:碎石,卵石混凝土1(30mm)+钢筋混凝土(120mm)+无机保温砂浆(20mm)普通层间楼板类型1:碎石,卵石混凝土1(30mm)+钢筋混凝土(120mm)底部自然通风的架空楼板类型1:水泥砂浆(20mm)+钢筋混凝土(120mm)+水泥砂浆(20mm)外窗类型1:铝合金低辐射中空玻璃窗(6+12A+6遮阳型),自身遮阳系数0.64,传热系数3.2W/m2.K外窗类型2:铝合金普通中空玻璃窗(6+9A+6),自身遮阳系数0.83,传热系数3.6W/m2.K户门类型1:木(塑料)框单层实体门,传热系数2.77W/m2.K凸窗类型1:断热铝合金低辐射中空玻璃窗(6+12A+6遮阳型),自身遮阳系数第5页共15页第4页共15页编号:时间:2021年x月x日书山有路勤为径,学海无涯苦作舟页码:第5页共15页0.57,传热系数2.25W/m2.K2.建筑热工节能计算汇总表主要热工性能参数:外墙类型传热系数表1外墙类型1每层材料名称厚度(mm)导热系数W/(m.K)蓄热系数W/(m2.K)热阻值(m2.K)/W热惰性指标D=R.S导热系数修正系数水泥砂浆60.93011.370.010.071.00无机保温砂浆250.0522.300.421.111.15钢筋混凝土3001.74017.200.172.971.00水泥砂浆200.93011.370.020.241.00墙体各层之和3510.624.39墙体热阻Ro=Ri+∑R+Re=0.78(m2.K/W)墙体传热...

1、当您付费下载文档后,您只拥有了使用权限,并不意味着购买了版权,文档只能用于自身使用,不得用于其他商业用途(如 [转卖]进行直接盈利或[编辑后售卖]进行间接盈利)。
2、本站所有内容均由合作方或网友上传,本站不对文档的完整性、权威性及其观点立场正确性做任何保证或承诺!文档内容仅供研究参考,付费前请自行鉴别。
3、如文档内容存在违规,或者侵犯商业秘密、侵犯著作权等,请点击“违规举报”。

碎片内容

建筑节能设计计算报告书

您可能关注的文档

确认删除?
VIP
微信客服
  • 扫码咨询
会员Q群
  • 会员专属群点击这里加入QQ群
客服邮箱
回到顶部