电脑桌面
添加小米粒文库到电脑桌面
安装后可以在桌面快捷访问

成本中心年度计划流程简介VIP免费

成本中心年度计划流程简介_第1页
1/102
成本中心年度计划流程简介_第2页
2/102
成本中心年度计划流程简介_第3页
3/102
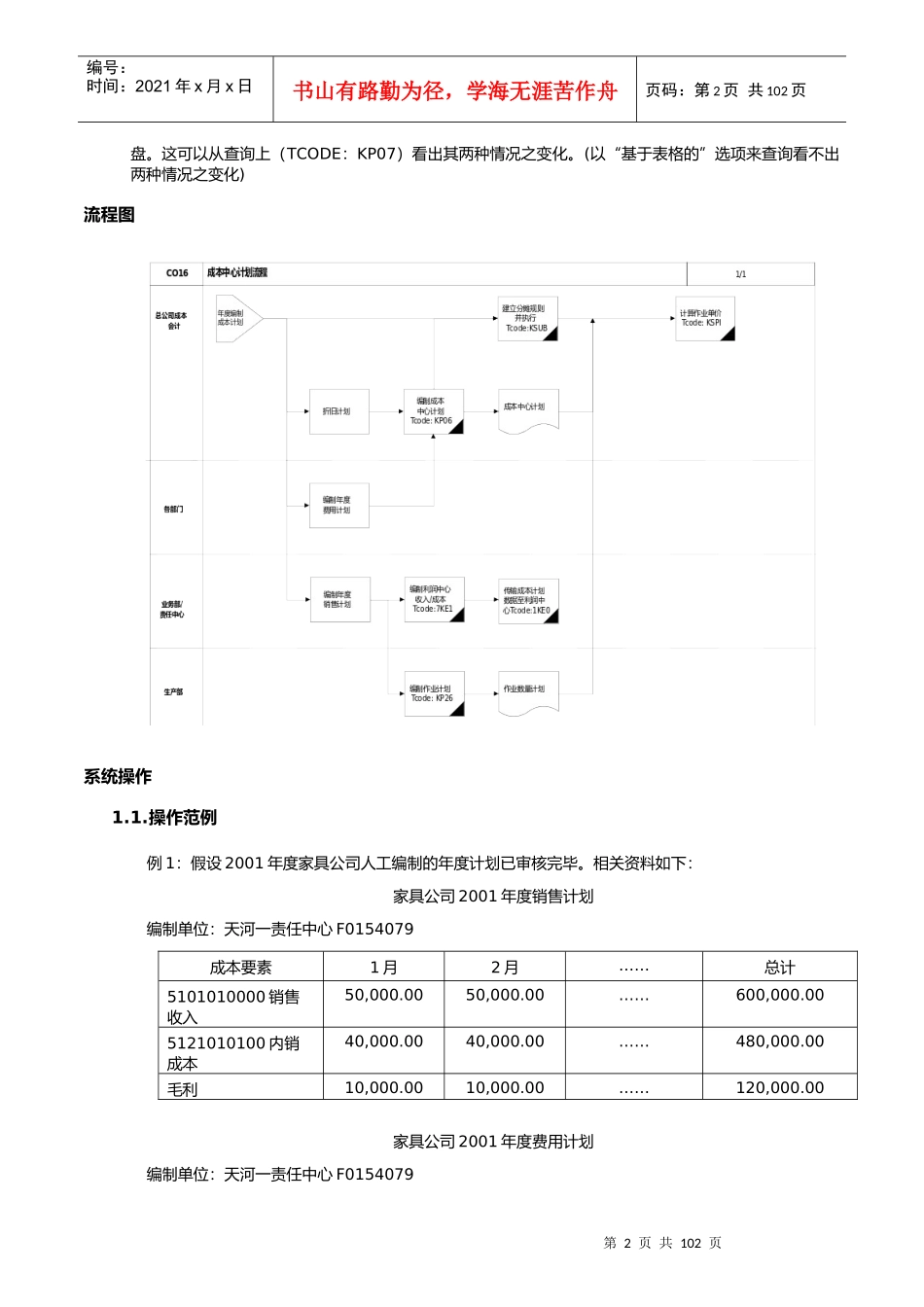
第1页共102页编号:时间:2021年x月x日书山有路勤为径,学海无涯苦作舟页码:第1页共102页成本中心计划(年度计划)流程本流程描述将公司编制的年度计划数据在SAP系统维护之处理过程。一般地,家具公司目前编制的年度计划主要包括销售计划和费用计划(包括管理费用、销售费用、财务费用、制造费用)及存货进出存计划。在这里,存货进出存计划是针对总额来编制的(来源于销售计划中的总额),而在SAP系统中,存货进出存计划必须来源于销售计划中销售详细明细(包括商品数量、单价等),因此目前人工编制的存货进出存计划在SAP中不适用。使用了SAP系统成本中心计划(含利润中心计划,下同)功能后,并不等于现行人工编制的年度计划不要做了,相反,SAP系统的成本中心计划更离不开人工编制的年度计划。另外,对于生产成本计划,除了编制费用计划外,另须编制生产工时计划。满足了这两项基本条件后才能进行制造费用的分摊并计算其计划作业单价。制造费用的分摊规则和作业单价的计算必须事先于系统中建立才能进行(SAP系统称为循环)。而在计算实际成本分摊时亦是如此,故计划的分摊规则与实际是相同的,只不过计划的分摊规则计算的是计划数据,实际的分摊规则计算的是实际数据而已。系统上线时该分摊规则已经建立,成本岗位人员月底结帐时只须调用即可。家具公司的成本分摊流程总图详见附件一,与之相应,制造费用具体分摊规则详见附件二。成本分摊原则:1)用人费用以消耗的人工工时分摊;2)事务费用(不包括水电费、物料消耗部分)以消耗的人工工时分摊;3)事务费用(水费、物料消耗部分)以消耗的机器工时分摊,事务费用(仅电费部分)以消耗的机器功率*机器工时分摊,各生产车间机器设备功率统计资料详见附件三;4)设备费用以消耗的机器工时分摊。在输入生产成本计划时应注意以下事项1)生产车间(与工作中心一一对应)的费用(生产成本-直接人工4101020000和制造费用)无论发生与否,均须KEYIN(包括该费用为零之部分)。同时输入时该费用与人工工时或机器工时有关。对于生产成本-委外加工费4101040000则无须做成本计划,因为该费用之摊销根据ROUTING(工艺路线)中的委外加工ROUNTING并由该ROUNTING自动调用采购之INFORMATIONRECORD(采购信息记录)中相关资料及采购单价来决定直接摊至产品工单上去。12个生产车间与PP模组所定义的工作中心对应关系如下表:生产车间工作中心F0011037机械组(车间)F0011090NCT组(车间)F0011091屏风机械组(车间)F0011027熔接车间F0011074本体线车间F0011093屏风熔接车间F0011059涂装组(车间)F0011073组立组(车间)F0011094屏风框架(车间)F0011095屏风挂板(车间)F0011096天板组立(车间)F0011045椅子组立(车间)1010机械工作中心1011NCT工作中心、1012屏风机械工作中心1020熔接工作中心1022本体线工作中心1021屏风熔接工作中心1030涂装工作中心1040组立工作中心1050屏风框架工作中心1051屏风挂板工作中心1041天板组立工作中心1060椅子工作中心2)在与人工工时或机器工时相关的费用为零时,实务操作上,该费用不能直接输入零(直接输入零存盘后系统认为该费用与人工工时或机器工时无关),而是先输入一个数字存盘,然后再将该数字修改为零存第2页共102页第1页共102页编号:时间:2021年x月x日书山有路勤为径,学海无涯苦作舟页码:第2页共102页盘。这可以从查询上(TCODE:KP07)看出其两种情况之变化。(以“基于表格的”选项来查询看不出两种情况之变化)流程图系统操作1.1.操作范例例1:假设2001年度家具公司人工编制的年度计划已审核完毕。相关资料如下:家具公司2001年度销售计划编制单位:天河一责任中心F0154079成本要素1月2月……总计5101010000销售收入50,000.0050,000.00……600,000.005121010100内销成本40,000.0040,000.00……480,000.00毛利10,000.0010,000.00……120,000.00家具公司2001年度费用计划编制单位:天河一责任中心F0154079第3页共102页第2页共102页编号:时间:2021年x月x日书山有路勤为径,学海无涯苦作舟页码:第3页共102页成本要素1月2月……总计5131010110薪资1,000.001,000.00……12,000.005131020100办公...

1、当您付费下载文档后,您只拥有了使用权限,并不意味着购买了版权,文档只能用于自身使用,不得用于其他商业用途(如 [转卖]进行直接盈利或[编辑后售卖]进行间接盈利)。
2、本站所有内容均由合作方或网友上传,本站不对文档的完整性、权威性及其观点立场正确性做任何保证或承诺!文档内容仅供研究参考,付费前请自行鉴别。
3、如文档内容存在违规,或者侵犯商业秘密、侵犯著作权等,请点击“违规举报”。

碎片内容

成本中心年度计划流程简介

确认删除?
VIP
微信客服
  • 扫码咨询
会员Q群
  • 会员专属群点击这里加入QQ群
客服邮箱
回到顶部