电脑桌面
添加小米粒文库到电脑桌面
安装后可以在桌面快捷访问

高考物理总复习 第31讲 实验六 决定导线电阻的因素讲义-人教版高三物理试题VIP免费

高考物理总复习 第31讲 实验六 决定导线电阻的因素讲义-人教版高三物理试题_第1页
1/14
高考物理总复习 第31讲 实验六 决定导线电阻的因素讲义-人教版高三物理试题_第2页
2/14
高考物理总复习 第31讲 实验六 决定导线电阻的因素讲义-人教版高三物理试题_第3页
3/14
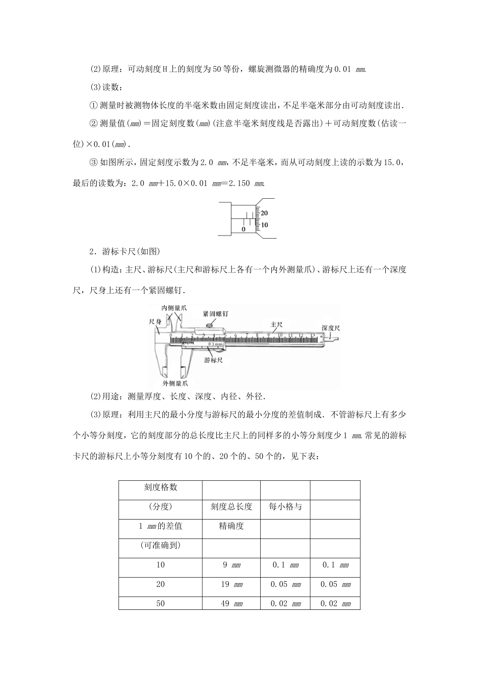
第31讲实验六:决定导线电阻的因素考情剖析考查内容考纲要求考查年份考查详情能力要求实验、探究:决定导线电阻的因素14年T10—实验,考查螺旋测微器的读数、测量合金丝的电阻分析综合、实验与探究弱项清单1.游标卡尺无需估读,搞清不同分度的游标尺的精度;螺旋测微器微分套筒刻度必须要估读,主尺读数注意半毫米刻度是否露出;2.测电阻时注意选用电流表的内外接法及滑动变阻器的限流分压式接法.实验储备一、螺旋测微器和游标卡尺的使用1.螺旋测微器(1)构造:如图,S为固定刻度,H为可动刻度.(2)原理:可动刻度H上的刻度为50等份,螺旋测微器的精确度为0.01mm.(3)读数:①测量时被测物体长度的半毫米数由固定刻度读出,不足半毫米部分由可动刻度读出.②测量值(mm)=固定刻度数(mm)(注意半毫米刻度线是否露出)+可动刻度数(估读一位)×0.01(mm).③如图所示,固定刻度示数为2.0mm,不足半毫米,而从可动刻度上读的示数为15.0,最后的读数为:2.0mm+15.0×0.01mm=2.150mm.2.游标卡尺(如图)(1)构造:主尺、游标尺(主尺和游标尺上各有一个内外测量爪)、游标尺上还有一个深度尺,尺身上还有一个紧固螺钉.(2)用途:测量厚度、长度、深度、内径、外径.(3)原理:利用主尺的最小分度与游标尺的最小分度的差值制成.不管游标尺上有多少个小等分刻度,它的刻度部分的总长度比主尺上的同样多的小等分刻度少1mm.常见的游标卡尺的游标尺上小等分刻度有10个的、20个的、50个的,见下表:刻度格数(分度)刻度总长度每小格与1mm的差值精确度(可准确到)109mm0.1mm0.1mm2019mm0.05mm0.05mm5049mm0.02mm0.02mm(4)读数:若用x表示由主尺上读出的整毫米数,k表示从游标尺上读出与主尺上某一刻线对齐的游标的格数,则记录结果表达为(x+k×精确度)mm.二、伏安法测电阻1.电流表的内接法和外接法的比较内接法外接法电路图误差原因电流表分压U测=Ux+UA电压表分流I测=Ix+IV电阻测量值R测==Rx+RA>Rx测量值大于真实值R测==,则用电流表外接法.若<,则用电流表内接法.(3)试触法:如图所示,将电压表分别接在a、c和b、c两点间时,若电流表示数变化较大,说明电压表分流较大,应选用内接法,若电压表示数变化较大,则选用外接法.3.滑动变阻器的限流接法和分压接法(1)两种接法比较方式内容限流接法分压接法对比说明两种接法电路图串、并联关系不同负载R上电压调节范围≤U≤E0≤U≤E分压接法电压能从零开始连续变化调节范围大负载R上电流调节范围≤I≤0≤I≤分压接法调节范围大闭合S前触头位置b端a端都是为了保护电路元件(2)分压和限流电路的选择原则①若采用限流式接法不能控制电流满足实验要求,即若滑动变阻器阻值调到最大时,待测电阻上的电流(或电压)仍超过电流表(或电压表)的量程,或超过待测电阻的额定电流(或电压),则必须选用分压式电路.②若待测电阻的阻值比滑动变阻器总电阻大得多,以致在限流电路中,滑动变阻器的滑片从一端滑到另一端时,待测电阻上的电流或电压变化范围不够大,此时,应改用分压式电路.③若实验中要求电压从零开始调节,则必须采用分压式电路.④两种电路均可使用的情况下,应优先采用限流式接法,因为限流式接法电路简单、能耗低.4.电阻率的测定原理把金属丝接入如图所示的电路中,用电压表测金属丝两端的电压,用电流表测金属丝中的电流,根据Rx=计算金属丝的电阻Rx,然后用毫米刻度尺测量金属丝的有效长度l,用螺旋测微器测量金属丝的直径d,计算出金属丝的横截面积S,根据电阻定律Rx=,得出计算金属丝电阻率的公式ρ==.技能优化【典型例题1】下图螺旋测微器的读数为________mm,游标卡尺的读数为________cm.【典型例题2】在“测定金属的电阻率”实验中,所用测量仪器均已校准.待测金属丝接入电路部分的长度约为50cm.(1)用螺旋测微器测量金属丝的直径,其中某一次测量结果如图所...

1、当您付费下载文档后,您只拥有了使用权限,并不意味着购买了版权,文档只能用于自身使用,不得用于其他商业用途(如 [转卖]进行直接盈利或[编辑后售卖]进行间接盈利)。
2、本站所有内容均由合作方或网友上传,本站不对文档的完整性、权威性及其观点立场正确性做任何保证或承诺!文档内容仅供研究参考,付费前请自行鉴别。
3、如文档内容存在违规,或者侵犯商业秘密、侵犯著作权等,请点击“违规举报”。

碎片内容

高考物理总复习 第31讲 实验六 决定导线电阻的因素讲义-人教版高三物理试题

文章天下+ 关注
实名认证
内容提供者

各种文档应有尽有

确认删除?
VIP
微信客服
  • 扫码咨询
会员Q群
  • 会员专属群点击这里加入QQ群
客服邮箱
回到顶部