电脑桌面
添加小米粒文库到电脑桌面
安装后可以在桌面快捷访问

施工单位常用表格_2VIP免费

施工单位常用表格_2_第1页
1/91
施工单位常用表格_2_第2页
2/91
施工单位常用表格_2_第3页
3/91
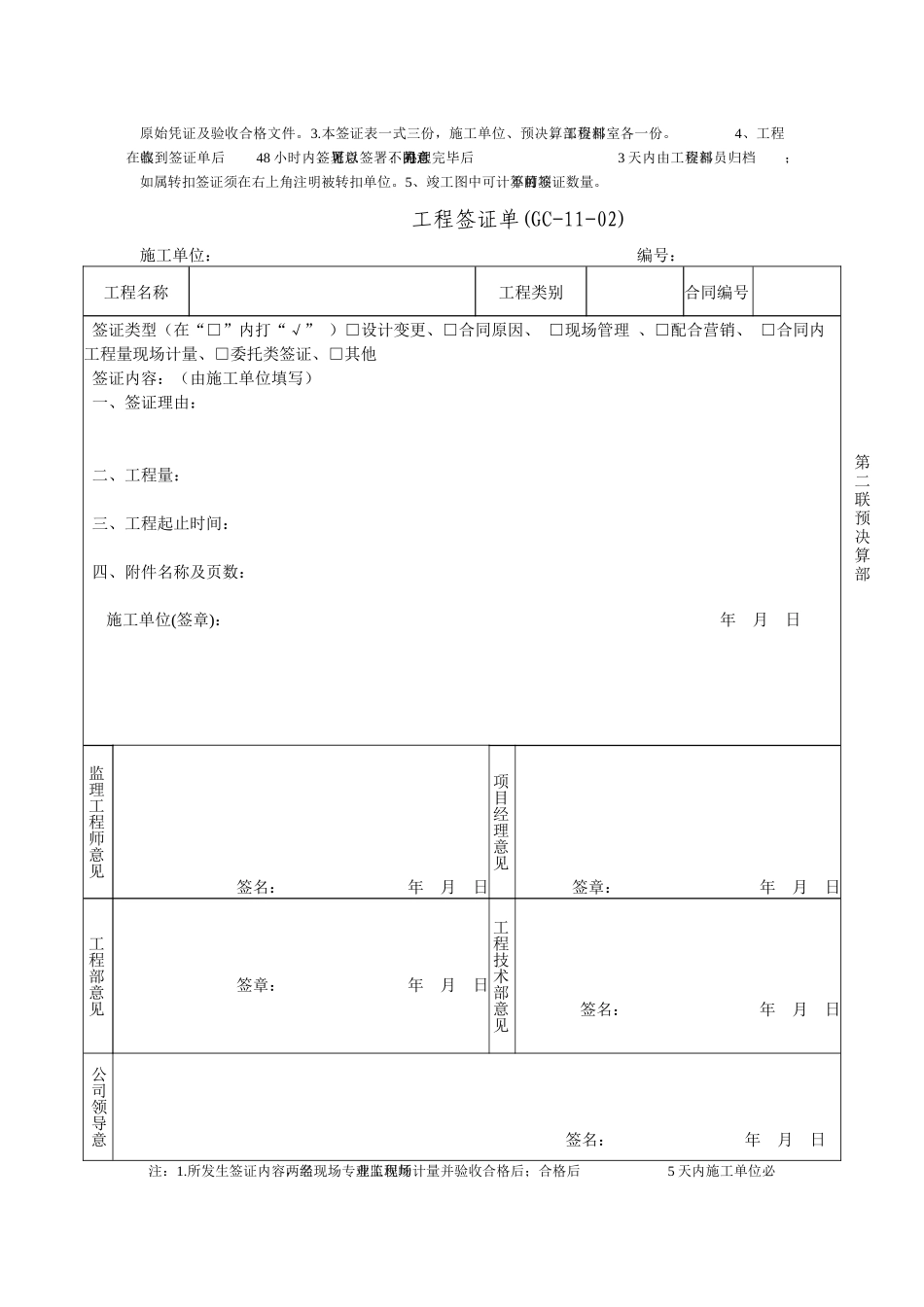
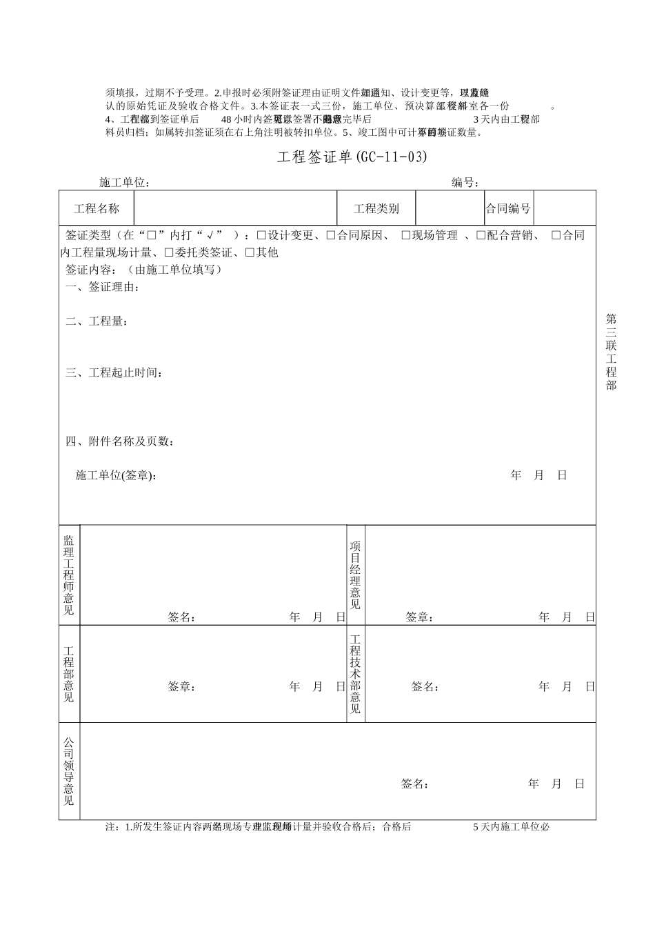
工程签证单(GC-11-01)施工单位:编号:(按恒大档案管理办法编号,咨询资料员)工程名称工程类别合同编号签证类型(在“□”内打“√”):□设计变更、□合同原因、□现场管理、□配合营销、□合同内工程量现场计量、□委托类签证、□其他签证内容:(由施工单位填写)一、签证理由:二、工程量:三、工程起止时间及完成情况:四、附件名称及页数:施工单位(签章):年月日监理工程师意见签名:年月日项目经理意见签章:年月日工程部意见签章:年月日工程技术部意见签名:年月日公司领导意见签名:年月日注:1.所发生签证内容,经两名现场专业监理工程师现场计量并验收合格后;合格后5天内施工单位必须填报,过期不予受理。2.申报时必须附签证理由证明文件如监理通知、设计变更等,以及经监理方确认的第一联施工单位原始凭证及验收合格文件。3.本签证表一式三份,施工单位、预决算部、工程部资料室各一份。4、工程部在收到签证单后48小时内签署意见,可以签署不同意的意见;办理完毕后3天内由工程部资料员归档;如属转扣签证须在右上角注明被转扣单位。5、竣工图中可计算的项目不可签证数量。工程签证单(GC-11-02)施工单位:编号:工程名称工程类别合同编号签证类型(在“□”内打“√”)□设计变更、□合同原因、□现场管理、□配合营销、□合同内工程量现场计量、□委托类签证、□其他签证内容:(由施工单位填写)一、签证理由:二、工程量:三、工程起止时间:四、附件名称及页数:施工单位(签章):年月日监理工程师意见签名:年月日项目经理意见签章:年月日工程部意见签章:年月日工程技术部意见签名:年月日公司领导意见签名:年月日注:1.所发生签证内容,经两名现场专业监理工程师现场计量并验收合格后;合格后5天内施工单位必第二联预决算部须填报,过期不予受理。2.申报时必须附签证理由证明文件如监理通知、设计变更等,以及经监理方确认的原始凭证及验收合格文件。3.本签证表一式三份,施工单位、预决算部、工程部资料室各一份。4、工程部在收到签证单后48小时内签署意见,可以签署不同意的意见;办理完毕后3天内由工程部资料员归档;如属转扣签证须在右上角注明被转扣单位。5、竣工图中可计算的项目不可签证数量。工程签证单(GC-11-03)施工单位:编号:工程名称工程类别合同编号签证类型(在“□”内打“√”):□设计变更、□合同原因、□现场管理、□配合营销、□合同内工程量现场计量、□委托类签证、□其他签证内容:(由施工单位填写)一、签证理由:二、工程量:三、工程起止时间:四、附件名称及页数:施工单位(签章):年月日监理工程师意见签名:年月日项目经理意见签章:年月日工程部意见签章:年月日工程技术部意见签名:年月日公司领导意见签名:年月日注:1.所发生签证内容,经两名现场专业监理工程师现场计量并验收合格后;合格后5天内施工单位必第三联工程部须填报,过期不予受理。2.申报时必须附签证理由证明文件如监理通知、设计变更等,以及经监理方确认的原始凭证及验收合格文件。3.本签证表一式三份,施工单位、预决算部、工程部资料室各一份。4、工程部在收到签证单后48小时内签署意见,可以签署不同意的意见;办理完毕后3天内由工程部资料员归档;如属转扣签证须在右上角注明被转扣单位。5、竣工图中可计算的项目不可签证数量。工程签证原始记录凭证(GC-12)建设单位:施工单位:签证单编号:施工单位:监理工程师签名:日期:项目经理签名:日期:注:原始记录凭证须两名或两名以上监理工程师当天签署,原始记录上必须注明工程内容的具体位置和部位,必要时需附图及照片标注,以满足计量、计价要求。材料使用许可证(GC-13)钢筋(GC-13-01)工程名称:编号:施工单位:供货单位:进场时间:验收时间:规格(mm)使用部位进货数量/进货批次生产厂家(产地)以及与合同约定品牌是否相符产品合格证产品质量检验报告直径实测值(mm)外观质量检查/检测/验收人见证取样见证人:组数/编号组组组组检测结果施工单位:监理单位:建设单位:项目负责人(签名):年月日总监/监理工程师(签名):年月日工程部经理/项目经理(签名):年月日备注:1...

1、当您付费下载文档后,您只拥有了使用权限,并不意味着购买了版权,文档只能用于自身使用,不得用于其他商业用途(如 [转卖]进行直接盈利或[编辑后售卖]进行间接盈利)。
2、本站所有内容均由合作方或网友上传,本站不对文档的完整性、权威性及其观点立场正确性做任何保证或承诺!文档内容仅供研究参考,付费前请自行鉴别。
3、如文档内容存在违规,或者侵犯商业秘密、侵犯著作权等,请点击“违规举报”。

碎片内容

施工单位常用表格_2

中小学资料+ 关注
实名认证
内容提供者

精美课件,值得下载

相关文档

确认删除?
VIP
微信客服
  • 扫码咨询
会员Q群
  • 会员专属群点击这里加入QQ群
客服邮箱
回到顶部