电脑桌面
添加小米粒文库到电脑桌面
安装后可以在桌面快捷访问

最新版常规项目排放标准-5VIP免费

最新版常规项目排放标准-5_第1页
1/116
最新版常规项目排放标准-5_第2页
2/116
最新版常规项目排放标准-5_第3页
3/116
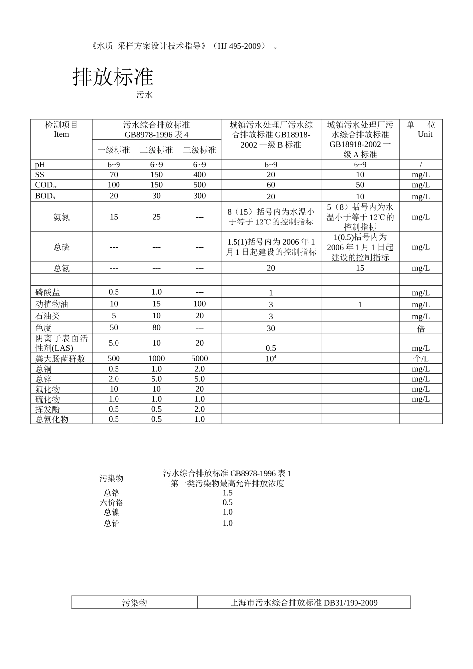
《水质总有机碳的测定燃烧氧化—非分散红外吸收法》(HJ501-2009);《水质挥发酚的测定溴化容量法》(HJ502-2009);《水质挥发酚的测定4-氨基安替比林分光光度法》(HJ503-2009);《环境空气臭氧的测定靛蓝二磺酸钠分光光度法》(HJ504-2009);《水质五日生化需氧量(BOD5)的测定稀释与接种法》(HJ505-2009);《水质溶解氧的测定电化学探头法》(HJ506-2009)。《水质多环芳烃的测定液液萃取和固相萃取高效液相色谱法》(HJ478-2009);《环境空气氮氧化物(一氧化氮和二氧化氮)的测定盐酸萘乙二胺分光光度法》(HJ479-2009);《环境空气氟化物的测定滤膜采样氟离子选择电极法》(HJ480-2009);《环境空气氟化物的测定石灰滤纸采样氟离子选择电极法》(HJ481-2009);《环境空气二氧化硫的测定甲醛吸收-副玫瑰苯胺分光光度法》(HJ482-2009);《环境空气二氧化硫的测定四氯汞盐吸收-副玫瑰苯胺分光光度法》(HJ483-2009);《水质氰化物的测定容量法和分光光度法》(HJ484-2009);《水质铜的测定二乙基二硫代氨基甲酸钠分光光度法》(HJ485-2009);《水质铜的测定2,9-二甲基-1,10菲萝啉分光光度法》(HJ486-2009);《水质氟化物的测定茜素磺酸锆目视比色法》(HJ487-2009);《水质氟化物的测定氟试剂分光光度法》(HJ488-2009);《水质银的测定3,5-Br2-PADAP分光光度法》(HJ489-2009);《水质银的测定镉试剂2B分光光度法》(HJ490-2009);《土壤总铬的测定火焰原子吸收分光光度法》(HJ491-2009);《空气质量词汇》(HJ492-2009);《水质采样样品的保存和管理技术规定》(HJ493-2009);《水质采样技术指导》(HJ494-2009);《水质采样方案设计技术指导》(HJ495-2009)。排放标准污水污染物上海市污水综合排放标准DB31/199-2009检测项目Item污水综合排放标准GB8978-1996表4城镇污水处理厂污水综合排放标准GB18918-2002一级B标准城镇污水处理厂污水综合排放标准GB18918-2002一级A标准单位Unit一级标准二级标准三级标准pH6~96~96~96~96~9/SS701504002010mg/LCODcr1001505006050mg/LBOD520303002010mg/L氨氮1525---8(15)括号内为水温小于等于12℃的控制指标5(8)括号内为水温小于等于12℃的控制指标mg/L总磷---------1.5(1)括号内为2006年1月1日起建设的控制指标1(0.5)括号内为2006年1月1日起建设的控制指标mg/L总氮---------2015mg/L磷酸盐0.51.0---1mg/L动植物油101510031mg/L石油类510203mg/L色度5080---30倍阴离子表面活性剂(LAS)5.010200.5mg/L粪大肠菌群数50010005000104个/L总铜0.51.02.0mg/L总锌2.05.05.0mg/L氟化物101020mg/L硫化物1.01.01.0mg/L挥发酚0.50.52.0总氰化物0.50.51.0污染物污水综合排放标准GB8978-1996表1第一类污染物最高允许排放浓度总铬1.5六价铬0.5总镍1.0总铅1.0表1第一类污染物排放限值A级标准B级标准总镍0.11.0总铅0.11.0六价铬0.050.5总铬0.151.5总锡5.05.0检测项目Item上海市污水综合排放标准DB31/199-2009表2单位Unit特殊保护水域标准一级标准二级标准pH6~96~96~9/SS506070mg/LCODCr6080100mg/LBOD5152030mg/L氨氮81015mg/L总氮(以N计)202535mg/L总磷(以P计)0.50.51.0mg/L动植物油51015mg/L石油类3510mg/L色度405050倍阴离子表面活性剂(LAS)3.05.010mg/L硫化物0.50.81.0mg/L挥发酚0.20.20.5mg/L氟化物(以F-计)81010mg/L总铜0.20.51.0mg/L总锌1.02.04.0mg/L总锰1.02.02.0mg/L检测项目Item上海市地方标准污水排入城镇下水道水质标准DB31/445-2009单位UnitpH6~9/悬浮物(SS)400mg/LCODCr500mg/LBOD5300mg/L氨氮(NH3-N)40mg/L总磷(TP)8mg/L色度(稀释倍数)60度动植物油100mg/L石油类20mg/L阴离子表面活性剂(LAS)15mg/LATTEHLSH00155声校准器AWA6221B6221B1856ATTEHLSH00156声校准器AWA6221B6221B1870ATTEHLSH00157声校准器AWA6221B6221B1823ATTEHLSH00159环境震动分析仪AWA6256B35830ATTEHLSH00163声校准器AWA6221B6221B1827ATTEHLSH00164声校准器AWA6221B6221B1835ATTEHLSH00165噪声统计分析仪AWA6218B+037573ATTEHLSH00166噪声统计分析仪AWA6218B+037583ATTEHLSH00086新噪声统计分析仪AWA6218B029393ATTEHLSH00048SHTP-028积分声...

1、当您付费下载文档后,您只拥有了使用权限,并不意味着购买了版权,文档只能用于自身使用,不得用于其他商业用途(如 [转卖]进行直接盈利或[编辑后售卖]进行间接盈利)。
2、本站所有内容均由合作方或网友上传,本站不对文档的完整性、权威性及其观点立场正确性做任何保证或承诺!文档内容仅供研究参考,付费前请自行鉴别。
3、如文档内容存在违规,或者侵犯商业秘密、侵犯著作权等,请点击“违规举报”。

碎片内容

最新版常规项目排放标准-5

您可能关注的文档

确认删除?
VIP
微信客服
  • 扫码咨询
会员Q群
  • 会员专属群点击这里加入QQ群
客服邮箱
回到顶部