电脑桌面
添加小米粒文库到电脑桌面
安装后可以在桌面快捷访问

材料成本差异分摊方法探讨VIP免费

材料成本差异分摊方法探讨_第1页
1/7
材料成本差异分摊方法探讨_第2页
2/7
材料成本差异分摊方法探讨_第3页
3/7
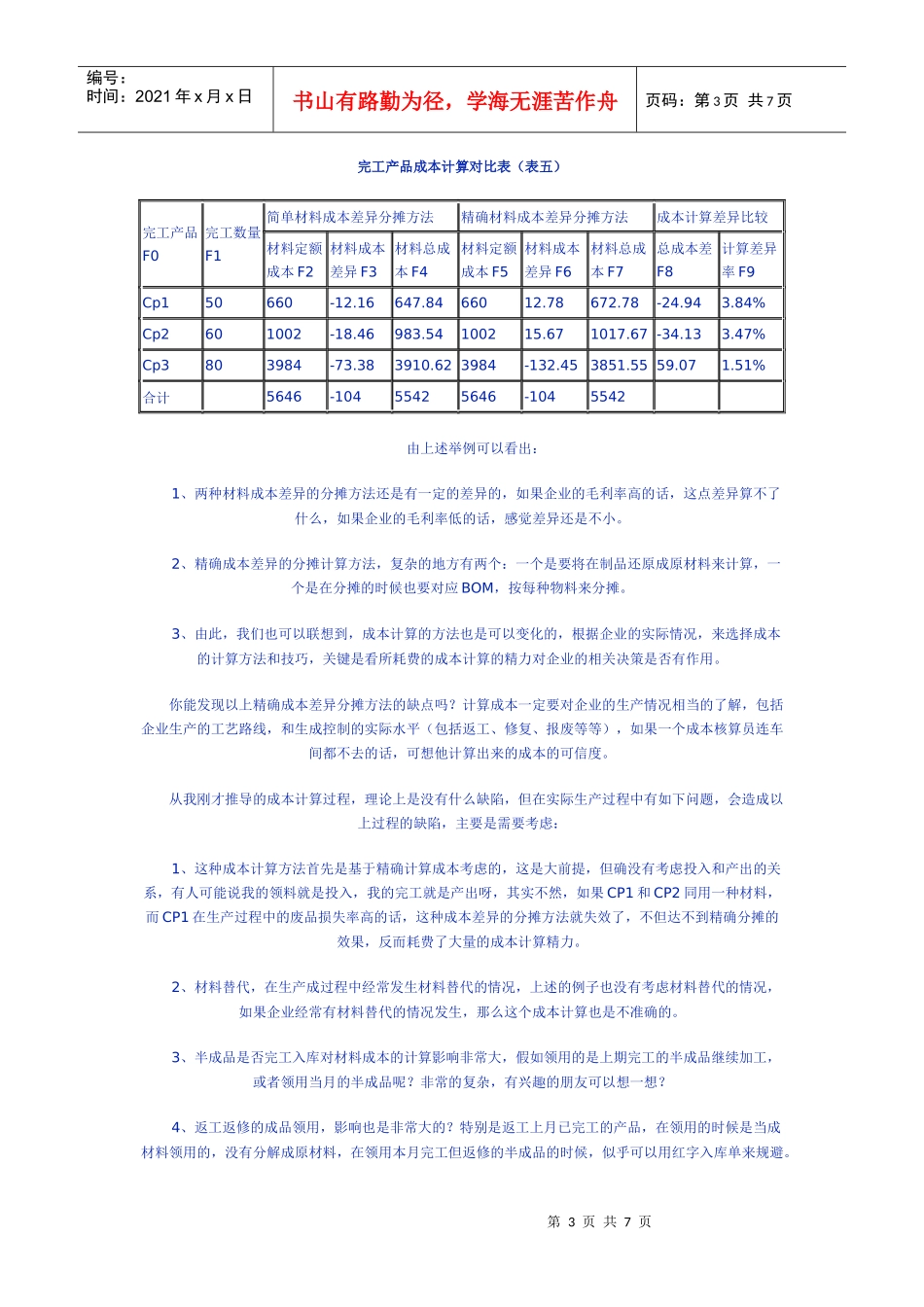
第1页共7页编号:时间:2021年x月x日书山有路勤为径,学海无涯苦作舟页码:第1页共7页精确的材料成本差异分摊方法探讨2010-6-811:18读者上传【大中小】【打印】【我要纠错】我以前编制完工产品成本报表的时候,总是把材料实际成本和材料定额成本所产生的差异用定额差异率分摊,定额差异率=实际总成本/定额总成本,最近这一方法遭到一个人的质疑,说这种分摊方式不准确,理由是A零件产生的成本差异有可能分摊到了不使用A零件的产品中去,我想了一下,是有这个可能,他认为应该那个零件产生的差异就应该在使用该零件的产品中去分摊,下面我们就按照这一思路把材料成本差异分摊的准确方法研究一下,总结出来,看看步骤是怎样的?既然分摊的是材料成本差异,势必一定要先算出来材料成本差异,原来我的算法不需要算出来每种材料的成本差异,现在是要算出来每种材料的成本差异,大致步骤如下:1、计算材料实际成本表(相当于产品成本在完工产品和在产品之间分配的步骤)2、计算材料定额成本表(按材料消耗定额和最新出库价计算材料的标准耗用)3、计算每种材料的成本差异4、将每种材料的成本差异按BOM单耗去分摊差异(关键也是比较复杂的步骤)5、出完工成本报表为了方便大家的理解,我举例计算成本的步骤,各步骤之间的成本有对应的关系,请仔细研究,为了方便计算,暂时不考虑价差对成本的影响,如果企业有标准价格,也可以考虑用标准价格计算定额材料成本,这样,标准成本分析中的量差和价差就都有了。材料实际成本计算表(表一)材料名称F1最新出库价F1期初在制品盘点本期领用期末在制品盘点本期材料实际耗用数量F2金额F3数量F4金额F5数量F6金额F7数量F8金额F9Cl11.21012258309.689.6260312Cl222040682136422446801360Cl31.53045445667.53552.5440660Cl41.81527615110730546001080Cl5360180660198010307102130合计3045428.1190.15542注:表一中F8=F2+F4-F6;F9=F3+F5-F7第2页共7页第1页共7页编号:时间:2021年x月x日书山有路勤为径,学海无涯苦作舟页码:第2页共7页材料定额成本计算表(表二)完工产品F0最新出库价F1Cp1@数量50Cp2@数量60Cp3@数量80......本期定额材料成本单耗F2金额F3单耗F4金额F5单耗F6金额F7数量F8金额F9Cl11.21601722192270324Cl22448069607201440Cl31.521505450400600Cl41.8811526401152Cl533450716807102130合计660100239845646注:表二中F8=F2*@qty+F4*@qty+F6*@qty;F9=F8*F1材料成本差异明细表(表三)完工产品F0最新出库价F1本期材料实际耗用本期定额材料成本本期材料成本差异本期材料成本差异数量F2金额F3数量F4金额F5数量F6金额F7量差F8价差F9Cl11.2260312270324-10-12-120Cl2268013607201440-40-80-800Cl31.54406604006004060600Cl41.860010806401152-40-72-720Cl53710213071021300000合计55425646-104-104精确材料成本差异分摊表(表四)完工产品F0成本差异成本差异率F2Cp1@数量50Cp2@数量60Cp3@数量80......定额材料F3材料差异F4定额材料F5材料差异F6定额材料F7材料差异F8Cl1-12-12/32460-2.2272-2.67192-7.11Cl2-80-80/1440480-26.66960-53.34Cl36060/6001501545045Cl4-72-72/11521152-72Cl504501680合计-104564666012.78100215.673984-132.45第3页共7页第2页共7页编号:时间:2021年x月x日书山有路勤为径,学海无涯苦作舟页码:第3页共7页完工产品成本计算对比表(表五)完工产品F0完工数量F1简单材料成本差异分摊方法精确材料成本差异分摊方法成本计算差异比较材料定额成本F2材料成本差异F3材料总成本F4材料定额成本F5材料成本差异F6材料总成本F7总成本差F8计算差异率F9Cp150660-12.16647.8466012.78672.78-24.943.84%Cp2601002-18.46983.54100215.671017.67-34.133.47%Cp3803984-73.383910.623984-132.453851.5559.071.51%合计5646-10455425646-1045542由上述举例可以看出:1、两种材料成本差异的分摊方法还是有一定的差异的,如果企业的毛利率高的话,这点差异算不了什么,如果企业的毛利率低的话,感觉差异还是不小。2、精确成本差异的分摊计算方法,复杂的地方有两个:一个是要将在制品还原成原材料来计算,一个是在分摊的时候也要对应BOM,...

1、当您付费下载文档后,您只拥有了使用权限,并不意味着购买了版权,文档只能用于自身使用,不得用于其他商业用途(如 [转卖]进行直接盈利或[编辑后售卖]进行间接盈利)。
2、本站所有内容均由合作方或网友上传,本站不对文档的完整性、权威性及其观点立场正确性做任何保证或承诺!文档内容仅供研究参考,付费前请自行鉴别。
3、如文档内容存在违规,或者侵犯商业秘密、侵犯著作权等,请点击“违规举报”。

碎片内容

材料成本差异分摊方法探讨

确认删除?
VIP
微信客服
  • 扫码咨询
会员Q群
  • 会员专属群点击这里加入QQ群
客服邮箱
回到顶部