电脑桌面
添加小米粒文库到电脑桌面
安装后可以在桌面快捷访问

机房模式操作介绍VIP免费

机房模式操作介绍_第1页
1/7
机房模式操作介绍_第2页
2/7
机房模式操作介绍_第3页
3/7
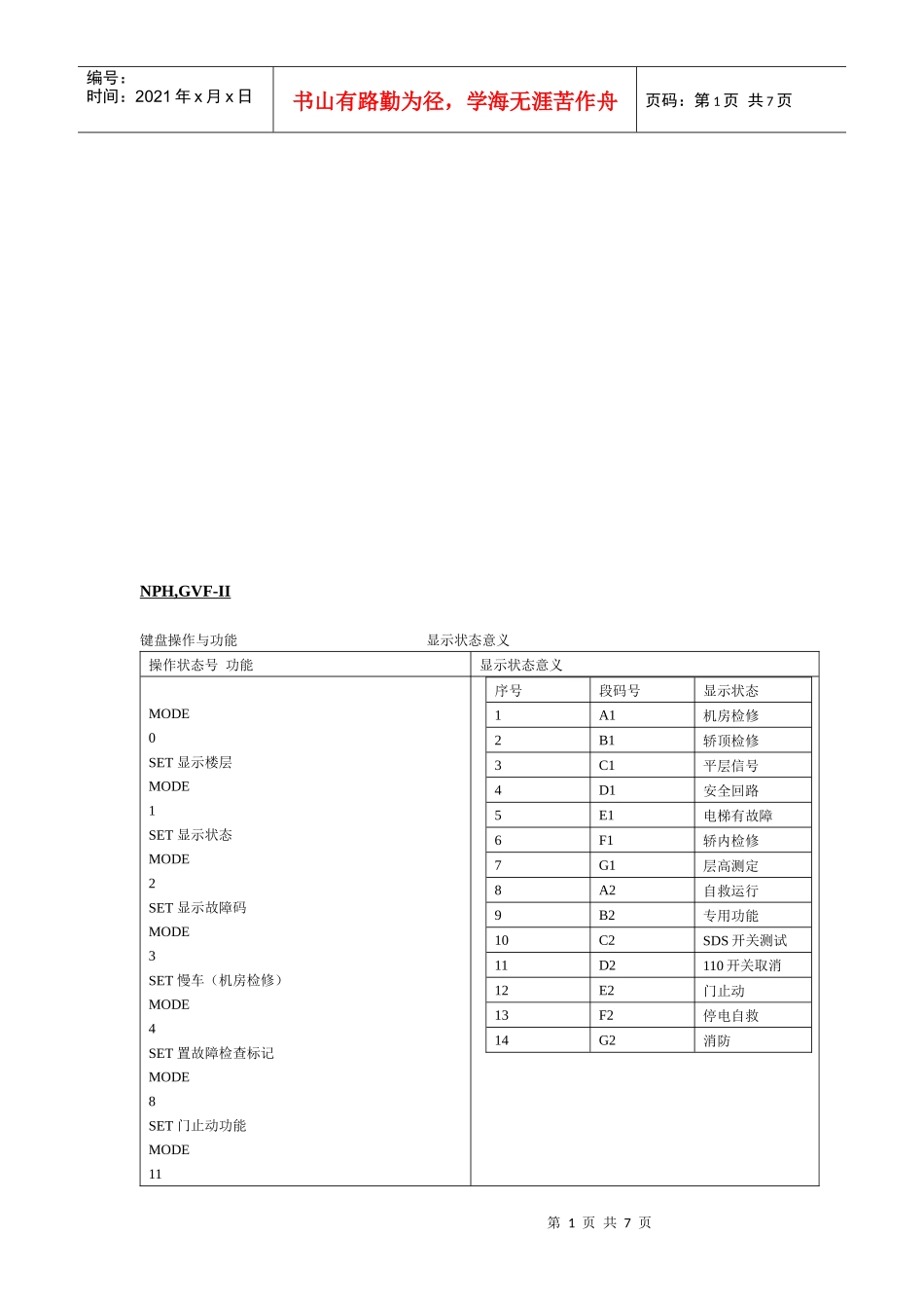
第1页共7页编号:时间:2021年x月x日书山有路勤为径,学海无涯苦作舟页码:第1页共7页NPH,GVF-II键盘操作与功能显示状态意义操作状态号功能显示状态意义MODE0SET显示楼层MODE1SET显示状态MODE2SET显示故障码MODE3SET慢车(机房检修)MODE4SET置故障检查标记MODE8SET门止动功能MODE11序号段码号显示状态1A1机房检修2B1轿顶检修3C1平层信号4D1安全回路5E1电梯有故障6F1轿内检修7G1层高测定8A2自救运行9B2专用功能10C2SDS开关测试11D2110开关取消12E2门止动13F2停电自救14G2消防第2页共7页第1页共7页编号:时间:2021年x月x日书山有路勤为径,学海无涯苦作舟页码:第2页共7页SET层高测定MODE13SET消除110﹪开关MODE14SETSDS开关测试MODE15SET专用NPX,HVF,UVF对NPX电梯,信号器的键数从16个减到5个,所以功能的使用方法有变更①「门止动」功能:同时按住「INC(DEC)」和「MODE」。②机房低速运行的上行、下行:按「SET」为上行,按「RESET(→)」为下行。③「A/D」功能:按住「RESET(→)」同时按「SET」应能在地址/数据设定模式间互相切换。读写器的基本操作程序按如下所示:(1)按下“MODE”键。(2)显示模式号码。(3)用INC(DEC)键操作,直至显示对应的模式号码为止。(此时,如按MODE键,则可实现INC方式与DEC方式之间切换。)(4)按下SET键。(在此,也包含结束处理)(5)用INC(DEC)键输入所需数值,并用RESET(→)键实现移动位输入。状态号功能MODE-0-SET缺省模式,显示楼层第3页共7页第2页共7页编号:时间:2021年x月x日书山有路勤为径,学海无涯苦作舟页码:第3页共7页MODE-1-SET电梯运行时间显示MODE-2-SET监视器故障资料读取及全部清除MODE-3-SET机房控制电梯低速运行()MODE-4-SET最低层机厢按钮记录MODE-5-SET中间层机厢按钮记录MODE-7-SET最高层机厢按钮记录MODE-10-SET监视器故障资料自动读取MODE-11-SET楼层阶高测量运行MODE-12-SET外指示灯检查MODE-13-SET超载状态切除MODE-14-SETSDS切除试验(多以在高速电梯HVF型使用)MODE-15-SET电梯专用运行注:GVF-III:按住INC/ST键则检修上行,按住SET键则检修下行。NPX:机房检修按「SET」为上,按「RESET(→)」为下HVF:机房检修按「SET」为上,按「RESET(→)」为下GVF-III状态号功能MODE0SETMODE1SETMODE2SETMODE3SETMODE4SETMODE5SETMODE6SET缺省模式,显示楼层,设为此模式可以清除其他模式的设定电梯状态显示模式,在此状态下可以按INC键进入I/O口查看模式,该状态下可显示19组电梯状态层高测定模式机房检修模式清除当前显示故障记录,此模式在1.5秒后会自动清除禁止超载检测模式查看主微机故障列表,同时可在此操作清除内部所有故障记录表各状态解释1)MODE0SET电梯正常运行时(无故障),3个LED显示运行方向和层楼位置,其中LED0显示第4页共7页第3页共7页编号:时间:2021年x月x日书山有路勤为径,学海无涯苦作舟页码:第4页共7页的是电梯的运行方向(表示方式与FMT板一致),LED1和LED2显示电梯层楼位置。当系统只有变频器类故障时,变频器类故障码(E101~E140)与层楼位置交替显示;当系统只有控制系统类故障时,控制系统类故障码(E010~E094)与层楼位置交替显示;当系统既有变频器类故障又有控制系统类故障时,变频器类故障码(E101~E140)、控制系统类故障码(E010~E094)与层楼位置交替显示。当同一类故障(变频器类、控制系统类)有几个故障同时存在时,只显示故障码排在前面的一个故障,当最前面的故障消除后,再显示排在下面的故障。2)MODE1SET该状态下可显示电梯的19个基本状态,并且可以查看18组I/O信号子状态。进入该状态后(MODE1SET),三个LED显示的是电梯的基本状态,其具体意义请参看下表(电梯运行基本状态显示定义表)。在基本状态下按INC/ST键,则进入查看18组I/O信号子状态。此时LED0显示的是子状态的组号,共有18组,可按INC/ST键调组号,组号按照0、1、2、3、4、5、6、7、8、9、A、B、C、D、E、F、G、H、基本状态、0、1、2、3…依次循环变化显示。其中B~E组还分别有6个子组,序号是0~5,当进入B~E组的显示后,LED0就会交替显示组号和子组号,如B_0组,则LED0交替显示B和0,在有...

1、当您付费下载文档后,您只拥有了使用权限,并不意味着购买了版权,文档只能用于自身使用,不得用于其他商业用途(如 [转卖]进行直接盈利或[编辑后售卖]进行间接盈利)。
2、本站所有内容均由合作方或网友上传,本站不对文档的完整性、权威性及其观点立场正确性做任何保证或承诺!文档内容仅供研究参考,付费前请自行鉴别。
3、如文档内容存在违规,或者侵犯商业秘密、侵犯著作权等,请点击“违规举报”。

碎片内容

机房模式操作介绍

确认删除?
VIP
微信客服
  • 扫码咨询
会员Q群
  • 会员专属群点击这里加入QQ群
客服邮箱
回到顶部