电脑桌面
添加小米粒文库到电脑桌面
安装后可以在桌面快捷访问

平板荷载试验VIP免费

平板荷载试验_第1页
1/6
平板荷载试验_第2页
2/6
平板荷载试验_第3页
3/6
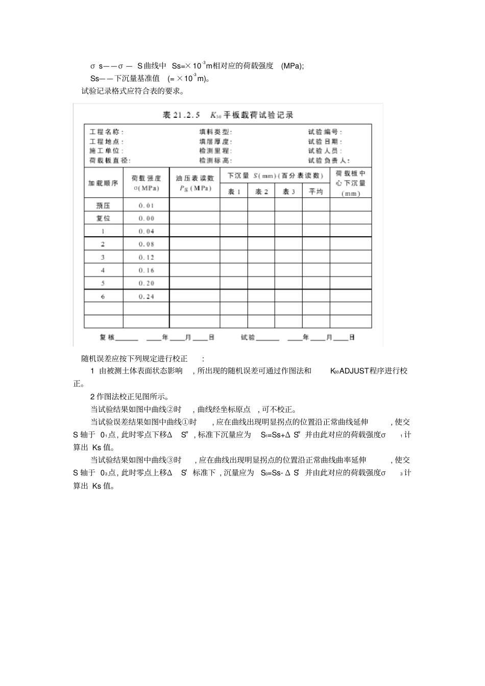
21K30、Evd平板载荷试验一般规定K30平板载荷试验是采用直径为30cm的荷载板测定下沉量为地基系数的试验方法。计量单位为MPa/m。Evd动态平板载荷试验是采用动态变形模量测试仪来监—控检测土体承载力指标——动态变形模量Evd的试验方法。它通过落锤试验和沉陷测定来直接测出反映土体动态特性的指标Evd,计量单位为MPa。K30平板载荷试验和Evd动态平板载荷试验适用于粒径不大于荷载板直径1/4的各类土和土石混合填料,测试有效深度范围为400~500mm。试验场地及环境条件应符合下列要求:1K30平板载荷试验:1)对于水分挥发快的均粒砂,表面结硬壳、软化、或因其他原因表层扰动的土,平板荷载试验应置于扰动带以下进行。2)对于粗、细粒均质土,宜在压实后2~4h内开始进行。3)测试面必须是平整无坑洞的地面。对于粗粒土或混合料造成的表面凹凸不平,应铺设一层约2~3mm的干燥中砂或石膏腻子。此外,测试面必须远离震源,以保持测试精度。4)雨天或风力大于6级的天气,不得进行试验。2Evd动态平板载荷试验:1)测试面宜水平,其倾斜度不大于5°。2)测试面必须平整无坑洞。对于粗粒土或混合料造成的表面凹凸不平,可用少量细中砂来补平。3)试验时测试点必须远离震源。K30平板载荷试验本试验应采用下列仪器设备:1荷载板:荷载板为圆形钢板,其直径为30cm,板厚为25mm。荷载板上应带有水准泡。2加载装置:1)液压千斤顶与手动油泵,通过高压油软管连接。千斤顶顶端应设置球铰,并配有可调节丝杆和加长杆件,以便与各种不同高度的反力装置相适应。选用荷载应大于或等于50kN。2)液压油软管长度至少为2m,两端应装有自动开闭阀门的快速接头,以防止液压油漏出。3)手动液压泵上应装有一个可调节减压阀,可准确地分级对荷载板实施加、卸载。4)测压表量程应达到最大试验荷载的倍,精度不低于级。5)当使用测力计直接测量加荷荷载时,测力计精度应达到1%。3反力装置的承载能力应大于最大试验荷载10kN。4下沉量测量装置由测桥和测表组成。测桥是用于安装测表固定支架或作为测表量测基准面,由长度大于3m的支撑粱和支撑座组成,当跨度为4m时其截面系数应大于或等于8cm3。测表宜配置3~4个精度为的百分表或电子数显百分表,量程应不小于10mm,每个测表应配有可调式固定支架。5其他:铁锹、钢板尺(长400mm)、毛刷、圬工泥刀、刮铲、水准仪、铅锤、褶尺、干燥中砂、石膏、油、遮阳挡风设施等。试验仪器的校验应符合下列规定:1测试地基系数时,应对仪器进行测试校验。2新仪器进行试验的三个月内,应每月标定一次,以作出相应误差修正。当三次标定误差小于±5%时,仪器进入稳定期。3仪器每次投入新工点或每年必须予以校验一次。仪器校验方法见本规程附录E。试验操作应按下列步骤进行:1场地测试面应进行平整,并使用毛刷扫去松土。当处于斜坡上时,应将荷载板支撑面做成水平面。2安置平板载荷仪:1)将荷载板放置于测试地面上,应使荷载板与地面良好接触,必要时可铺设一薄层干燥砂(2~3mm)或石膏腻子。当用石膏腻子做垫层时,应在荷载板底面上抹一层油膜,然后将荷载板安放在石膏层上,左右转动荷载板并轻轻击打顶面,使其与地面完全接触,与此同时可借助荷载板上水准泡或水准仪调整水平。2)将反力装置承载部分安置于荷载板上方,并加以制动。反力装置的支撑点必须距荷载板外侧边缘1m以外。3)将千斤顶放置于反力装置下面的荷载板上,可利用加长杆和通过调节丝杆,使千斤顶顶端球铰座紧贴在反力装置承载部位上,组装时应保持千斤顶垂直不出现倾斜。4)安置测桥,测桥支撑座应设置在距离荷载板外侧边缘及反力装置支承点1m以外,测表的安放必须相互对称,并且应与荷载板中心保持等距离。3加载试验:1)为稳固荷载板,预先加荷载约30s,待稳定后卸除荷载,将百分表读数调至零或读取百分表读数作为下沉量的起始读数。2)以的增量,逐级加载。每增加一级荷载,当1min的沉降量不大于该级荷载产生的沉降量的1%时,读取荷载强度和下沉量读数,然后增加下一级荷载。3)当总下沉量超过规定的基准值,或者荷载强度超过估计的现场实际最大接触压力,或者达到地基的屈服点,试验即可终止。4当试验过程出现异常时(如荷载板严重倾斜,荷载板过度下沉),应将试验点下挖相当于荷载板直径的深度,重新进行试验...

1、当您付费下载文档后,您只拥有了使用权限,并不意味着购买了版权,文档只能用于自身使用,不得用于其他商业用途(如 [转卖]进行直接盈利或[编辑后售卖]进行间接盈利)。
2、本站所有内容均由合作方或网友上传,本站不对文档的完整性、权威性及其观点立场正确性做任何保证或承诺!文档内容仅供研究参考,付费前请自行鉴别。
3、如文档内容存在违规,或者侵犯商业秘密、侵犯著作权等,请点击“违规举报”。

碎片内容

平板荷载试验

您可能关注的文档

确认删除?
VIP
微信客服
  • 扫码咨询
会员Q群
  • 会员专属群点击这里加入QQ群
客服邮箱
回到顶部