电脑桌面
添加小米粒文库到电脑桌面
安装后可以在桌面快捷访问

柴油消费税管理办法(试行)VIP免费

柴油消费税管理办法(试行)_第1页
1/7
柴油消费税管理办法(试行)_第2页
2/7
柴油消费税管理办法(试行)_第3页
3/7
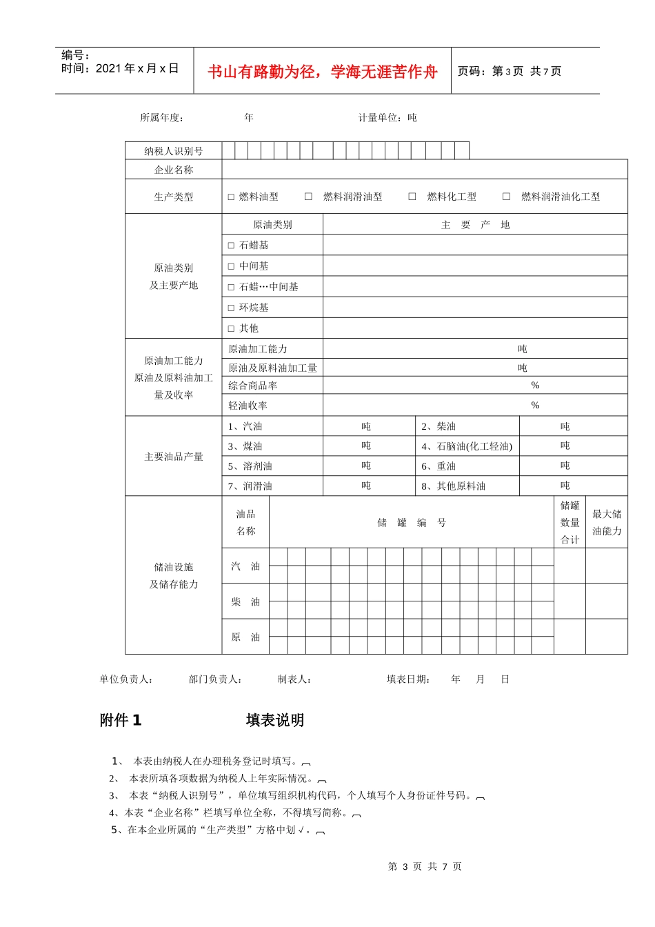
第1页共7页编号:时间:2021年x月x日书山有路勤为径,学海无涯苦作舟页码:第1页共7页汽油、柴油消费税管理办法(试行)第一条根据《中华人民共和国税收征收管理法》、《中华人民共和国税收征收管理法实施细则》(以下简称征管法及其实施细则)、《中华人民共和国消费税暂行条例》、《中华人民共和国消费税暂行条例实施细则》(以下简称条例及其实施细则)制定本办法。第二条在中华人民共和国境内生产、委托加工、进口汽油、柴油的单位和个人,均为汽油、柴油消费税纳税人(以下简称纳税人)。无铅汽油适用税率每升0.2元,含铅汽油(铅含量每升超过0.013克)适用税率每升0.28元,柴油适用税率每升0.1元。第三条汽油是指由天然或人造原油经蒸馏所得的直馏汽油组分,二次加工汽油组分及其他高辛烷值组分按比例调合而成的或用其他原料、工艺生产的辛烷值不小于66的各种汽油和以汽油组分为主,辛烷值大于50的经调合可用作汽油发动机燃料的非标油。第四条柴油是指由天然或人造原油经常减压蒸馏在一定温度下切割的馏分,或用于二次加工柴油组分调合而成的倾点在-50号至30号的各种柴油和以柴油组分为主、经调和精制可用作柴油发动机的非标油。第五条纳税人应按照征管法及其实施细则的有关规定办理税务登记,纳税人除依照有关规定提供相关资料外,还必须提供下列资料:(一)生产企业基本情况表(以下简称基本情况表,见附件一);(二)生产装置及工艺路线的简要说明;(三)企业生产的所有油品名称、产品标准及用途;(四)税务机关要求报送的其他资料。第六条已经办理税务登记的纳税人,其原油加工能力、生产装置、储油设施、油品名称、产品标准及用途发生变化的,应自发生变化之日起30日内向主管税务机关报告。第七条主管税务机关应在纳税人办理税务登记后或接到本办法第第六条规定的报告后,及时到纳税人所在地实地查验、核实。第八条纳税人应按照条例及其实施细则的规定办理消费税纳税申报。纳税人在办理消费税纳税申报时应填写《消费税纳税申报表》及附表并提供下列资料:(一)生产企业生产经营情况表(油品)(以下简称经营表,见附件二);(二)生产企业产品销售明细表(油品)(以下简称销售表,见附件三);(三)主管部门下达的月度生产计划;(四)企业根据生产计划制定的月份排产计划;(五)税务机关要求报送的其他资料。第九条主管税务机关应对纳税人实行专责管理。第十条主管税务机关应定期委派管理员到生产企业所在地了解纳税人的生产经营情况及与纳税有关的情况。向纳税人宣传贯彻税收法律、法规和各项税收政策,开展纳税服务,为纳税人提供税法咨询和办税辅导,督促纳税人正确履行纳税义务、建立健全财务会计制度、加强帐簿凭证管理。第十一条主管税务机关应当掌握纳税人生产经营、财务核算的基本情况。掌握纳税人原油、原料油品输入、输出管道、炼化装置、燃料油品运输口岸(管道运输、火车运输、船舶运输、罐车运输)等储运部门的具体位置,燃料油品流量计(表、检尺)的安装位置。了解产品重量单位的计算方法(在一定温度下重量=体积×密度),统计部门燃料油品产量计算方式、商品量的调整依据。第十二条主管税务机关应定期将依据纳税人储运部门的油品收发台帐统计的油品发出量与流量表的流量总计或通过检尺检测后计算的流量总计进行核对。第十三条主管税务机关应对纳税人油品销售对象进行监控。定期将纳税人统计的油品发出量与销售对象(如石油公司等)的流量计记录情况进行核对。第2页共7页第1页共7页编号:时间:2021年x月x日书山有路勤为径,学海无涯苦作舟页码:第2页共7页第十四条主管税务机关应定期对纳税人开展纳税评估。综合运用纳税人申报资料及第三方信息资料(如原油加工损失等)和本办法附件四评估指标定义及比对方法,对纳税人纳税申报的真实性、准确性做出初步判断,根据评估分析发现的问题,约谈纳税人。第十五条汽油、柴油消费税纳税评估指标包括:原油及原料油加工量、原油库存能力、汽油库存能力、柴油库存能力、综合商品率、轻油收率、汽油收率、柴油收率、柴油、汽油产出比、税务机关计算的汽油销售数量、税务机关计算的...

1、当您付费下载文档后,您只拥有了使用权限,并不意味着购买了版权,文档只能用于自身使用,不得用于其他商业用途(如 [转卖]进行直接盈利或[编辑后售卖]进行间接盈利)。
2、本站所有内容均由合作方或网友上传,本站不对文档的完整性、权威性及其观点立场正确性做任何保证或承诺!文档内容仅供研究参考,付费前请自行鉴别。
3、如文档内容存在违规,或者侵犯商业秘密、侵犯著作权等,请点击“违规举报”。

碎片内容

柴油消费税管理办法(试行)

您可能关注的文档

确认删除?
VIP
微信客服
  • 扫码咨询
会员Q群
  • 会员专属群点击这里加入QQ群
客服邮箱
回到顶部