电脑桌面
添加小米粒文库到电脑桌面
安装后可以在桌面快捷访问

江苏省土建全套资料表格(DOC95页)VIP专享VIP免费

江苏省土建全套资料表格(DOC95页)_第1页
1/110
江苏省土建全套资料表格(DOC95页)_第2页
2/110
江苏省土建全套资料表格(DOC95页)_第3页
3/110
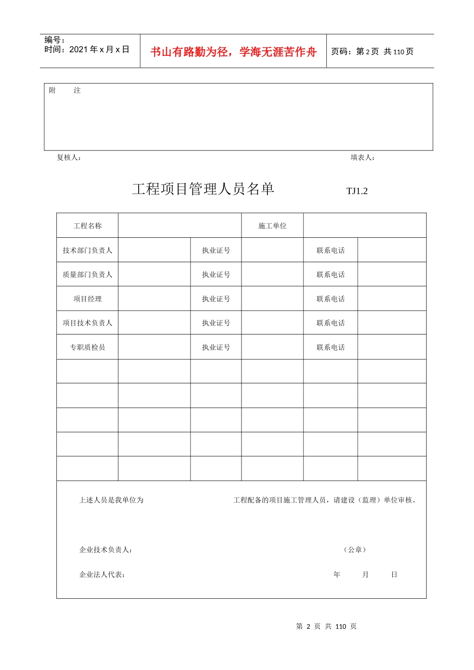
第1页共110页编号:时间:2021年x月x日书山有路勤为径,学海无涯苦作舟页码:第1页共110页工程概况TJ1.1工程名称工程地址工程类型□1.建筑;□2.设备安装;□3.装修工程预(概)算建安工作量□1.新建;□2.扩建;□3.改建万元投资类型□1.外资;□2.合资;3□.国有;□4.集体;□.民营其中:桩基万元建筑面积M2层次土建万元结构类型开工日期安装万元完工日期验收日期装修万元单位名称资质等级法人代表项目负责人建设单位勘察单位设计单位监理单位施工单位总包分包分包分包结构及装修概况基础主体结构层面楼、地面门窗外装修内装修水、暖、卫电气第2页共110页第1页共110页编号:时间:2021年x月x日书山有路勤为径,学海无涯苦作舟页码:第2页共110页附注复核人:填表人:工程项目管理人员名单TJ1.2工程名称施工单位技术部门负责人执业证号联系电话质量部门负责人执业证号联系电话项目经理执业证号联系电话项目技术负责人执业证号联系电话专职质检员执业证号联系电话上述人员是我单位为工程配备的项目施工管理人员,请建设(监理)单位审核。企业技术负责人:(公章)企业法人代表:年月日第3页共110页第2页共110页编号:时间:2021年x月x日书山有路勤为径,学海无涯苦作舟页码:第3页共110页审核意见:建设单位项目负责人(总监理工程师):(公章)年月日施工现场质量管理检查记录TJ1.3开工日期:工程名称施工许可证(开工证)建设单位项目负责人设计单位项目负责人监理单位总监理工程师施工单位项目经理项目技术负责人序号项目内容1现场质量管理制度2质量责任制3主要专业工种操作上岗证书4分包方资质与对分包单位的管理制度5施工图审核情况6地质勘察资料7施工组织设计、施工方案及审批8施工技术标准第4页共110页第3页共110页编号:时间:2021年x月x日书山有路勤为径,学海无涯苦作舟页码:第4页共110页9工程质量检验制度10搅拌站及计量设置11现场材料、设备存放与管理12检查结论:总监理工程师:(建设单位项目负责人)年月日施工组织设计、施工方案审批表TJ1.4工程名称日期年月日现报上下表中技术管理文件,请予以审批。类别编制人册数页数施工组织设计施工方案内容附后第5页共110页第4页共110页编号:时间:2021年x月x日书山有路勤为径,学海无涯苦作舟页码:第5页共110页申报简述:申报部门(分包单位)申报人:审核意见:□有□无附页总承包单位名称:审核人:审核日期:年月日审批意见:审批结论:□同意□修改后报□重新编制审批部门(单位):审核人:日期:年月日注:附施工组织设计、施工方案。技术交底记录TJ1.5工程名称施工单位交底部位:工序名称交底提要:第6页共110页第5页共110页编号:时间:2021年x月x日书山有路勤为径,学海无涯苦作舟页码:第6页共110页交底内容:技术负责人交底人接受交底人注:本记录一式两份,一份交接受交底人,一份承档。开工报告TJ1.6建设单位:南京雨发农业科技开发有限公司工程名称南京农业嘉年华副展厅二期工程工程地点雨发生态园内施工单位江苏兴宇建设有限公司监理单位雨发建设集团监理公司第7页共110页第6页共110页编号:时间:2021年x月x日书山有路勤为径,学海无涯苦作舟页码:第7页共110页建筑面积29317.77M2结构层次主楼九层裙楼五层中标价格万元承包方式定额工期天计划开工日期2017.06.28计划竣工日期2017.04.24合同编号说明1、已完成设计交底和图纸会审;2、施工组织设计已审批;3、施工进度计划已编制;4、施工质量、安全生产管理体系已建立;5、进场道路及水、电、通信、临设等到位;6、施工人员、机械、材料已到场。上述准备工作已就绪,定于2017年06月28日正式开工,希建设(监理)单位于2017年06月27日前进行审核,特此报告。施工单位:项目经理:(公章)年月日审核意见:总监理工程师(建设单位项目负责人):(公章)年月日工程竣工报告TJ1.7第8页共110页第7页共110页编号:时间:2021年x月x日书山有路勤为径,学海无涯苦作舟页码:第8页共110页工程名称结构类型工程地址建筑面积建设单位开工日期设计单位完工日期监理单位合同工期施工单位工程造价竣工条件具备情况项目内容施工单位自检情况完成工程设计和合同约定...

1、当您付费下载文档后,您只拥有了使用权限,并不意味着购买了版权,文档只能用于自身使用,不得用于其他商业用途(如 [转卖]进行直接盈利或[编辑后售卖]进行间接盈利)。
2、本站所有内容均由合作方或网友上传,本站不对文档的完整性、权威性及其观点立场正确性做任何保证或承诺!文档内容仅供研究参考,付费前请自行鉴别。
3、如文档内容存在违规,或者侵犯商业秘密、侵犯著作权等,请点击“违规举报”。

碎片内容

江苏省土建全套资料表格(DOC95页)

确认删除?
VIP
微信客服
  • 扫码咨询
会员Q群
  • 会员专属群点击这里加入QQ群
客服邮箱
回到顶部