电脑桌面
添加小米粒文库到电脑桌面
安装后可以在桌面快捷访问

江苏省土建资料全版表格VIP免费

江苏省土建资料全版表格_第1页
1/67
江苏省土建资料全版表格_第2页
2/67
江苏省土建资料全版表格_第3页
3/67
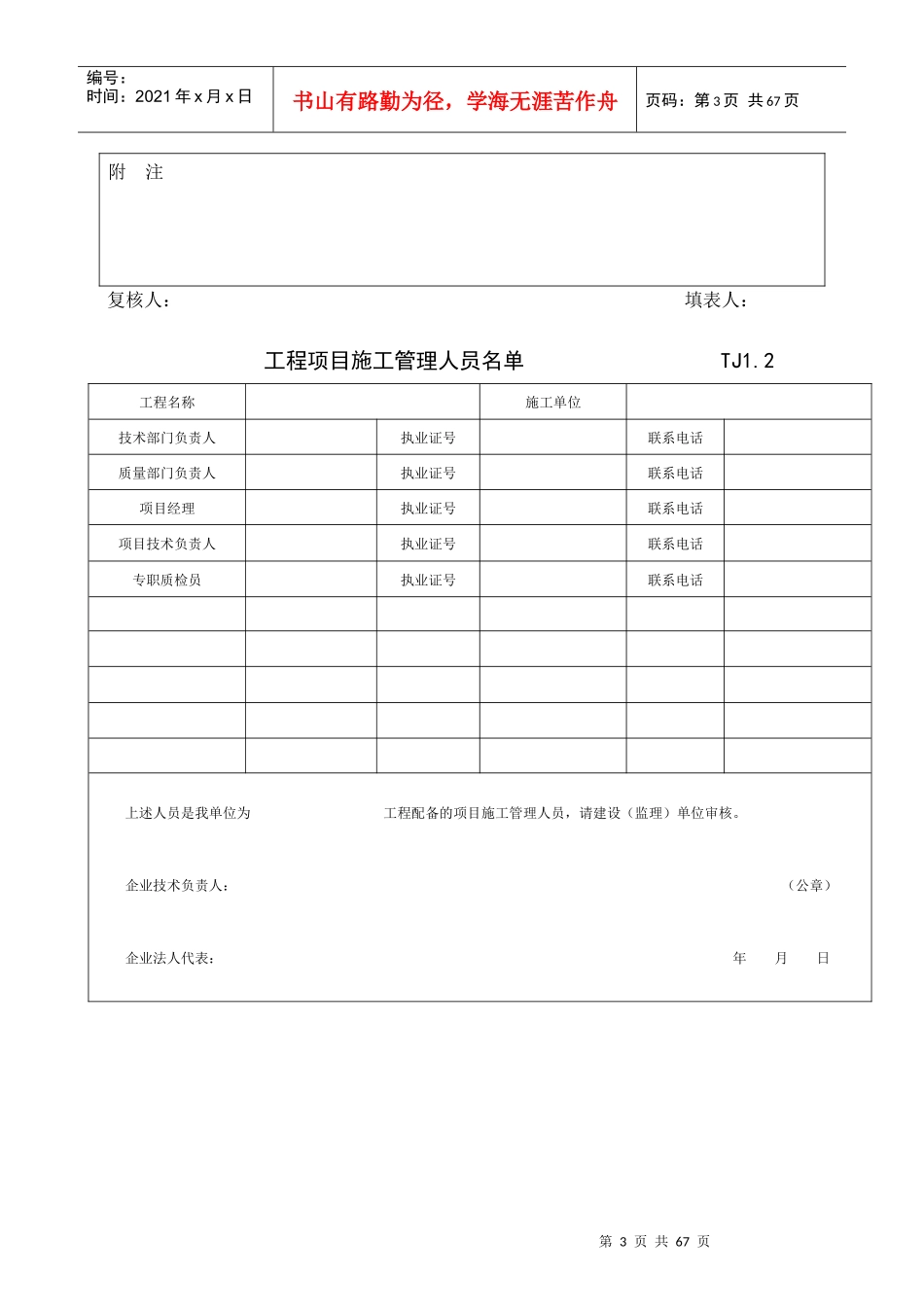
第1页共67页编号:时间:2021年x月x日书山有路勤为径,学海无涯苦作舟页码:第1页共67页目录一、工程概况二、工程项目施工管理人员名单三、施工现场质量管理检查记录四、施工组织设计、施工方案审批表五、技术交底记录六、开工报告七、工程竣工报告八、图纸会审、设计变更、洽商记录汇总表九、图纸会审、设计变更、洽商记录十、设计交底记录十一、工程定位测量、放线验收记录十二、钢材合格证和复试报告汇总表十三、水泥出厂合格证、复试报告汇总表十四、砖(砌块)检验报告汇总表十五、混凝土外加剂(及其它材料)产品合格证、出厂检验报告和进场复验报告汇总表十六、防水和保温材料合格证、复试报告汇总表十七、(其他)建筑材料合格证、复试报告汇总表十八、混凝土试块试压报告汇总表十九、混凝土强度评定二十、结构实体混凝土强度评定二十一、砂浆强度汇总评定表二十二、钢筋连接试验报告、焊条(剂)合格证汇总表二十三、土壤试验记录汇总表二十四、隐蔽工程验收记录二十五、现场施工预应力记录二十六、地基验槽记录和地基处理记录二十七、混凝土(其它)构件合格证汇总表二十八、屋面泼水、林水、蓄水试验记录二十九、地下室防水效果检查记录三十、厕所、厨房、阳台等有防水要求的地面泼水、蓄水试验记录三十一、建筑物垂直度、标高、全高测量记录三十二、烟气(风)道工程检查验收记录三十三、建筑物沉降观测记录三十四、单位(子单位)工程质量竣工验收记录三十五、单位(子单位)工程质量控制资料核查记录三十六、单位(子单位)工程质量控制资料检查记录三十七、单位(子单位)工程安全和功能检验资料核查及主要功能抽查记录三十八、单位(子单位)工程观感质量检查记录三十九、分部(子分部)工程质量验收记录四十、分项工程质量验收记录四十一、地基与基础分布工程质量验收记录第2页共67页第1页共67页编号:时间:2021年x月x日书山有路勤为径,学海无涯苦作舟页码:第2页共67页工程概况TJ1.1工程名称工程地址工程类型□1.建筑;□2.设备安装;□3.装修工程预(概)算建安工作量□1.新建;□2.扩建;□3.改建万元投资类别□1.外资;□2.合资;□3.国有;□4.集体;□5.民营其中:桩基万元建筑面积m2层次土建万元结构类型开工日期安装万元完工日期验收日期装修万元单位名称资质等级法人代表项目负责人建设单位勘察单位设计单位监理单位总包分包分包分包基础主体结构屋面楼、地面门窗外装饰内装饰水、暖、卫电气施工单位结构及装修概况第3页共67页第2页共67页编号:时间:2021年x月x日书山有路勤为径,学海无涯苦作舟页码:第3页共67页附注复核人:填表人:工程项目施工管理人员名单TJ1.2工程名称施工单位技术部门负责人执业证号联系电话质量部门负责人执业证号联系电话项目经理执业证号联系电话项目技术负责人执业证号联系电话专职质检员执业证号联系电话上述人员是我单位为工程配备的项目施工管理人员,请建设(监理)单位审核。企业技术负责人:(公章)企业法人代表:年月日第4页共67页第3页共67页编号:时间:2021年x月x日书山有路勤为径,学海无涯苦作舟页码:第4页共67页审核意见:建设单位项目负责人(总监理工程师):(公章)年月日施工现场质量管理检查记录TJ1.3开工日期:工程名称施工许可证(开工证)建设单位项目负责人设计单位项目负责人监理单位总监理工程师施工单位项目经理项目技术负责人序号项目内容1现场质量管理制度2质量责任制3主要专业工种操作上岗证4分包方资质与对分包单位的管理制度5施工图审查情况6地质勘察资料7施工组织设计、施工方案及审批8施工技术标准第5页共67页第4页共67页编号:时间:2021年x月x日书山有路勤为径,学海无涯苦作舟页码:第5页共67页9工程质量检验制度10搅拌站及计量设置11现场材料、设备存放与管理12检查结论:总监理工程师:(建设单位项目负责人)年月日提示根据《建筑工程施工质量验收统一标准》(GB50300—2001)要求,施工现场质量管理检查记录应由施工单位填写,由总监理工程师检查并做出签证结论意见。施工现场质量管理检查记录主要含有以下内容:1.现场质量管理制度根据自身情况和工程情况建立健全现场质量管...

1、当您付费下载文档后,您只拥有了使用权限,并不意味着购买了版权,文档只能用于自身使用,不得用于其他商业用途(如 [转卖]进行直接盈利或[编辑后售卖]进行间接盈利)。
2、本站所有内容均由合作方或网友上传,本站不对文档的完整性、权威性及其观点立场正确性做任何保证或承诺!文档内容仅供研究参考,付费前请自行鉴别。
3、如文档内容存在违规,或者侵犯商业秘密、侵犯著作权等,请点击“违规举报”。

碎片内容

江苏省土建资料全版表格

教育精品店+ 关注
实名认证
内容提供者

优良的服务

确认删除?
VIP
微信客服
  • 扫码咨询
会员Q群
  • 会员专属群点击这里加入QQ群
客服邮箱
回到顶部