电脑桌面
添加小米粒文库到电脑桌面
安装后可以在桌面快捷访问

出货检验规范VIP免费

出货检验规范_第1页
1/12
出货检验规范_第2页
2/12
出货检验规范_第3页
3/12
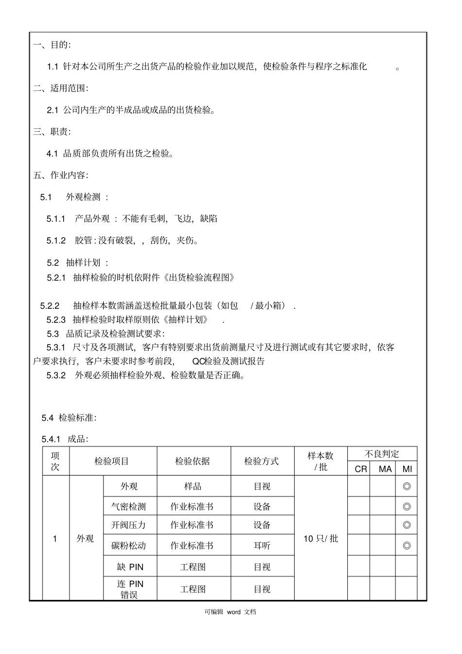
可编辑word文档修订记录修订日期变更编号变更内容版本/次总页数会签记录会签单位会签姓名会签意见■技术工程部陈二飞同意■营业部张海俊同意■财务部应育丽同意■人力资源部罗玉辉同意■品质部龚才天同意■制造部应良志同意核准审核制定集团体系办制作单位发行章陈炜杭陈二飞龚才天质管部可编辑word文档一、目的:1.1针对本公司所生产之出货产品的检验作业加以规范,使检验条件与程序之标准化。二、适用范围:2.1公司内生产的半成品或成品的出货检验。三、职责:4.1品质部负责所有出货之检验。五、作业内容:5.1外观检测:5.1.1产品外观:不能有毛刺,飞边,缺陷5.1.2胶管:没有破裂,,刮伤,夹伤。5.2抽样计划:5.2.1抽样检验的时机依附件《出货检验流程图》5.2.2抽检样本数需涵盖送检批量最小包装(如包/最小箱).5.2.3抽样检验时取样原则依《抽样计划》.5.3品质记录及检验测试要求:5.3.1尺寸及各项测试,客户有特别要求出货前测量尺寸及进行测试或有其它要求时,依客户要求执行,客户未要求时参考前段,QC检验及测试报告5.3.2外观必须抽样检验外观、检验数量是否正确。5.4检验标准:5.4.1成品:项次检验项目检验依据检验方式样本数/批不良判定CRMAMI1外观外观样品目视10只/批◎气密检测作业标准书设备◎开阀压力作业标准书设备◎碳粉松动作业标准书耳听◎缺PIN工程图目视连PIN错误工程图目视可编辑word文档胶芯有无破裂,缺料,损伤无破裂,缺料,损伤目视◎铁壳MARK工程图目视◎有无刮伤变形,生锈,缺口,错位无刮伤,变形,生锈,缺口,错位目视◎前后壳缝隙缝隙不超过0.15mm投影仪◎2尺寸重点尺寸QIP投影仪&卡尺依客户要求◎3试组配组配无不良目视5PCS◎4环境管制物质测试测试结果不符合HLSG3-Q00034要求送实验室测试每月抽测/依客户要求◎5包装检验包装方式依包装规范要求目视批量在10箱以下产品全检,10箱以上抽检需在原基础上加抽30%◎产品标签依包装规范要求目视◎环保标示依包装规范要求目视◎包装标示料号/数量/日期/合格章等目视◎5.4.2电镀端子类检验标准:项次检验项目检验依据检验方式样本数/批不良判定CRMAMI1外观压伤样品目视批量在10卷以下产品全检,10卷以上抽检需在原基础上加抽30%,每卷至少需拉开500-1000mm长度◎有无变形歪斜无变形歪斜目视◎毛边毛边不超过0.05mm投影仪◎缺损不符合工程图目视◎折预断用尖嘴钳/治具夹住预断点折弯,依工程图要求检验尖嘴钳/治具/投影仪◎缠盘方向缠盘方向错误目视◎PIN针排列无缺PIN,歪PIN目视◎可编辑word文档有无氧化发黑无氧化发黑目视◎有无刮伤见铜无刮伤见铜目视◎2尺寸重点尺寸QIP投影仪&卡尺依客户要求◎3试组配组配无不良目视5PCS◎4环境管制物质测试测试结果不符合HLSG3-Q00034要求送实验室测试每月抽测/依客户要求◎5包装检验包装方式依包装规范要求目视批量在10箱以下产品全检,10箱以上抽检需在原基础上加抽30%◎产品标签依包装规范要求目视◎环保标示依包装规范要求目视◎包装标示料号/数量/日期/合格章等目视◎5.4.3素材端子类检验标准:项次检验项目检验依据检验方式样本数/批不良判定CRMAMI1外观严重压伤样品目视批量在10卷以下产品全检,10卷以上抽检需在原基础上加抽30%,每卷至少需拉开500-1000mm长度◎折预断用尖嘴钳/治具夹住预断点折弯,依工程图要求检验尖嘴钳/治具/投影仪◎有无变形歪斜无变形歪斜目视◎毛边工程图投影仪◎缺损不符合工程图目视◎缠盘方向缠盘方向错误目视◎PIN针排列无缺PIN,歪PIN目视◎可编辑word文档有无刮伤无刮伤目视◎2尺寸重点尺寸QIP投影仪&卡尺依客户要求◎3试组配组配无不良目视5PCS◎4环境管制物质测试测试结果不符合HLSG3-Q00034要求送实验室测试每月抽测/依客户要求◎5包装检验包装方式依包装规范要求目视批量在10箱以下产品全检,10箱以上抽检需在原基础上加抽30%◎产品标签依包装规范要求目视◎环保标示依包装规范要求目视◎包装标示料号/数量/日期/合格章等目视◎5.4.4塑胶类检验标准:项次检验项目检验依据检验方式样本数/批不良判定CRMAMI1外观颜色/色差无色差目视1.ANSI/ASQCStandardZ1.4-Ⅱ级水准◎印字内容不符合工程图目视◎有无杂色,毛边、污脏无杂色...

1、当您付费下载文档后,您只拥有了使用权限,并不意味着购买了版权,文档只能用于自身使用,不得用于其他商业用途(如 [转卖]进行直接盈利或[编辑后售卖]进行间接盈利)。
2、本站所有内容均由合作方或网友上传,本站不对文档的完整性、权威性及其观点立场正确性做任何保证或承诺!文档内容仅供研究参考,付费前请自行鉴别。
3、如文档内容存在违规,或者侵犯商业秘密、侵犯著作权等,请点击“违规举报”。

碎片内容

出货检验规范

爱的疯狂+ 关注
实名认证
内容提供者

该用户很懒,什么也没介绍

确认删除?
VIP
微信客服
  • 扫码咨询
会员Q群
  • 会员专属群点击这里加入QQ群
客服邮箱
回到顶部