电脑桌面
添加小米粒文库到电脑桌面
安装后可以在桌面快捷访问

企业产品标准备案工作标准VIP免费

企业产品标准备案工作标准_第1页
1/15
企业产品标准备案工作标准_第2页
2/15
企业产品标准备案工作标准_第3页
3/15
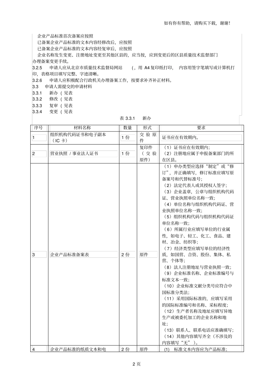
如有你有帮助,请购买下载,谢谢!1页企业产品标准备案工作标准(征求意见稿)1范围本标准规定了企业产品标准备案办理的依据、申请要求、受理条件、办理的工作程序和要求、业务流程、业务办理过程中形成的文件和记录、职责、以及相关流程。本标准适用于企业产品标准备案事项的申请、受理、备案、归档、复审、变更的办理。2依据《中华人民共和国标准化法》1988年12月29日第七届全国人民代表大会常务委员会第五次会议通过《中华人民共和国标准化法实施条例》1990年4月6日国务院第53号令发布《企业标准化管理办法》1990年8月24日国家技术监督局第13号令发布《中华人民共和国标准化法条文解释》1990年7月23日国家技术监督局第12号令发布《北京市工业产品企业标准备案规定》1991年8月19日北京市人民政府批准,1991年10月1日北京市技术监督局发布,2007年11月23日北京市人民政府第200号令修订《关于印发<企业产品标准管理规定>的通知》2009年3月8日国家质量监督检验检疫总局、国家标准化管理委员会国质检标联[2009]84号发布《关于印发<北京市企业产品标准管理办法>的通知》2008年12月25日北京市质量技术监督局京质监标发[2008]431号发布3申请要求3.1申请人资格3.1.1具备法人资格的企事业单位或个体工商户。3.1.2注册地应在本市行政区域内。3.1.3应从事产品生产经营,且非食品生产企业。3.2申请人责任3.2.1企业生产的产品有下列情形之一的,应当制定企业产品标准:a)没有国家标准、行业标准或者地方标准的;b)国家标准、行业标准或者地方标准中只有安全卫生要求的;c)与推荐性国家标准、行业标准、地方标准中的技术指标存在差异的;d)对已有的国家标准、行业标准、地方标准的技术内容进行补充的;e)其他需要制定企业产品标准的。3.2.2企业产品标准应该符合以下原则:a)符合国家有关法律、法规和规章的规定;b)符合强制性国家标准、行业标准和地方标准的要求;c)满足保障人体健康、人身财产安全的要求;d)保护消费者合法权益,保护环境,合理利用资源和节约能源;e)保证产品安全和产品质量;f)完整反映产品的质量特征和功能特性;g)积极采用国际标准和国外先进标准。,其一般程序是编制计划、调查研究、起草标准草案、征求意见,对标准草案进行必要的验证、审查、批准、编号、发布。,向企业登记注册地所属的区县质量技术监督部门备案。各工业局、总公司、集团公司选择集中备案的,向工业局、总公司、集团公司登记注册地的区县质量技术监督部门备案。北京市医疗器械生产企业应在完成医疗器械产品注册后,将经北京市药品监督管理局复核的企业标准报北京市各区、县质量技术监督局备案。3.2.3申请人应对其申请材料实质内容的真实性、合法性负责,并承担因提供不真实材料而产生的法律后果。3.2.4申请人应当按照本工作标准3.3条的要求提交申请材料如有你有帮助,请购买下载,谢谢!2页企业产品标准首次备案应按照已备案企业产品标准的文本内容经修改后,应按照已备案企业产品标准的文本内容经复审后,应按照企业名称发生变更、注册地址变更至其他区县的,应当按,应到变更后的区县质量技术监督部门办理备案变更手续。3.2.5申请人应从北京市质量技术监督局网站(,用A4复印纸打印,内容用签字笔填写或计算机打印,表格项目填写完整、字迹清晰。3.2.6申请人应积极配合行政机关办理备案工作,按要求补齐补正材料。3.3申请人需提交的申请材料3.3.1新办(见表3.3.2修改(见表3.3.3复审(见表3.3.4变更(见表表3.3.1新办序号材料名称数量形式要求1组织机构代码证书和电子副本(IC卡)1份交验原件证书应在有效期内。2营业执照/事业法人证书1份复印件(交验原件)(1)证书应在有效期内;(2)注册地应属于申报备案部门的所在区县。3企业产品标准备案表2份原件(1)申办类型应选择“制定”或“修订”,并正确填写,修订标准应填写原备案号和代替标准号;(2)法定代表人或其授权人签字;(3)企业盖章,公章与组织机构代码证、营业执照单位名称一致;(4)单位名称与组织机构代码证、营业执照单位名称一致;(5)组织机构代码与组织机构代码证单位名称一致;(6)所属行业应填写单位的行业属性,...

1、当您付费下载文档后,您只拥有了使用权限,并不意味着购买了版权,文档只能用于自身使用,不得用于其他商业用途(如 [转卖]进行直接盈利或[编辑后售卖]进行间接盈利)。
2、本站所有内容均由合作方或网友上传,本站不对文档的完整性、权威性及其观点立场正确性做任何保证或承诺!文档内容仅供研究参考,付费前请自行鉴别。
3、如文档内容存在违规,或者侵犯商业秘密、侵犯著作权等,请点击“违规举报”。

碎片内容

企业产品标准备案工作标准

您可能关注的文档

确认删除?
VIP
微信客服
  • 扫码咨询
会员Q群
  • 会员专属群点击这里加入QQ群
客服邮箱
回到顶部