电脑桌面
添加小米粒文库到电脑桌面
安装后可以在桌面快捷访问

北邮C++数据结构课后习题习题3参考答案VIP免费

北邮C++数据结构课后习题习题3参考答案_第1页
1/7
北邮C++数据结构课后习题习题3参考答案_第2页
2/7
北邮C++数据结构课后习题习题3参考答案_第3页
3/7
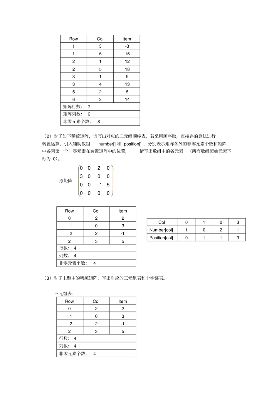
习题31.填空题(部分答案)(1)栈的进出原则是(___________),队列的进出原则是(___________)。答案:后进先出(LIFO)先进先出(FIFO)(2)设32位计算机系统中,空栈S存储int型数据,栈顶指针为1024H。经过操作序列push(1),push(2),pop,push(5),push(7),pop,push(6)之后,栈顶元素为(___________),栈底元素为(___________),栈的高度为(___________),输出序列是(___________),栈顶指针为(___________)H。答案:6132,71030(3)两栈共享存储空间,其数组大小为100,数组下标从0开始。top1和top2分别为栈1和栈2的栈顶元素下标,则栈1为空的条件为(___________),栈2为空的条件为(___________),栈1或栈2满的条件为(___________)。答案:top1==-1top2==100top1+1==top2(4)一个队列的入队顺序是1234,则队列的输出顺序是(___________)。答案:1234(5)设循环队列数组大小为100,队头指针为front,队尾指针为rear;约定front指向队头元素的前一个位置,该位置永远不存放数据。则入队操作时,修改rear=(___________),出队操作修改front=(___________),队空的判别条件为(___________),队满的判别条件为(___________)。若front=20,rear=60,则队列长度为(___________),若front=60,rear=20,则队列长度为(___________)。答案:(rear+1)%100(front+1)%100rear==front(rear+1)%100=front4060(6)朴素模式匹配算法中,每个串的起始下标均为1,变量i=100,j=10,分别表示主串和模式串当前比较的字符元素下标,若本次比较两字符不同,则i回溯为(___________),j回溯为(___________)。答案:921(7)用循环链表表示的队列长度为n,若只设头指针,则出队和入队的时间复杂度分别为(___________)和(___________)。答案:O(1)O(n)(8)一般来说,数组不执行(___________)和(___________)操作,所以通常采用(___________)方法来存储数组。通常有两种存储方式:(___________)和(___________)。答案:删除插入顺序存储行优先存储列优先存储(9)设8行8列的二维数组起始元素为A[0][0],按行优先存储到起始元素下标为0的一维数组B中,则元素B[23]在原二维数组中为(___________)。若该二维数组为上三角矩阵,按行优先压缩存储上三角元素到起始元素下标为0的一维数组C中,则元素C[23]即为原矩阵中的(___________)元素。答案:A[2][7]A[3][5](10)设二维数组A为6行8列,按行优先存储,每个元素占6字节,存储器按字节编址。已知A的起始存储地址为1000H,数组A占用的存储空间大小为(___________)字节,数组A的最后一个元素的下标为(___________),该元素的第一个字节地址为(___________)H,元素A[1][4]的第一个字节的地址为(___________)H。(提示:下标从0开始计)答案:288A[5][7]111AH1048H(11)10行100列的二维数组A按行优先存储,其元素分别为A[1][1]~A[10][100],每个元素占4字节,已知Loc(A[6][7])=10000H,则Loc(A[4][19])=()。答案:FD10H(12)设C++中存储三维数组Amnp,则第一个元素为a000,若按行优先存储,则aijk前面共有(___________)个元素;若按列优先存储,则aijk前面共有(___________)个元素。答案:inp+jp+ki+mj+mnk(13)常见的稀疏矩阵压缩方法有:(___________)和(___________)。答案:三元组表十字链表2.选择题(1)将一个递归算法改为对应的非递归算法时,通常需要使用()。A.数组B.栈C.队列D.二叉树(2)四个元素1、2、3、4依次进栈,出栈次序不可能出现()情况。A.1234B.4132C.1432D.4321(3)设循环队列中数组的下标范围是1~n,其头尾指针分别为f和r,则其元素个数为()。A.r-fB.r-f+1C.(r-f)modn+1D.(r-f+n)modn说明:这里的数组不是指C++数组,也就说假定数组长度依然为n,而不是n+1。(4)设有两个串s1和s2,求s2在s1中首次出现的位置的运算称为()。A.连接B.模式匹配C.求子串D.求串长(5)为了解决计算机主机和键盘输入之间速度不匹配问题,通常设置一个键盘缓冲区,该缓冲区应该是一个()结构。A.栈B.队列C.数组D.线性表(6)STL中的双端队列为()。A.顺序容器B.容...

1、当您付费下载文档后,您只拥有了使用权限,并不意味着购买了版权,文档只能用于自身使用,不得用于其他商业用途(如 [转卖]进行直接盈利或[编辑后售卖]进行间接盈利)。
2、本站所有内容均由合作方或网友上传,本站不对文档的完整性、权威性及其观点立场正确性做任何保证或承诺!文档内容仅供研究参考,付费前请自行鉴别。
3、如文档内容存在违规,或者侵犯商业秘密、侵犯著作权等,请点击“违规举报”。

碎片内容

北邮C++数据结构课后习题习题3参考答案

您可能关注的文档

确认删除?
VIP
微信客服
  • 扫码咨询
会员Q群
  • 会员专属群点击这里加入QQ群
客服邮箱
回到顶部