电脑桌面
添加小米粒文库到电脑桌面
安装后可以在桌面快捷访问

汽车底盘检测与故障诊断VIP免费

汽车底盘检测与故障诊断_第1页
1/89
汽车底盘检测与故障诊断_第2页
2/89
汽车底盘检测与故障诊断_第3页
3/89
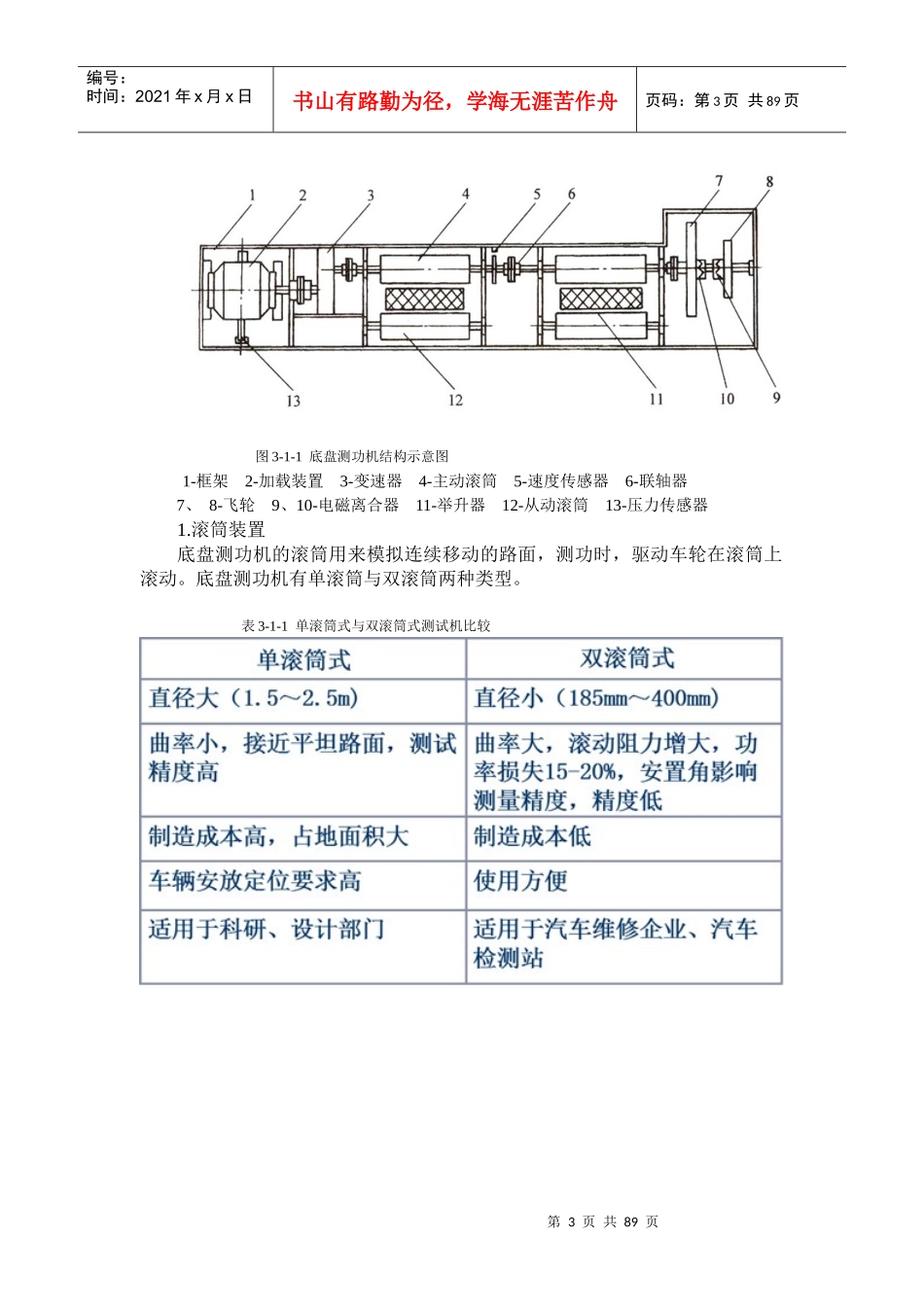
第1页共89页编号:时间:2021年x月x日书山有路勤为径,学海无涯苦作舟页码:第1页共89页第三章汽车底盘检测与故障诊断导学:内容简介:本章主要介绍了汽车发动机的检测与故障维修的项目和相关的检测方法与检测设备。知识结构:第一节驱动轮输出功率的检测驱动轮输出功率的检测方法第二节传动系统的检测与故障诊断(一)离合器的常见故障第三节传动系统的检测与故障诊断(二)机械变速器的常见故障第四节传动系统的检测与故障诊断(三)万向传动装置常见故障第五节驱动系统的检测与故障诊断(四)驱动桥的常见故障第六节驱动系统的检测与故障诊断(五)自动变速器的工作原理第七节驱动系统的检测与故障诊断(六)自动变速器的常见故障第八节汽车行驶系统的检测与故障诊断(一)汽车四轮定位参数的检测第九节汽车行驶系统的检测与故障诊断(二)车轮平衡检测第十节汽车行驶系统的检测与故障诊断(三)悬架性能检测与侧滑量检测第十一节汽车转向系统的检测与故障诊断转向系统的常见故障第十二节汽车制动系统的检测与故障诊断(一)常见液压系统的检测第十三节汽车制动系统的检测与故障诊断(二)常见制动系统的故障第十四节汽车制动系统的检测与故障诊断(三)ABS故障诊断学习重难点学习重点:汽车底盘的各个系统的检测与故障诊断学习难点:汽车行驶系统的检测与故障诊断,制动系统的检测与故障诊断学习目标:1.了解汽车底盘各个系统的常见故障;2.掌握汽车底盘各个系统的检测与故障诊断的过程和方法;第2页共89页第1页共89页编号:时间:2021年x月x日书山有路勤为径,学海无涯苦作舟页码:第2页共89页学习建议:在掌握了汽车底盘的相关检测与故障诊断的基本方法,了解汽车底盘诊断的常用设备后,有兴趣的同学可以根据本文的相关资源链接到相关网站进行知识拓展性学习。学习单元一驱动轮输出功率的检测一、学习导引:导言:汽车驱动轮输出功率是评价汽车技术状况的基本参数之一,了解底盘测功机的结构,会使用底盘测功机测出驱动轮的输出功率。教师建议:了解底盘测功机的结构,可以查阅相关资料,明白其工作原理和工作过程。任务指派:上网搜集、查阅底盘测功机的资料,结合其工作过程视频,明白其结构和工作原理。二、学习内容:汽车驱动轮输出功率是评价汽车技术状况的基本参数之一,汽车性能检测的必检项目。检测驱动力输出功率的目的是获得驱动轮的输出功率或驱动力,将获得的驱动轮的输出功率与发动机的输出功率进行对比,求得传动效率,以评价汽车的动力性和判定汽车底盘传动系统的总的技术状况。驱动轮输出功率的检测是在底盘测功机上进行,其功率的检测俗称底盘测功。一、底盘测功机的结构底盘测功机的功能和组成功能:(1)测试汽车驱动轮输出功率;(2)测试汽车的加速性能;(3)测试汽车的滑行能力和传动系传动效率;(4)检测校验车速表;(5)辅助测量油耗、排气分析底盘测功机组成:滚筒装置、加载装置、测量装置、辅助装置、控制与指示装置,如图所示。第3页共89页第2页共89页编号:时间:2021年x月x日书山有路勤为径,学海无涯苦作舟页码:第3页共89页图3-1-1底盘测功机结构示意图1-框架2-加载装置3-变速器4-主动滚筒5-速度传感器6-联轴器7、8-飞轮9、10-电磁离合器11-举升器12-从动滚筒13-压力传感器1.滚筒装置底盘测功机的滚筒用来模拟连续移动的路面,测功时,驱动车轮在滚筒上滚动。底盘测功机有单滚筒与双滚筒两种类型。表3-1-1单滚筒式与双滚筒式测试机比较第4页共89页第3页共89页编号:时间:2021年x月x日书山有路勤为径,学海无涯苦作舟页码:第4页共89页图3-1-2滚筒式底盘测功试验台a)单轮单滚简式b)双轮双滚筒式c)单轮双滚筒式图3-1-3单滚筒检测时的后轮定位方式图3-1-4双滚筒底盘测功机2.加载装置加载装置俗称测功器,它用来吸收和测量驱动轮上的输出功率,同时它可模拟汽车在道路上行驶所受的各种阻力,使检测时汽车的受力情况如同在道路上行驶一样。测功器采用的类型有:水力测功器、电力测功器和电涡流测功器三种。目前广泛应用的是电涡流测功器。第5页共89页第4页共89页编号:时间:2021年x月x日书山有路勤为径,学海无涯苦作舟页码:第5页共89页图3-1-5水冷式...

1、当您付费下载文档后,您只拥有了使用权限,并不意味着购买了版权,文档只能用于自身使用,不得用于其他商业用途(如 [转卖]进行直接盈利或[编辑后售卖]进行间接盈利)。
2、本站所有内容均由合作方或网友上传,本站不对文档的完整性、权威性及其观点立场正确性做任何保证或承诺!文档内容仅供研究参考,付费前请自行鉴别。
3、如文档内容存在违规,或者侵犯商业秘密、侵犯著作权等,请点击“违规举报”。

碎片内容

汽车底盘检测与故障诊断

您可能关注的文档

确认删除?
VIP
微信客服
  • 扫码咨询
会员Q群
  • 会员专属群点击这里加入QQ群
客服邮箱
回到顶部