电脑桌面
添加小米粒文库到电脑桌面
安装后可以在桌面快捷访问

泵站施工规范VIP免费

泵站施工规范_第1页
1/76
泵站施工规范_第2页
2/76
泵站施工规范_第3页
3/76
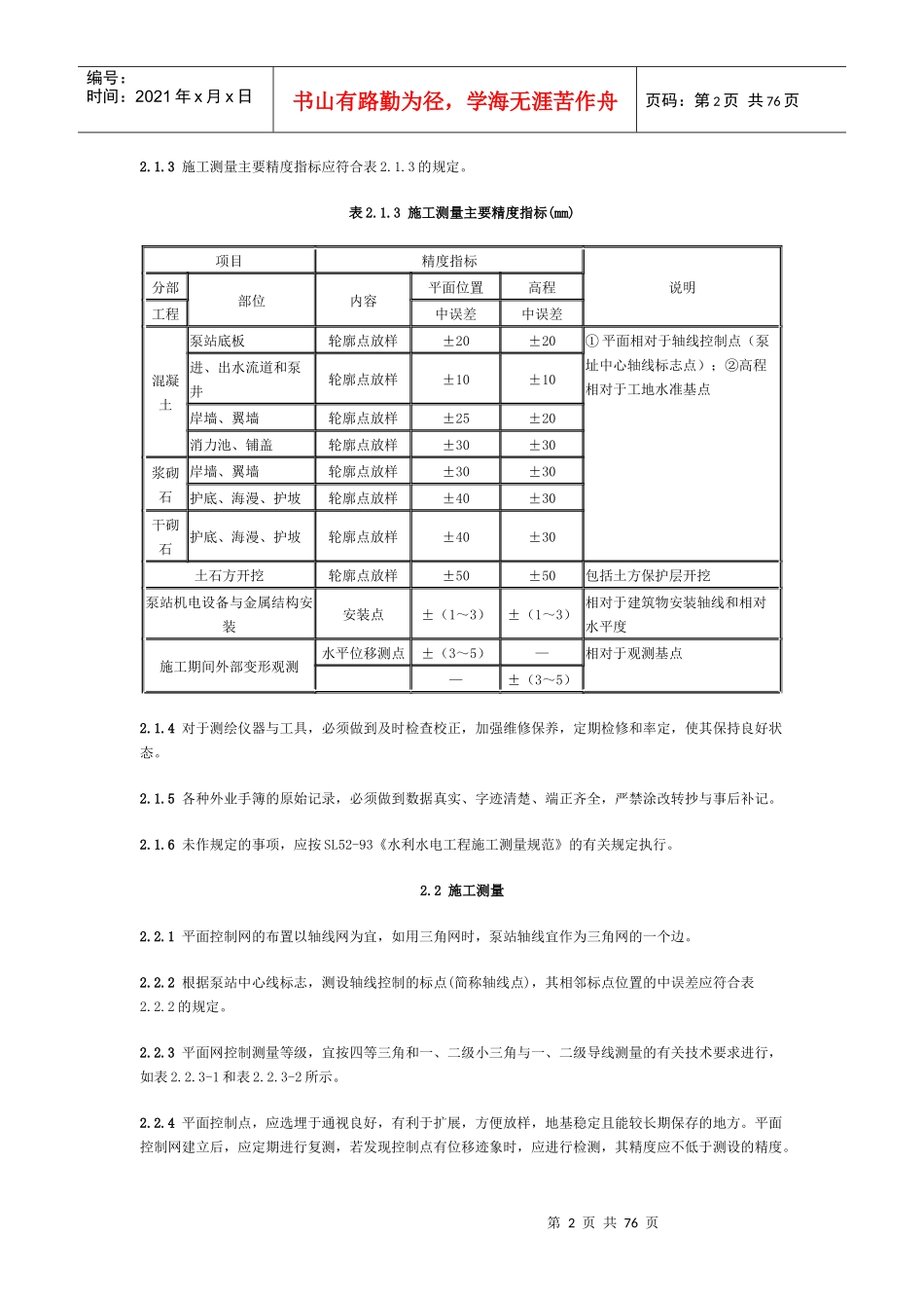
第1页共76页编号:时间:2021年x月x日书山有路勤为径,学海无涯苦作舟页码:第1页共76页压力表的精度等级是以它的允许误差占表盘刻度值的百分数来划分的,其精度等级数越大允许误差占表盘刻度极限值越大。压力表的量程越大,同样精度等级的压力表,它测得压力值的绝对值允许误差越大。经常使用的压力表的精度为2.5、1.5级,如果是1.0和0.5级的属于高精度压力表,现在有的数字压力表已经达到0.25级。泵站施工规范1总则1.0.1为统一泵站施工技术标准,保证泵站施工质量,使泵站工程施工做到优质、安全、经济,保证工期,方便管理,制定本规范。1.0.2本规范适用于新建、扩建或改建的大、中型灌溉、排水及工业、城镇供水泵站的施工。对于小型泵站的施工,可参照使用。1.0.3泵站施工前,必须根据主管部门批准的设计文件编制施工组织设计和复杂重点工程部位的施工措施设计。1.0.4泵站工程应按监理工程师认可签发的图纸施工。如需修改,应报监理工程师处理。1.0.5泵站工程施工应积极采用经过试验和鉴定的新技术、新材料、新设备和新工艺。1.0.6泵站工程施工必须建立完整的施工技术档案。1.0.7泵站工程施工质量评定和施工中间与竣工验收,应按SDJ249-88《水利水电基本建设工程单元工程质量等级评定标准》与SD204-86《泵站技术规范》(验收分册)有关规定执行。1.0.8泵站工程施工除应符合本规范外,尚应符合国家现行有关标准的规定。2施工测量2.1一般规定2.1.1施工测量应包括下列内容:1根据泵站施工总体布置图和有关资料,按施工需要布设施工控制网。2针对泵站工程施工各阶段的不同要求,进行施工放样及检查工作。3提供泵站工程局部施工布置所需要的测绘资料。4泵站建筑物外部变形观测点的埋设和施工期的定期观测工作。5泵站建筑物的几何形体的竣工测量。2.1.2施工平面控制网的坐标系统,宜与规划设计阶段的坐标系统相一致。也可以根据施工需要建立与设计阶段的坐标系统有换算关系的施工坐标系统。施工高程系统,必须与设计阶段的高程系统相一致,并应根据需要与就近国家水准点进行联测。第2页共76页第1页共76页编号:时间:2021年x月x日书山有路勤为径,学海无涯苦作舟页码:第2页共76页2.1.3施工测量主要精度指标应符合表2.1.3的规定。表2.1.3施工测量主要精度指标(mm)项目精度指标说明分部部位内容平面位置高程工程中误差中误差混凝土泵站底板轮廓点放样±20±20①平面相对于轴线控制点(泵址中心轴线标志点);②高程相对于工地水准基点进、出水流道和泵井轮廓点放样±10±10岸墙、翼墙轮廓点放样±25±20消力池、铺盖轮廓点放样±30±30浆砌石岸墙、翼墙轮廓点放样±30±30护底、海漫、护坡轮廓点放样±40±30干砌石护底、海漫、护坡轮廓点放样±40±30土石方开挖轮廓点放样±50±50包括土方保护层开挖泵站机电设备与金属结构安装安装点±(1~3)±(1~3)相对于建筑物安装轴线和相对水平度施工期间外部变形观测水平位移测点±(3~5)—相对于观测基点—±(3~5)2.1.4对于测绘仪器与工具,必须做到及时检查校正,加强维修保养,定期检修和率定,使其保持良好状态。2.1.5各种外业手簿的原始记录,必须做到数据真实、字迹清楚、端正齐全,严禁涂改转抄与事后补记。2.1.6未作规定的事项,应按SL52-93《水利水电工程施工测量规范》的有关规定执行。2.2施工测量2.2.1平面控制网的布置以轴线网为宜,如用三角网时,泵站轴线宜作为三角网的一个边。2.2.2根据泵站中心线标志,测设轴线控制的标点(简称轴线点),其相邻标点位置的中误差应符合表2.2.2的规定。2.2.3平面网控制测量等级,宜按四等三角和一、二级小三角与一、二级导线测量的有关技术要求进行,如表2.2.3-1和表2.2.3-2所示。2.2.4平面控制点,应选埋于通视良好,有利于扩展,方便放样,地基稳定且能较长期保存的地方。平面控制网建立后,应定期进行复测,若发现控制点有位移迹象时,应进行检测,其精度应不低于测设的精度。第3页共76页第2页共76页编号:时间:2021年x月x日书山有路勤为径,学海无涯苦作舟页码:第3页共76页表2.2.2主要轴线点点位中误差限值(mm)轴线类型相对于邻近控制点点位中误差土建轴线±10安装轴线±5表2.2.3-1...

1、当您付费下载文档后,您只拥有了使用权限,并不意味着购买了版权,文档只能用于自身使用,不得用于其他商业用途(如 [转卖]进行直接盈利或[编辑后售卖]进行间接盈利)。
2、本站所有内容均由合作方或网友上传,本站不对文档的完整性、权威性及其观点立场正确性做任何保证或承诺!文档内容仅供研究参考,付费前请自行鉴别。
3、如文档内容存在违规,或者侵犯商业秘密、侵犯著作权等,请点击“违规举报”。

碎片内容

泵站施工规范

确认删除?
VIP
微信客服
  • 扫码咨询
会员Q群
  • 会员专属群点击这里加入QQ群
客服邮箱
回到顶部