电脑桌面
添加小米粒文库到电脑桌面
安装后可以在桌面快捷访问

第7章 砌筑工程doc(已校)VIP免费

第7章 砌筑工程doc(已校)_第1页
1/21
第7章 砌筑工程doc(已校)_第2页
2/21
第7章 砌筑工程doc(已校)_第3页
3/21
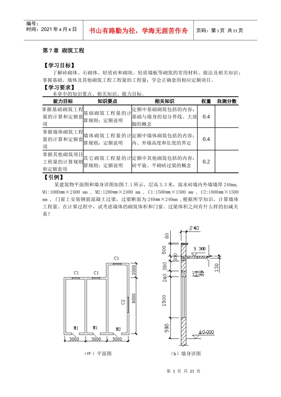
第1页共21页编号:时间:2021年x月x日书山有路勤为径,学海无涯苦作舟页码:第1页共21页第7章砌筑工程【学习目标】了解砖砌体、石砌体、轻质砖和砌块、轻质墙板等砌筑的常用材料、做法及相关知识;掌握基础、墙体及其他砌筑工程工程量的工程量;学会正确套用相应定额项目。【学习要求】本章中的知识要点、相关知识、能力目标。能力目标知识要点相关知识权重自测分数掌握基础砌筑工程量的计算和定额套项基础砌筑工程量的计算规则;定额说明定额中基础砌筑包括的内容;基础与墙身的划分界线、大放脚的概念0.4掌握墙体砌筑工程量的计算和定额套项墙体砌筑工程量的计算规则;定额说明定额中墙体砌筑包括的内容;内、外墙高度和长度的界定0.4掌握其他砌筑项目工程量的计算规则和定额套项其它砌筑工程量的计算规则;定额说明定额中其他砌筑包括的内容;砖平旋、平砌砖过梁的概念0.2【引例】某建筑物平面图和墙身详图如图7.1所示,层高3.3米,混水砖墙内外墙墙厚240mm,M1:1000㎜×2400mm,M2:1200㎜×2400mm,C1:1500㎜×1500mm,C2:1800㎜×1500mm,门窗上安装钢筋混凝土过梁,过梁断面为240㎜×240mm,根据所学知识,计算墙体工程量。在计算过程中,试考虑墙体的砌筑体积和门窗、过梁体积之间有什么样的扣减关系?(a)平面图(b)墙身详图第2页共21页第1页共21页编号:时间:2021年x月x日书山有路勤为径,学海无涯苦作舟页码:第2页共21页图7.1【引例】附图【正文】7.1定额说明7.1.1本章内容本章共包括四部分,砌砖、砌石、砌块、轻质墙板等内容,如表7-1所示:表7-1砌筑工程项目划分7.1.2砌砖、砌块、砌石1.砌筑砂浆的强度等级、砂浆的种类,设计与定额不同时可换算,消耗量不变。2.定额中砖规格是按240㎜×115㎜×53㎜标准砖编制的,空心砖、多孔砖、砌块规格按常用规格编制的,轻质墙板选用常用材质和板型编制的。设计采用非标准砖、非常规用规格砌筑材料与定额不同实可以换算,但每定额单位消耗量不变。轻质墙板的材质、板型设计等,与定额不同时可以换算,但定额消耗量不变。【知识链接】普通粘土砖的用量计算公式:第3页共21页第2页共21页编号:时间:2021年x月x日书山有路勤为径,学海无涯苦作舟页码:第3页共21页砖的用量(块/m3)=2×墙厚砖数÷【墙厚×(砖长+灰缝)×(砖厚+灰厚)】×(1+损耗率)或砖的用量(块/m3)=127×墙厚砖数÷墙厚×(1+损耗率)砂浆用量(m3/m3)=【1-砖单块体积(m3/块)×砖净用量(块/m3)】×(1+损耗率)常见砌筑材料的定额损耗率,如表7-2所示:表7-2常见砌筑材料的定额损耗率材料名称工程类别定额损耗率(%)普通粘土砖砖基础地面、屋面实砌砖墙矩形砖柱、砖水塔砖烟囱异性砖柱0.51.52.03.04.07.0毛石2.0多孔砖加气混凝土砌块轻质混凝土砌块硅盐酸砌块混凝土空心砌块煤渣空心砌块轻质砌体2.07.02.02.02.03.0砌筑砂浆砖砌体毛石、方整石多孔砖加气混凝土砌块硅酸盐砌块1.01.010.02.02.03.砌砖1)砖砌体均包括原浆勾缝用工,加浆勾缝时,按装饰工程相应项目另行计算。【知识链接】原浆勾缝就是利用在砌墙时砖缝里挤出来的灰进行勾缝,原浆勾缝只能在砌墙时同步进行,加浆勾缝则是在墙砌好后,再进行勾缝,由于砌墙时的砂浆已经硬化,所以必须另外配制砂浆,因此叫加浆勾缝,加浆勾缝属于清水墙的装饰,应套用第九章装饰的定额。2)粘土砖砌体计算厚度,按表7-3规定计算:表7-3粘土砖砌体计算厚度表砖数(厚度)1/41/23/411.522.53计算厚度(㎜)531151802403654906157403)女儿墙按外墙计算,砖垛、附墙烟囱、三皮砖以上的腰线和挑檐等体积,按其外形尺寸并入墙身体积计算。不扣除每个横截面积在0.1㎡以下的孔洞所占体积。但洞内的抹灰工程量亦不增加。第4页共21页第3页共21页编号:时间:2021年x月x日书山有路勤为径,学海无涯苦作舟页码:第4页共21页4)零星项目系指小便池槽、蹲台、花台、隔热板下砖墩、石墙砖立边和虎头砖等。5)2砖以上砖挡土墙执行砖基础项目,2砖以内执行砖墙相应项目。6)设计砖砌体中的拉结钢筋,按相应章节另行计算。【特别提示】砖砌体中的拉结筋,按设计施工规范要求,要按钢筋的计算方法计算,构造柱与墙...

1、当您付费下载文档后,您只拥有了使用权限,并不意味着购买了版权,文档只能用于自身使用,不得用于其他商业用途(如 [转卖]进行直接盈利或[编辑后售卖]进行间接盈利)。
2、本站所有内容均由合作方或网友上传,本站不对文档的完整性、权威性及其观点立场正确性做任何保证或承诺!文档内容仅供研究参考,付费前请自行鉴别。
3、如文档内容存在违规,或者侵犯商业秘密、侵犯著作权等,请点击“违规举报”。

碎片内容

第7章 砌筑工程doc(已校)

确认删除?
VIP
微信客服
  • 扫码咨询
会员Q群
  • 会员专属群点击这里加入QQ群
客服邮箱
回到顶部