电脑桌面
添加小米粒文库到电脑桌面
安装后可以在桌面快捷访问

第6章 地基处理与防护工程(已校)VIP免费

第6章 地基处理与防护工程(已校)_第1页
1/9
第6章 地基处理与防护工程(已校)_第2页
2/9
第6章 地基处理与防护工程(已校)_第3页
3/9
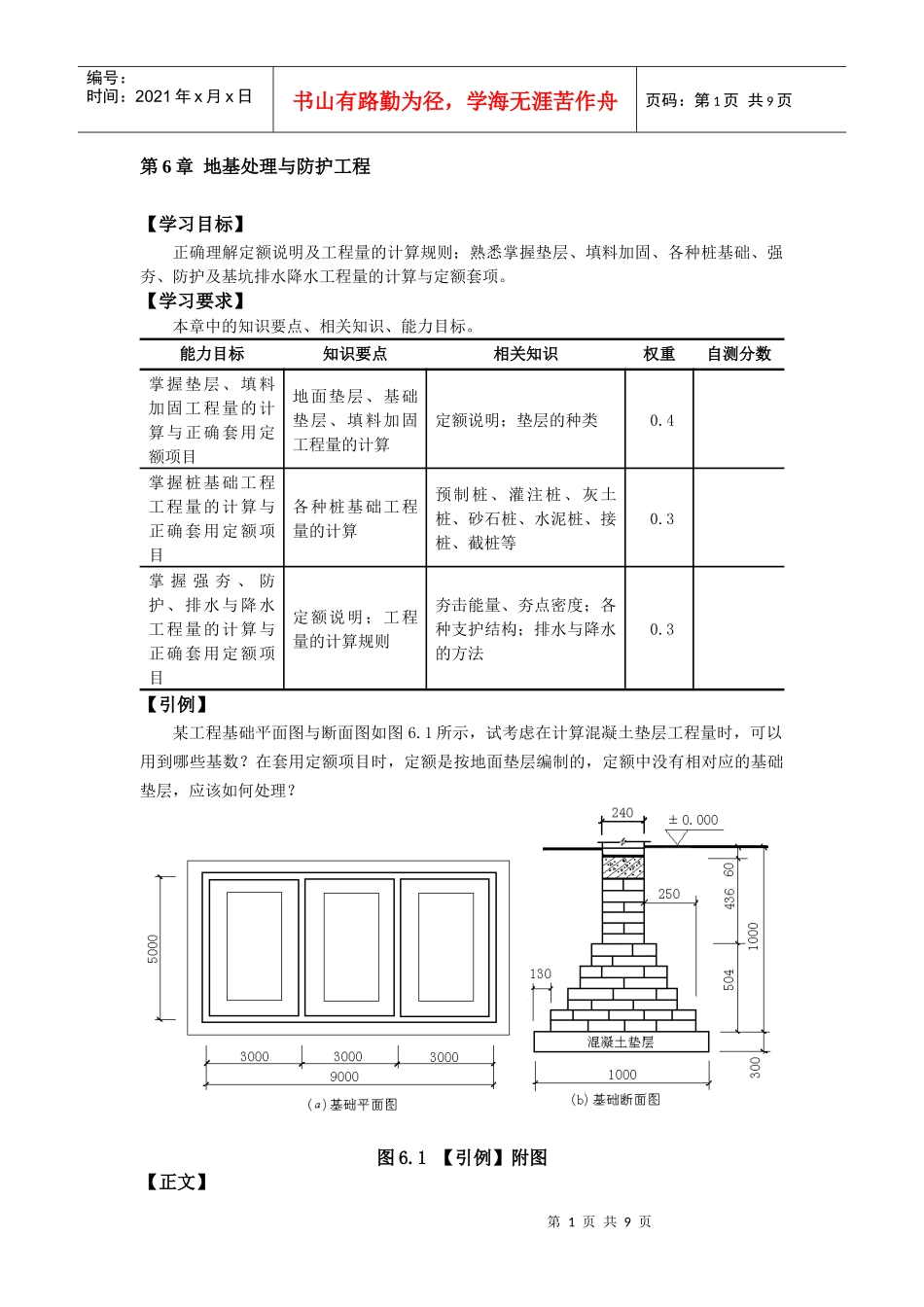
第1页共9页编号:时间:2021年x月x日书山有路勤为径,学海无涯苦作舟页码:第1页共9页第6章地基处理与防护工程【学习目标】正确理解定额说明及工程量的计算规则;熟悉掌握垫层、填料加固、各种桩基础、强夯、防护及基坑排水降水工程量的计算与定额套项。【学习要求】本章中的知识要点、相关知识、能力目标。能力目标知识要点相关知识权重自测分数掌握垫层、填料加固工程量的计算与正确套用定额项目地面垫层、基础垫层、填料加固工程量的计算定额说明;垫层的种类0.4掌握桩基础工程工程量的计算与正确套用定额项目各种桩基础工程量的计算预制桩、灌注桩、灰土桩、砂石桩、水泥桩、接桩、截桩等0.3掌握强夯、防护、排水与降水工程量的计算与正确套用定额项目定额说明;工程量的计算规则夯击能量、夯点密度;各种支护结构;排水与降水的方法0.3【引例】某工程基础平面图与断面图如图6.1所示,试考虑在计算混凝土垫层工程量时,可以用到哪些基数?在套用定额项目时,定额是按地面垫层编制的,定额中没有相对应的基础垫层,应该如何处理?图6.1【引例】附图【正文】第2页共9页第1页共9页编号:时间:2021年x月x日书山有路勤为径,学海无涯苦作舟页码:第2页共9页6.1定额说明1.本章包括垫层、填料加固、桩基础、强夯、防护与排水、降水等六项内容。2.垫层定额是按地面垫层编制。若为基础垫层,人工、机械分别乘以下列系数:条形基础乘1.05;独立基础乘1.10;满堂基础乘1.00。3.填料加固定额用于软弱地基挖土后的换填材料加固工程。【特别提示】填料加固与垫层的区别:垫层:平面尺寸比基础略大(一般≤200㎜),总体厚度较填料加固小(一般≤500㎜),垫层与槽(坑)边有一定的间距(不呈满填状态);填料加固:用于软弱地基整体或局部大开挖后的换填,其平面尺寸由建筑物地基的整体或局部尺寸、以及地基的承载力决定,总体厚度较大(一般>500㎜),一般呈满填状态。4.桩基础桩基础工程按设计桩长,确定其工程类别,执行相应的费率。桩基础工程应单独编制工程预、结算。1)单位工程的桩基础工程量在表6-1数量以内时,相应定额人工、机械乘以小型工程系数1.05。表6-1小型工程系数表项目单位工程的工程量预制钢筋混凝土桩100m3灌注桩60m3钢工具桩50t2)打桩工程按陆地打垂直桩编制。设计要求打斜桩时,斜度小于1:6时,相应定额人工、机械乘以系数1.25;斜度大于1:6时,相应定额人工、机械乘以系数1.43。【特别提示】如图6.2,斜度d/h,表示在竖直方向上,每前进单位高度所偏离的水平距离。3)桩间补桩或在强夯后的地基上打桩时,相应定额人工、机械乘以系数1.15。4)打试验桩时,相应定额人工、机械乘以系数2.00。5)预制钢筋混凝土桩工程预、结算的主要内容,除打(压)桩执行本章相应项目外,另外:(1)预制钢筋混凝土桩成品桩体的费用,按双方认可的价格列入;现场预制钢筋混凝土桩(包括桩体混凝土、混凝土搅拌、模板、钢筋及其连接、铁件等),执行第4章及其相应项目。(2)预制钢筋混凝土桩在桩位半径15m范围内的移动、起吊和就位,已包括在打桩项目内。超过15m时的场内运输,执行第10章构件运输1km项目。(3)预制钢筋混凝土桩的桩长,应按设计规定确定。预制钢筋混凝土桩截桩,长度≤1m时,不扣减打桩工程量;长度>1m时,其超过部分按实扣减打桩工程量,但不应扣减桩体及其场内运输工程量。第3页共9页第2页共9页编号:时间:2021年x月x日书山有路勤为径,学海无涯苦作舟页码:第3页共9页(4)预制钢筋混凝土桩的截桩不包括凿桩头,截桩和凿桩头均不包括桩头钢筋的整理,桩头钢筋的整理,按所整理的桩的根数计算。(5)本章不包括静测、动测的测桩项目,测桩只能计列一次,实际发生时,按合同约定价格计入。6)打送桩时,相应定额人工、机械乘以表6-2系数。表6-2送桩深度系数表送桩深度系数2m以内1.124m以内1.254m以外1.57)灌注桩已考虑了桩体充盈部分的消耗量,其中灌注砂、石桩还包括级配密实的消耗量。【特别提示】(1)灌注混凝土桩的混凝土搅拌、钢筋及连接、铁件等,执行第4章及相应项目。(2)螺旋钻机钻孔桩土方的场内运输、回旋钻机钻孔桩的泥浆运输、人工挖...

1、当您付费下载文档后,您只拥有了使用权限,并不意味着购买了版权,文档只能用于自身使用,不得用于其他商业用途(如 [转卖]进行直接盈利或[编辑后售卖]进行间接盈利)。
2、本站所有内容均由合作方或网友上传,本站不对文档的完整性、权威性及其观点立场正确性做任何保证或承诺!文档内容仅供研究参考,付费前请自行鉴别。
3、如文档内容存在违规,或者侵犯商业秘密、侵犯著作权等,请点击“违规举报”。

碎片内容

第6章 地基处理与防护工程(已校)

确认删除?
VIP
微信客服
  • 扫码咨询
会员Q群
  • 会员专属群点击这里加入QQ群
客服邮箱
回到顶部