电脑桌面
添加小米粒文库到电脑桌面
安装后可以在桌面快捷访问

信号与系统实验(新)VIP免费

信号与系统实验(新)_第1页
1/27
信号与系统实验(新)_第2页
2/27
信号与系统实验(新)_第3页
3/27
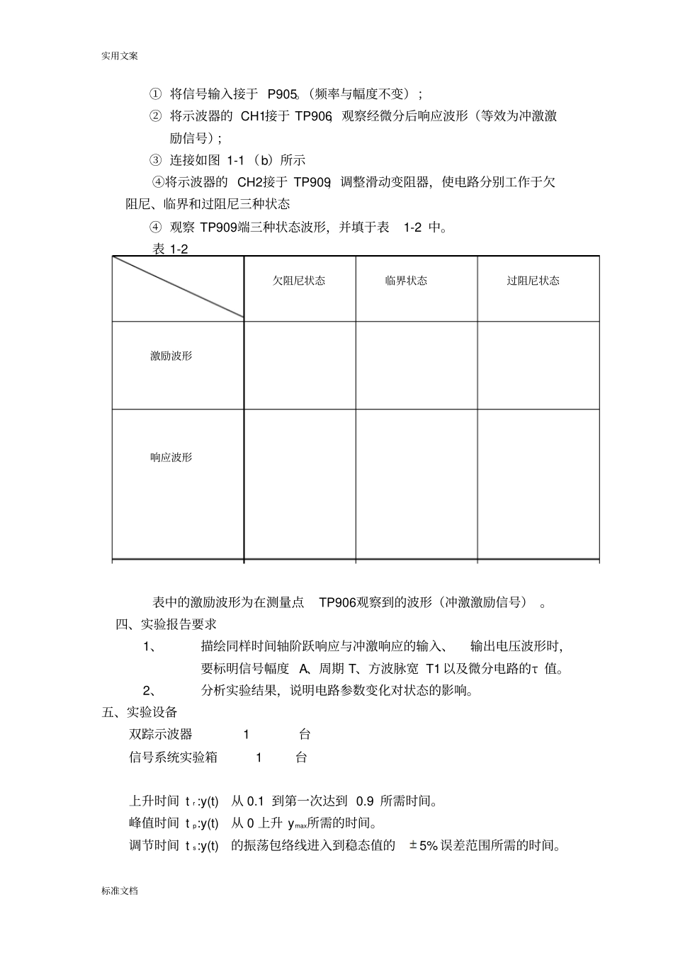
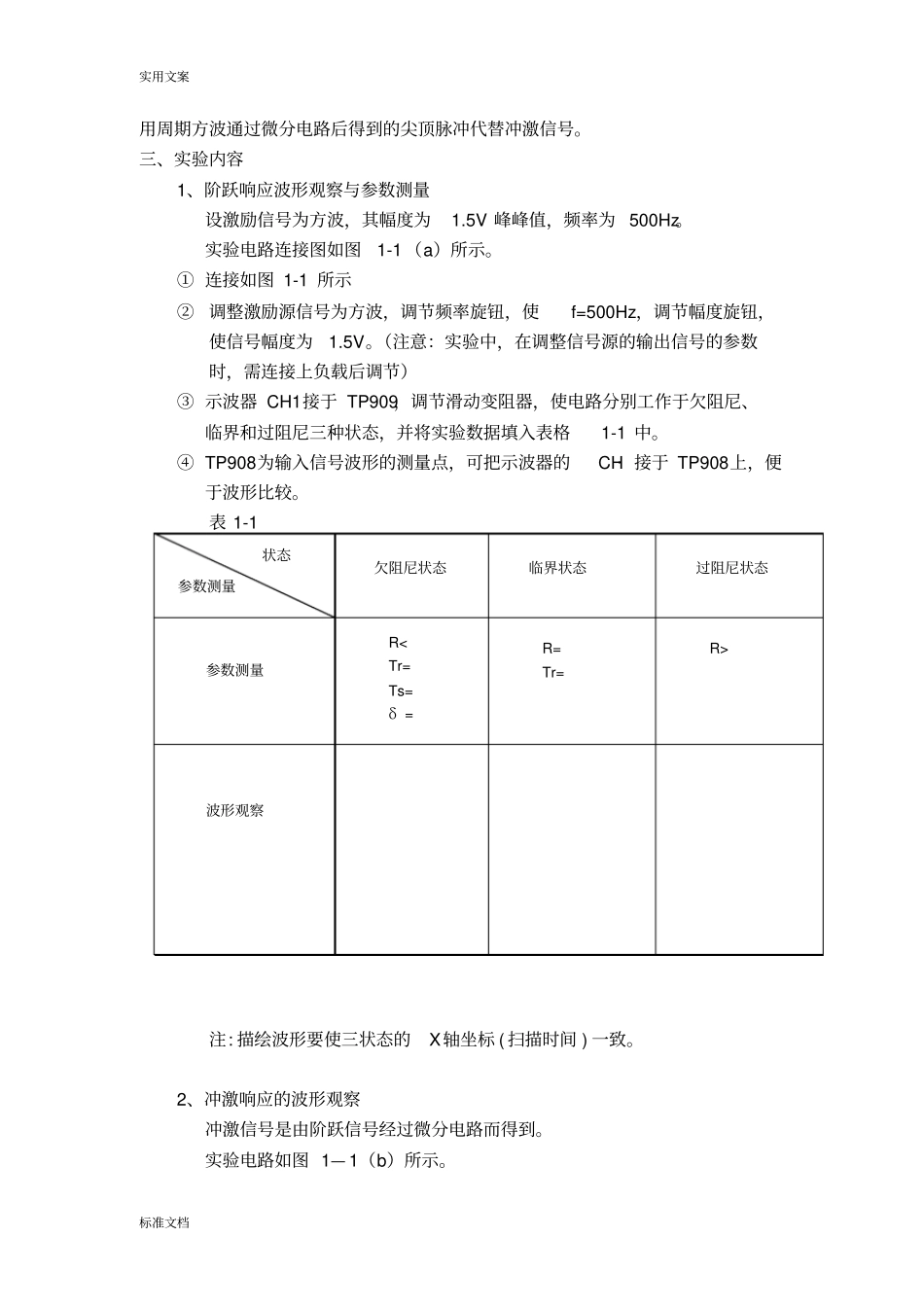
实用文案标准文档信号与系统实验实验1阶跃响应与冲激响应一、实验目的1、观察和测量RLC串联电路的阶跃响应与冲激响应的波形和有关参数,并研究其电路元件参数变化对响应状态的影响;2、掌握有关信号时域的测量方法。二、实验原理说明实验如图1-1所示RLC串联电路的阶跃响应与冲激响应的电路连接图,图1-1(a)为阶跃响应电路连接示意图;图1-1(b)为冲激响应电路连接示意图。123321DCBATitleNumberSizeADate:3-Sep-2006File:PROGRAMFILES\DESIGNEXP10K11610MHA0.1UVCC信号源方波信号P905P906TP908TP909图1-1(a)阶跃响应电路连接示意图123321DCBATitleNumberSizeADate:3-Sep-2006File:CPROGRAMFILES\DESIGNEXPLORE10K11610MHA0.1Ugnd信号源方波信号P905P906TP906TP9090.1u1kgndTP905图1-1(b)冲激响应电路连接示意图其响应有以下三种状态:(1)、当电阻CLR2时,称过阻尼状态;(2)当电阻CLR2时,称临界状态;(3)当电阻CLR2时,称欠阻尼状态;冲激信号是阶跃信号的导数,所以对线性时不变电路冲激响应也是阶跃响应的导数。为了便于用示波器观察响应波形,实验中用周期方波代替阶跃信号。而实用文案标准文档用周期方波通过微分电路后得到的尖顶脉冲代替冲激信号。三、实验内容1、阶跃响应波形观察与参数测量设激励信号为方波,其幅度为1.5V峰峰值,频率为500Hz。实验电路连接图如图1-1(a)所示。①连接如图1-1所示②调整激励源信号为方波,调节频率旋钮,使f=500Hz,调节幅度旋钮,使信号幅度为1.5V。(注意:实验中,在调整信号源的输出信号的参数时,需连接上负载后调节)③示波器CH1接于TP909,调节滑动变阻器,使电路分别工作于欠阻尼、临界和过阻尼三种状态,并将实验数据填入表格1-1中。④TP908为输入信号波形的测量点,可把示波器的CH·接于TP908上,便于波形比较。表1-1注:描绘波形要使三状态的X轴坐标(扫描时间)一致。2、冲激响应的波形观察冲激信号是由阶跃信号经过微分电路而得到。实验电路如图1—1(b)所示。参数测量波形观察欠阻尼状态临界状态过阻尼状态状态参数测量R实用文案标准文档①将信号输入接于P905。(频率与幅度不变);②将示波器的CH1接于TP906,观察经微分后响应波形(等效为冲激激励信号);③连接如图1-1(b)所示④将示波器的CH2接于TP909,调整滑动变阻器,使电路分别工作于欠阻尼、临界和过阻尼三种状态④观察TP909端三种状态波形,并填于表1-2中。表1-2表中的激励波形为在测量点TP906观察到的波形(冲激激励信号)。四、实验报告要求1、描绘同样时间轴阶跃响应与冲激响应的输入、输出电压波形时,要标明信号幅度A、周期T、方波脉宽T1以及微分电路的τ值。2、分析实验结果,说明电路参数变化对状态的影响。五、实验设备双踪示波器1台信号系统实验箱1台上升时间tr:y(t)从0.1到第一次达到0.9所需时间。峰值时间tp:y(t)从0上升ymax所需的时间。调节时间ts:y(t)的振荡包络线进入到稳态值的%5误差范围所需的时间。激励波形响应波形欠阻尼状态临界状态过阻尼状态实用文案标准文档最大超调量:%100)()(maxyyyptrtptsY(oo)YmaxtY(t)实用文案标准文档实验2连续时间系统的模拟一、实验目的1、了解基本运算器——加法器、标量乘法器和积分器的电路结构和运算功能;2、掌握用基本运算单元模拟连续实践系统的方法。二、实验原理说明1、线性系统的模拟系统的模拟就是用由基本运算单元组成的模拟装置来模拟实际的系统。这些实际系统可以使电的或非电的物理量系统,也可以是社会、经济和军事等非物理量系统。模拟装置可以与实际系统的内容完全不同,但是两者的微分方程完全相同,输入、输出关系即传输函数也完全相同。模拟装置的激励和响应是电物理量,而实际系统的激励和响应不一定是电物理量,但它们之间的关系是一一对应的。所以,可以通过对模拟装置的研究分析实际系统,最终达到一定条件下确定最佳参数的目的。2、基本运算电路a)比例放大器,如图2-1。U1R1R2U0543U0U1R2R1图2-1比例放大电路连接示意图b)加法器,如图2-2。)u2u1()u2u1(R1R2uoR2R154R1R2=R1R1U1U2U0图2-2加法器电路连接示意图实用文案标准文档c)积分器,如图2-3。u1dt...

1、当您付费下载文档后,您只拥有了使用权限,并不意味着购买了版权,文档只能用于自身使用,不得用于其他商业用途(如 [转卖]进行直接盈利或[编辑后售卖]进行间接盈利)。
2、本站所有内容均由合作方或网友上传,本站不对文档的完整性、权威性及其观点立场正确性做任何保证或承诺!文档内容仅供研究参考,付费前请自行鉴别。
3、如文档内容存在违规,或者侵犯商业秘密、侵犯著作权等,请点击“违规举报”。

碎片内容

信号与系统实验(新)

确认删除?
VIP
微信客服
  • 扫码咨询
会员Q群
  • 会员专属群点击这里加入QQ群
客服邮箱
回到顶部