电脑桌面
添加小米粒文库到电脑桌面
安装后可以在桌面快捷访问

插头注塑成型培训资料全VIP免费

插头注塑成型培训资料全_第1页
1/12
插头注塑成型培训资料全_第2页
2/12
插头注塑成型培训资料全_第3页
3/12
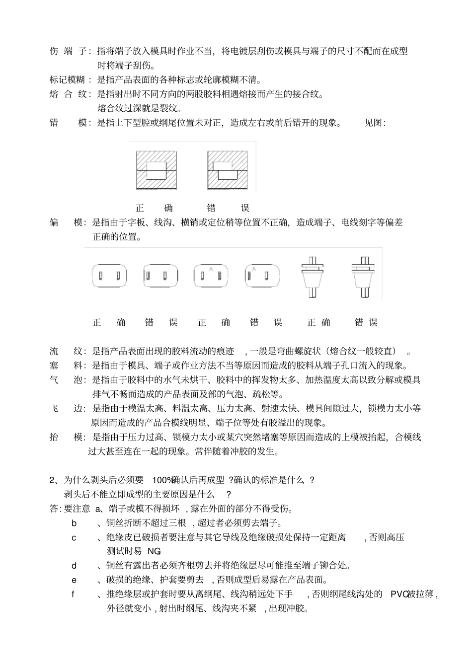
培训教材(A)员工应知题库(成型组)1、什么是压线、爆线、缺料、缩水、变形、错模、偏模、歪头、端子高低、烧焦、杂质、伤端子、标记模糊、熔合纹、流纹、塞料、气泡、裂纹?答:压线:是指电线在型腔纲尾或线沟放置的位置不正确,造成合模时被压伤。轻者绝缘或护套受到损伤;重者导体都会露出来。爆线:是指电线在型腔放置的位置不正确,在射出时PVC胶料将电线冲歪以致暴露在插头表面。冲胶:是指由于射出压力过大、料温过高或电线外径过小模具夹不紧等而造成的电线被冲出破皮,甚至PVC沿电线冲出烫坏电线,电线过度后退拉断铜丝等。缺料:是指射出时PVC胶料未充满型腔及纲尾,造成的少肉现象。缩水:是指射出时PVC胶料虽已充满型腔,但由于射出的条件调整不佳以致插头冷却后,表面收缩凹陷过大,尺寸也会造成偏差。变形:是指冷却时间过短,产品尚很软时就强行出模以致受力变形,或冷却时间虽已足够,但由于出模时取出的方式不正确(如离模具很近的地方一手抓线等),局部挂线太多互相挤压等原因以致受力变型。歪头:是变形的一种,特指端子与插头端子面不垂直。见图正确错误正确错误端子高低:是指由于模具未能正确定位,未将端子放在正确位置、冷却时间过短等原因造成的端子位置不正确,尺寸超出公差。(见图)烧焦:是指由于长时间加温而不射料或射料较少而引起的PVC胶料变色、气泡甚至固化而堵塞料管。杂质:是指由于换料不彻底或胶料中有杂物而造成产品表面有杂物的现象。伤端子:指将端子放入模具时作业不当,将电镀层刮伤或模具与端子的尺寸不配而在成型时将端子刮伤。标记模糊:是指产品表面的各种标志或轮廓模糊不清。熔合纹:是指射出时不同方向的两股胶料相遇熔接而产生的接合纹。熔合纹过深就是裂纹。错模:是指上下型腔或纲尾位置未对正,造成左右或前后错开的现象。见图:正确错误偏模:是指由于字板、线沟、横销或定位稍等位置不正确,造成端子、电线刻字等偏差正确的位置。正确错误正确错误正确错误流纹:是指产品表面出现的胶料流动的痕迹,一般是弯曲螺旋状(熔合纹一般较直)。塞料:是指由于模具、端子或作业方法不当等原因而造成的胶料从端子孔口流入的现象。气泡:是指由于胶料中的水气未烘干、胶料中的挥发物太多、加热温度太高以致分解或模具排气不畅而造成的产品表面及部的气泡、疏松等。飞边:是指由于模温太高、料温太高、压力太高、射速太快、模具间隙过大,锁模力太小等原因而造成的产品合模线明显、端子位等处有胶溢出的现象。抬模:是指由于压力过高、锁模力太小或某穴突然堵塞等原因而造成的上模被抬起,合模线过大甚至连在一起的现象。常伴随着冲胶的发生。2、为什么剥头后必须要100%确认后再成型?确认的标准是什么?剥头后不能立即成型的主要原因是什么?答:要注意a、端子或模不得损坏,露在外面的部分不得受伤。b、铜丝折断不超过三根,超过者必须剪去端子。c、绝缘皮已破损者要注意与其它导线及绝缘破损处保持一定距离,否则高压测试时易NG。d、铜丝有露出者必须齐根剪去并将绝缘层尽可能推至端子铆合处。e、破损的绝缘、护套要剪去,否则成型后易露在产品表面。f、推绝缘层或护套时要从离纲尾、线沟稍远处下手,否则纲尾线沟处的PVC被拉薄,外径就变小,射出时纲尾、线沟夹不紧,出现冲胶。剥头后不能立即成型的原因是:a、剥头时极易剪断或拉断铜丝超过三根。b、剥头时极易剪破绝缘层,成型后高压测试NG。c.剥头时外皮破损,不经修剪会爆出产品表面。d、外皮被拉长,或不推回。3、PVC用错会造成什么后果?硬度、颜色、性能、N.M.耐硫化、N.M.UL温度、W-A。答:a、硬度:不同的插头、SR等需要不同硬度的胶料与其配合,这样才能达到相应的性能要求标准,如有些插头需要SA95(35P)的PVC才符合标准(端子将不会被拉出),但有些插头需要SA80的PVC才满足摇摆试验的要求;一般SR用较软的料,但有时为达到某种目的反而用硬料。故硬度不是随意给出的,必须按产品工程图或其它技术文件规定使用。不明之处需向开发课询问。b、颜色:颜色是最容易被客户挑剔的。颜色的表示方法有多种,各供应都有不同的规定。我公司是以YJ来表示颜色的。核对颜色是否正确,除编号以外,还必须用眼睛为比对。比...

1、当您付费下载文档后,您只拥有了使用权限,并不意味着购买了版权,文档只能用于自身使用,不得用于其他商业用途(如 [转卖]进行直接盈利或[编辑后售卖]进行间接盈利)。
2、本站所有内容均由合作方或网友上传,本站不对文档的完整性、权威性及其观点立场正确性做任何保证或承诺!文档内容仅供研究参考,付费前请自行鉴别。
3、如文档内容存在违规,或者侵犯商业秘密、侵犯著作权等,请点击“违规举报”。

碎片内容

插头注塑成型培训资料全

您可能关注的文档

确认删除?
VIP
微信客服
  • 扫码咨询
会员Q群
  • 会员专属群点击这里加入QQ群
客服邮箱
回到顶部