电脑桌面
添加小米粒文库到电脑桌面
安装后可以在桌面快捷访问

10KV变压器现场试验记录VIP免费

10KV变压器现场试验记录_第1页
1/51
10KV变压器现场试验记录_第2页
2/51
10KV变压器现场试验记录_第3页
3/51
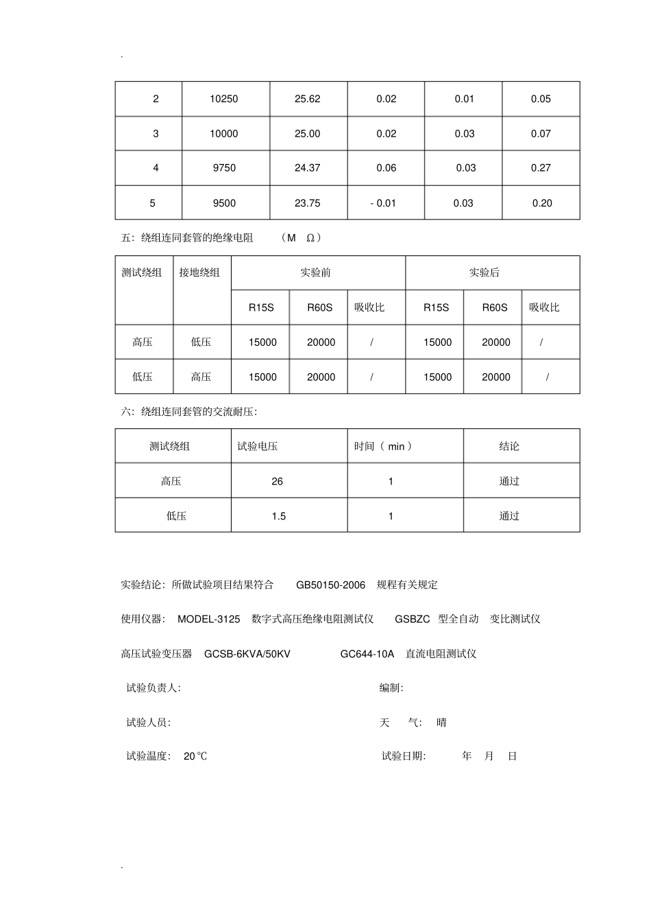
..XXXXX电力工程有限公司电气设备试验调试报告报告类型:800kVA箱式变压器试验报告日期:2014年10月10日客户名称:XXXXX有限公司项目名称:XXXXX有限公司3*800kVA箱变安装项目审核:批准:编制:..10KV变压器现场试验记录型号:SCB10-800/10额定容量:800KVA额定电压:10/0.4日期:20149出厂序号:1485252联接组标号:Dyn11生产厂家:新疆邦特电器制造有限公司阻抗电压:6.06%一:绕组联同套管的直流电阻线圈分接位置ABBCAC电阻不平衡率%10KV(MΩ)1928.4928.9930.40.022915.3915.6917.20.023879.6880.2881.40.024857.4878.7862.30.025840.3856.5849.30.020.4kv侧(MΩ)aoboco电阻不平衡率%0.43400.44070.44090.3二,联接组别检查:变压器三相接线组别正确。三:铁心对地绝缘电阻;500MΩ四:变压比检查:分接位置分接位置(v)额定变比电压比偏差(%)AB/abBC/bcACac11050026.250.030.01-0.01..21025025.620.020.010.0531000025.000.020.030.074975024.370.060.030.275950023.75-0.010.030.20五:绕组连同套管的绝缘电阻(MΩ)测试绕组接地绕组实验前实验后R15SR60S吸收比R15SR60S吸收比高压低压1500020000/1500020000/低压高压1500020000/1500020000/六:绕组连同套管的交流耐压:测试绕组试验电压时间(min)结论高压261通过低压1.51通过实验结论:所做试验项目结果符合GB50150-2006规程有关规定使用仪器:MODEL-3125数字式高压绝缘电阻测试仪GSBZC型全自动变比测试仪高压试验变压器GCSB-6KVA/50KVGC644-10A直流电阻测试仪试验负责人:编制:试验人员:天气:晴试验温度:20℃试验日期:年月日..10KV高压柜现场试验记录柜号:1#计量柜电流互感器,电压互感器,绝缘子,母线绝缘电阻测试(MΩ)测试相接地相实验前实验后结果R15SR60S吸收比R15SR60S吸收比通过ABC60000100000/60000100000/通过BAC60000100000/60000100000/通过CAB60000100000/60000100000/通过交流耐压(Kv)测试相接地相主回路断口通过ABC3333通过BAC3333通过CAB3333通过结论:所做试验项目结果符合GB50150-2006柜号:2#出线柜真空断路器,电压互感器,电流互感器,绝缘子,母线..绝缘电阻测试(MΩ)测试相接地相实验前实验后结果R15SR60S吸收比R15SR60S吸收比通过ABC60000100000/60000100000/通过BAC60000100000/60000100000/通过CAB60000100000/60000100000/通过交流耐压(Kv)测试相接地相主回路断口通过ABC3333通过BAC3333通过CAB3333通过结论:所做试验项目结果符合GB50150-2006使用仪器:高压试验变压器GCSB-10KVA/50KVMODEL-3125数字式高压绝缘电阻测试仪试验负责人:编制:试验人员:天气:晴试验温度:20℃试验日期:年月日..10KV氧化锌避雷器现场试验记录柜号;1进线柜型号HY5WZ-17/45生产厂家浙江温州沈高所电气有限公司试验项目/相别ABC绝缘电阻(MΩ)实验前试验后实验前试验后实验前试验后100000100000100000100000100000100000直流1mA电压(KA)26.526.527.20.75UmA下泄漏电流μA2.32.31.7结论符合出厂技术数据:符合GB50150-2006规程有关规定柜号;2出线柜型号HY5WZ-17/45生产厂家浙江温州沈高所电气有限公司试验项目/相别ABC..绝缘电阻(MΩ)实验前试验后实验前试验后实验前试验后100000100000100000100000100000100000直流1mA电压(KA)26.526.527.20.75UmA下泄漏电流μA2.32.31.7结论符合出厂技术数据:符合GB50150-2006规程有关规定使用仪器:MODEL-3125数字式高压绝缘电阻测试仪直流高压发生器ZGF-120/2试验负责人:编制:试验人员:天气:晴试验温度:20℃试验日期:年月日..低压柜现场调试记录一.GGD低压柜主母线绝缘电阻(MΩ)试验项目/相别a-地b-地c-地o绝缘电阻(MΩ)>500>500>500>500二.低压出线各回路绝缘电阻(MΩ)试验项目/相别a-地b-地c-地绝缘电阻(MΩ)>500>500>500使用仪器:MODEL-3125数字式高压绝缘电阻测试仪试验负责人:编制:试验人员:天气:晴..试验温度:20℃试验日期:年月日接地网现场测试记录测试地点主接地接地电阻值3.4测试地点800KVA变压器主接地接地电阻值3.4使用仪器:GC2571数字接地电阻测试仪0.4KV母线现场试验记录..变压器-低压柜试验项目/相别...

1、当您付费下载文档后,您只拥有了使用权限,并不意味着购买了版权,文档只能用于自身使用,不得用于其他商业用途(如 [转卖]进行直接盈利或[编辑后售卖]进行间接盈利)。
2、本站所有内容均由合作方或网友上传,本站不对文档的完整性、权威性及其观点立场正确性做任何保证或承诺!文档内容仅供研究参考,付费前请自行鉴别。
3、如文档内容存在违规,或者侵犯商业秘密、侵犯著作权等,请点击“违规举报”。

碎片内容

10KV变压器现场试验记录

确认删除?
VIP
微信客服
  • 扫码咨询
会员Q群
  • 会员专属群点击这里加入QQ群
客服邮箱
回到顶部