电脑桌面
添加小米粒文库到电脑桌面
安装后可以在桌面快捷访问

医院气体设计说明书(液氧)VIP免费

医院气体设计说明书(液氧)_第1页
1/13
医院气体设计说明书(液氧)_第2页
2/13
医院气体设计说明书(液氧)_第3页
3/13
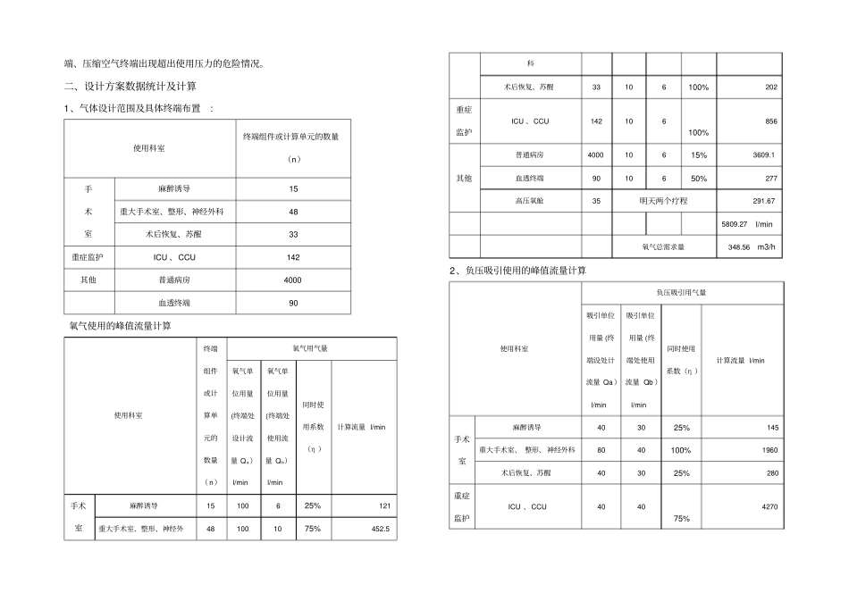
一.概述1、本方案具有下列特点:◆充分结合了目前国内外医用气体系统先进设计理念及国内知名医院设计模式;◆设计的动力设备目前国内医院普遍使用率较高,运行性能良好,经济合理;◆设计规范在按照GB50751-2012《医用气体工程技术规范》前提下,又参照了GB50333-2013《医院洁净手术部建筑技术规范——医用气体篇》要求。◆大楼内供氧、吸引、压缩空气系统主管管道设计十路作为大楼内所有病区的供气主管。第一路供往1#门诊综合楼小手术室、ICU区域,第二路供往1#门诊综合楼普通病房区域;第三路供往连廊楼手术部区域,第四路供往连廊楼普通病房区域;第五路供往2#外科楼手术部区域,第六路供往2#外科楼普通病房区域;第七路供往3#内科楼手术部、ICU区域,第八路供往3#内科楼普通病房区域;第九路、第十路备用。◆保证系统今后的扩展性,氧气、吸引、压缩空气机房总管出口处预留阀门,可连接今后其它大楼的用气连接之用。2、项目概况:临沂市人民医院本次医用气体系统工程合计4328套用气单元,其中包括:(1)、手术部区域:重大手术室48间,麻醉诱导15床,术后恢复苏醒33床;(2)、重症监护区域:ICU、CCU142床,血透90床(3)、病房区域:普通病房4000床(4)、35人位高压氧舱。3、医用供气系统的设计要点:(1)、解决全系统的最佳气体流量及压力分配问题:①根据整幢大楼的总用气点流量,从主管、横管、支管进行一系列的实际与理论相结合的计算,确定最佳管径保证了用气点的气体流量。②为保证压力符合使用要求,氧气、空气每层均有流量调压装置均采用双路设计,并能根据需要调节使用压力。(2)、解决全系统的密封性问题:为了提高系统密封性,从工程设计到施工、材料选购、检验均严格按照GB50751-2012《医用气体工程技术规范》、国家医药行业标准YY/T0186-0187-94《医用中心吸引、中心供氧系统通用技术条件》及国家相关标准执行。中心供氧、吸引、压缩空气系统均设计脱脂紫铜管,连接均采用标准的医用紫铜管件连接金属密封后银钎基焊接,保证了大楼医用气体工程整个系统的气密性。(3)、解决全系统的寿命及安全性问题:①为了保证系统整体寿命,除所选用的产品均是国内知名品牌浙江海亮产品外,另外从脱脂紫铜管的连接采用金属管件密封,系统中无非金属密封材料,避免了系统的老化,且铜元有杀菌抑菌功能。从而保证整套管路系统使用寿命超过30年。②供氧整个系统中氧气、压缩空气部分的所有减压装置均采用双路设计,一路使用一路备用。且每个减压装置中均设有一套安全阀,当减压装置故障出口压力高于最高使用压力时,安全阀自动开启并进行卸压,从而避免了氧气终端、压缩空气终端出现超出使用压力的危险情况。二、设计方案数据统计及计算1、气体设计范围及具体终端布置:使用科室终端组件或计算单元的数量(n)手术室麻醉诱导15重大手术室、整形、神经外科48术后恢复、苏醒33重症监护ICU、CCU142其他普通病房4000血透终端90氧气使用的峰值流量计算使用科室终端组件或计算单元的数量(n)氧气用气量氧气单位用量(终端处设计流量Qa)l/min氧气单位用量(终端处使用流量Qb)l/min同时使用系数(η)计算流量l/min手术室麻醉诱导15100625%121重大手术室、整形、神经外481001075%452.5科术后恢复、苏醒33106100%202重症监护ICU、CCU142106100%856其他普通病房400010615%3609.1血透终端9010650%277高压氧舱35明天两个疗程291.675809.27l/min氧气总需求量348.56m3/h2、负压吸引使用的峰值流量计算使用科室负压吸引用气量吸引单位用量(终端设处计流量Qa)l/min吸引单位用量(终端处使用流量Qb)l/min同时使用系数(η)计算流量l/min手术室麻醉诱导403025%145重大手术室、整形、神经外科8040100%1960术后恢复、苏醒403025%280重症监护ICU、CCU404075%4270其他普通病房402010%8038血透终端404050%182016513l/min负压吸引用总需求量990.78m3/h3、压缩空气使用的峰值流量计算使用科室压缩空气用气量空气单位用量(终端设处计流量Qa)l/min空气单位用量(终端处使用流量Qb)l/min同时使用系数(η)计算流量l/min手术室麻醉诱导404010%96重大手术室、整形、神经外科4020100%980术后恢复、苏...

1、当您付费下载文档后,您只拥有了使用权限,并不意味着购买了版权,文档只能用于自身使用,不得用于其他商业用途(如 [转卖]进行直接盈利或[编辑后售卖]进行间接盈利)。
2、本站所有内容均由合作方或网友上传,本站不对文档的完整性、权威性及其观点立场正确性做任何保证或承诺!文档内容仅供研究参考,付费前请自行鉴别。
3、如文档内容存在违规,或者侵犯商业秘密、侵犯著作权等,请点击“违规举报”。

碎片内容

医院气体设计说明书(液氧)

爱的疯狂+ 关注
实名认证
内容提供者

该用户很懒,什么也没介绍

确认删除?
VIP
微信客服
  • 扫码咨询
会员Q群
  • 会员专属群点击这里加入QQ群
客服邮箱
回到顶部