电脑桌面
添加小米粒文库到电脑桌面
安装后可以在桌面快捷访问

(完整版)蓄水池施工工序资料VIP免费

(完整版)蓄水池施工工序资料_第1页
1/57
(完整版)蓄水池施工工序资料_第2页
2/57
(完整版)蓄水池施工工序资料_第3页
3/57
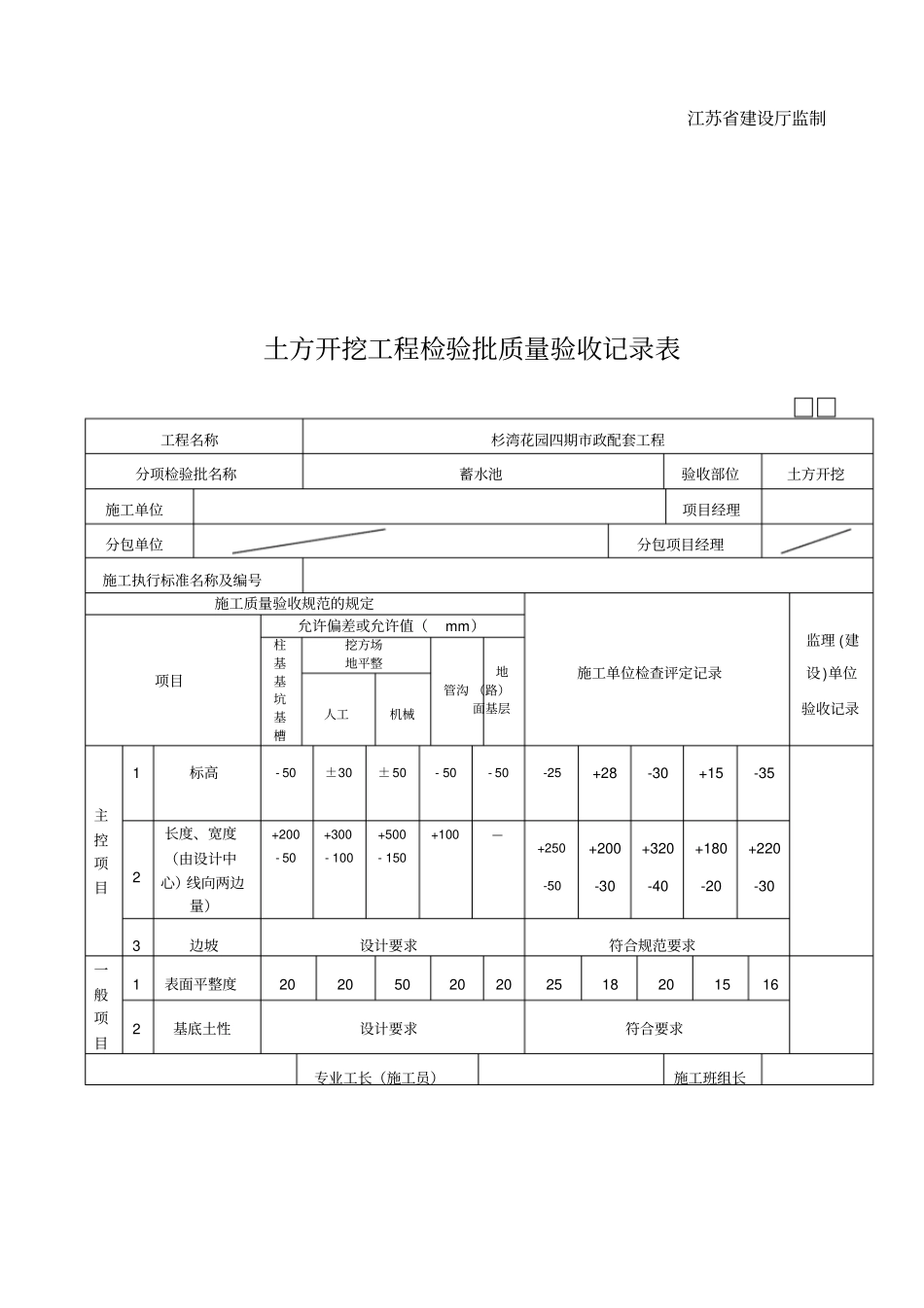
A3.3工序质量报验单工程名称:杉湾花园四期市政配套工程编号:A3.3—致:扬州市建圣工程建设监理有限公司(监理单位)兹报验:■1地基与基础□2主体结构□3建筑装饰装修□4建筑屋面□5建筑给水、排水及采暖□6建筑电气□7智能建筑□8通风与空调□9电梯□□子分部/分项/检验批名称:土方开挖部位:蓄水池验收时间:本次申报内容系第1次申报,本项目部经理部已完成自检工作且资料完整,并呈报相应资料。承包单位项目经理部(章):项目经理:日期:项目监理机构签收人姓名及时间承包单位签收人姓名及时间监理抽查数据及情况记录:1、收到施工相应自评/检查资料和验收记录表共页,收到时间:2、检查人:日期:监理审查意见:□可进行后续施工。□检核未通过,不得进入下道工序施工,整改后再报。项目监理机构(章):专业监理工程师:日期:注:1、未经项目监理机构验收通过,承包单位不得进入下道工序施工。2、承包单位项目经理部应提前提出本报验单,并给予配合。江苏省建设厅监制土方开挖工程检验批质量验收记录表工程名称杉湾花园四期市政配套工程分项检验批名称蓄水池验收部位土方开挖施工单位项目经理分包单位分包项目经理施工执行标准名称及编号施工质量验收规范的规定施工单位检查评定记录监理(建设)单位验收记录项目允许偏差或允许值(mm)柱基基坑基槽挖方场地平整管沟地(路)面基层人工机械主控项目1标高-50±30±50-50-50-25+28-30+15-352长度、宽度(由设计中心)线向两边量)+200-50+300-100+500-150+100—+250-50+200-30+320-40+180-20+220-303边坡设计要求符合规范要求一般项目1表面平整度202050202025182015162基底土性设计要求符合要求专业工长(施工员)施工班组长施工单位检查评定结果项目专业质量检查员:年月日监理(建设)单位验收结论专业监理工程师:(建设单位项目专业技术负责人):年月日A3.3工序质量报验单工程名称:杉湾花园四期市政配套工程编号:A3.3—致:扬州市建圣工程建设监理有限公司(监理单位)兹报验:■1地基与基础□2主体结构□3建筑装饰装修□4建筑屋面□5建筑给水、排水及采暖□6建筑电气□7智能建筑□8通风与空调□9电梯□□子分部/分项/检验批名称:碎石垫层部位:蓄水池验收时间:本次申报内容系第1次申报,本项目部经理部已完成自检工作且资料完整,并呈报相应资料。承包单位项目经理部(章):项目经理:日期:项目监理机构签收人姓名及时间承包单位签收人姓名及时间监理抽查数据及情况记录:1、收到施工相应自评/检查资料和验收记录表共页,收到时间:2、检查人:日期:监理审查意见:□可进行后续施工。□检核未通过,不得进入下道工序施工,整改后再报。项目监理机构(章):专业监理工程师:日期:注:1、未经项目监理机构验收通过,承包单位不得进入下道工序施工。2、承包单位项目经理部应提前提出本报验单,并给予配合。江苏省建设厅监制碎石地基分项工程检验批质量验收记录TJ4.1.9工程名称杉湾花园四期市政配套工程检验批部位蓄水池碎石垫层施工执行标准名称及编号施工单位项目经理专业工长分包单位分包项目经理施工班组长序号施工单位检查评定记录监理(建设)单位验收记录项目允许偏差或允许值实测值主控项目1地基承载力设计要求符合要求0.972配合比设计要求符合要求1:13压实系数设计要求符合要求0.94一般项目1碎石料有机质含量≤5%符合要求2碎石料含泥量≤5%符合要求3石料粒径≤100mm符合要求4含水量(与最优含水量比较±2%符合要求5分层厚度偏差(与设计要求比较)±50mm173-16-16202031116-5施工单位检查评定结果项目技术质量检验员:年月日监理(建设)单位验收结论监理工程师(建设单位项目专业技术负责人):年月日A3.3工序质量报验单工程名称:杉湾花园四期市政配套工程编号:A3.3—致:扬州市建圣工程建设监理有限公司(监理单位)兹报验:■1地基与基础□2主体结构□3建筑装饰装修□4建筑屋面□5建筑给水、排水及采暖□6建筑电气□7智能建筑□8通风与空调□9电梯□□子分部/分项/检验批名称:垫层模板部位:蓄水池验收时间:本次申报内容系第1次申报,本项目部经理部已完成自检工作且资料完整,并呈报相应资料...

1、当您付费下载文档后,您只拥有了使用权限,并不意味着购买了版权,文档只能用于自身使用,不得用于其他商业用途(如 [转卖]进行直接盈利或[编辑后售卖]进行间接盈利)。
2、本站所有内容均由合作方或网友上传,本站不对文档的完整性、权威性及其观点立场正确性做任何保证或承诺!文档内容仅供研究参考,付费前请自行鉴别。
3、如文档内容存在违规,或者侵犯商业秘密、侵犯著作权等,请点击“违规举报”。

碎片内容

(完整版)蓄水池施工工序资料

确认删除?
VIP
微信客服
  • 扫码咨询
会员Q群
  • 会员专属群点击这里加入QQ群
客服邮箱
回到顶部