电脑桌面
添加小米粒文库到电脑桌面
安装后可以在桌面快捷访问

药品安全监管处年度总结VIP免费

药品安全监管处年度总结_第1页
1/11
药品安全监管处年度总结_第2页
2/11
药品安全监管处年度总结_第3页
3/11
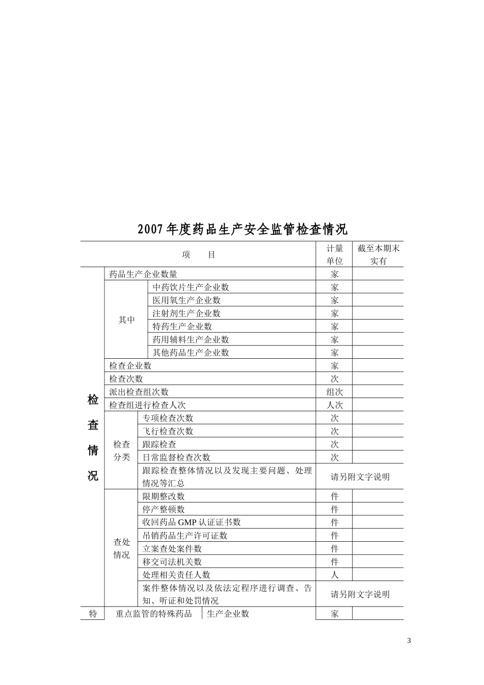
关于报送2007年度工作总结等事项的通知各市、州、直管市、林区食品药品监督管理局:请认真总结2007年度药品生产、制剂配制、特药管理等工作情况,形成书面报告(一式两份),并按要求填写辖区内药品生产安全监督检查情况汇总表(见附件1)、药品生产企业药品GMP认证跟踪检查情况汇总表(见附件2)、药品生产企业备案情况汇总表(见附件3)、《药品生产许可证》项目变更审批情况汇总表(见附件4)、药品生产日常监督检查情况汇总表(见附件5)、《医疗机构制剂许可证》项目变更审批情况汇总表(见附件6)、特殊药品日常监督检查情况汇总表(见附件7),于12月20日前将书面资料和电子文档上报我局药品安全监管处。有问题及时与我局药品安全监管处联系。联系电话:027-8725662陈静E-MAIL:hbanjian@163.com二○○七年十二月七日抄送:本局相关处室、分局、中心1附件1药品生产监督检查情况汇总表填表说明一、药品生产企业数量:指辖区内已核发《药品生产许可证》的企业数量。二、检查企业数:2007年1月1日以来检查企业家数。三、飞行检查次数:被检查次数四、立案查处案件:指按照办案程序立案进行查处的案件数量。五、特殊药品检查情况中,企业数量请填写截至本期末的企业数量。六、截至本期末实有:指12月30日前实际的发生数。七、请按要求另附文字说明。22007年度药品生产安全监管检查情况项目计量单位截至本期末实有检查情况药品生产企业数量家其中中药饮片生产企业数家医用氧生产企业数家注射剂生产企业数家特药生产企业数家药用辅料生产企业数家其他药品生产企业数家检查企业数家检查次数次派出检查组次数组次检查组进行检查人次人次检查分类专项检查次数次飞行检查次数次跟踪检查次日常监督检查次数次跟踪检查整体情况以及发现主要问题、处理情况等汇总请另附文字说明查处情况限期整改数件停产整顿数件收回药品GMP认证证书数件吊销药品生产许可证数件立案查处案件数件移交司法机关数件处理相关责任人数人案件整体情况以及依法定程序进行调查、告知、听证和处罚情况请另附文字说明特重点监管的特殊药品生产企业数家3殊药品检查情况检查次数次麻醉药品和第一类精神药品区域性(全国性)批发企业数家检查次数次第二类精神药品生产企业数家检查次数次批发企业数家检查次数次零售连锁总店数家检查次数次特药生产/经营企业的监管工作总结请另附文字说明负责人:填表人:报出日期:2007年月日4附件22007年度药品生产企业GMP认证跟踪检查情况汇总表市州局(盖章)填报日期:编号企业名称检查范围检查时间检查人员存在主要问题处理情况收回GMP证书限期改正停产整顿填表人:负责人:注:请在相应处理情况中打“√”5附件32007年度药品生产企业备案情况汇总表市州局:(盖章)填报日期:编号备案时间企业名称备案事项填表人:负责人:注:备案事项包括药品生产企业药品委托检验,质量负责人、生产负责人发生变更,关键生产设施等条件与现状发生变化6附件42007年度《药品生产许可证》项目变更审批情况汇总表市州局(盖章)填报日期:编号企业名称变更事项变更时间变更内容填表人:负责人:注:变更项目包括企业名称、注册地址、企业法定代表人、企业类型、企业负责人附件52007年度药品生产日常监督检查情况汇总表市州局(盖章)填报日期:企业名称检查次数检查人次存在主要问题处理情况收回GMP证书限期改正停产整顿7填表人:负责人:注:请在相应处理情况中打“√”8第9页共11页编号:时间:2021年x月x日书山有路勤为径,学海无涯苦作舟页码:第9页共11页附件62007年度《医疗机构制剂许可证》项目变更审批情况汇总表市州局(盖章)填报日期:编号医疗机构名称变更事项变更时间变更内容填表人:负责人:第10页共11页第9页共11页编号:时间:2021年x月x日书山有路勤为径,学海无涯苦作舟页码:第10页共11页注:变更项目包括医疗机构名称、注册地址、法定代表人、企业负责人、医疗机构类别附件72007年度特殊药品日常监督检查情况汇总表市州局(盖章)填报日期:被检查单位名称检查次数检查依据主要问题处理情况备注填表人:负责人:第11页共11页第10页共11页编号:时间:2021年x月x日书山有路勤为径,学海...

1、当您付费下载文档后,您只拥有了使用权限,并不意味着购买了版权,文档只能用于自身使用,不得用于其他商业用途(如 [转卖]进行直接盈利或[编辑后售卖]进行间接盈利)。
2、本站所有内容均由合作方或网友上传,本站不对文档的完整性、权威性及其观点立场正确性做任何保证或承诺!文档内容仅供研究参考,付费前请自行鉴别。
3、如文档内容存在违规,或者侵犯商业秘密、侵犯著作权等,请点击“违规举报”。

碎片内容

药品安全监管处年度总结

您可能关注的文档

确认删除?
VIP
微信客服
  • 扫码咨询
会员Q群
  • 会员专属群点击这里加入QQ群
客服邮箱
回到顶部