电脑桌面
添加小米粒文库到电脑桌面
安装后可以在桌面快捷访问

计算机产品类设备采购明细及性能指标VIP免费

计算机产品类设备采购明细及性能指标_第1页
1/5
计算机产品类设备采购明细及性能指标_第2页
2/5
计算机产品类设备采购明细及性能指标_第3页
3/5
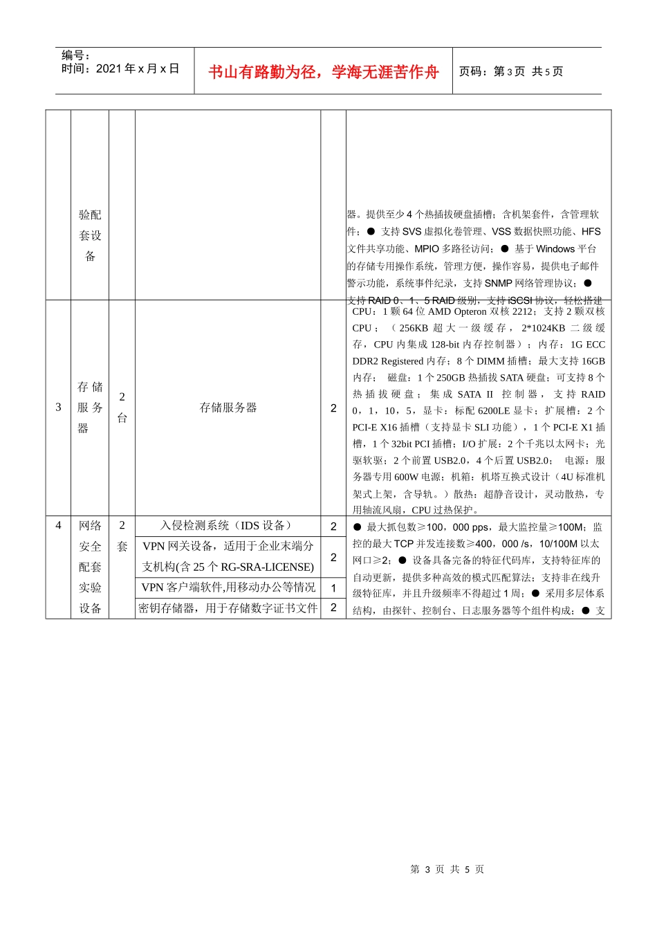
附件一“计算机产品类设备”采购明细及性能指标项目分包序号品名数量备注第一包1激光打印机68台2交换机7台3机柜2个4品牌计算机49套免费完成一个机房42个点的综合布线。第二包1品牌计算机128套免费完成两个机房各48个点的综合布线。2品牌计算机60套免费完成一个机房64个点的综合布线。第三包1品牌计算机159套2品牌计算机40套第2页共5页编号:时间:2021年x月x日书山有路勤为径,学海无涯苦作舟页码:第2页共5页第四包:“网络工程实验室配套设备(扩充)”采购明细及性能指标1.基本要求原有网络工程实验室一期设备为锐捷产品。通过此次扩充完备网络工程实验室实验设备,能在现有局域网、广域网络、网络管理等实验体系上增加无线局域网、网络安全、IP存储等相关实验。建成一个适应计算机网络技术发展的、覆盖各个层次教学和实验要求的公共实验平台。在网络设计、网络组建、网络安全、网络管理、网络应用等层次提供全面的实验环境,通过一系列的验证型、综合测试型和技能型实验使学生掌握计算机网络技术的实验技能,强化对所学知识的理解。并且通过最先进的技术把数据、语音和视频业务整合在一起。2.新增设备及性能指标序号项目名称数量具体设备配置件数量性能指标1无线网络实验配套设备2套双路双频无线室内接入器(无线AP)4●AP支持网线配电;●双路AP,每一路均支持802.11a/b/g协议,支持108Mbps802.11aTurboA模式;单路AP需支持802.11b/g协议;AP支持网线配电;●基础构架模式、网桥模式(WDS)、网桥+AP模式(WDS)、Station模式等无线组网模式;●支持DHCPServer/Relay;●支持多种无线安全功能:支持64/128位WEP加密服务、支持802.1X安全协议(MD5/TLS)、端口隔离、MAC地址过滤、SSID广播禁用功能、WPA/WPA2、WPA-PSK、在线用户列表管理、广播风暴抑制(可选择限制的发送广播包数量)、带宽限制(最小用户带宽限制粒度为64Kbps)、支持802.1QVLAN≥32/16个,VID范围为0-4K。●支持动态频道调整功能、支持负载均衡(用户数均衡方式或流量均衡)以及链路完整性诊断;●双路AP随机附带RP-TNC型接口,全向双频天线(共2套、4根)。双路AP随机附带5dBi全向天(共1根);●支持IEEE802.3af以太网供电(PoE);●支持SNMP,WEB、本地维护、远程维护,可支持通过WEB模式进行升级、保存和导入,支持本地按键或远程复位、恢复出厂设置。802.11G室内无线接入点(无线AP)454M高速外置USB无线网卡6单端口POE适配器42.4/5.8GHz双频定向板状天线4TPINC-SMA转接馈线42存储器实2套存储实验配套设备。2●1个64位存储处理器,1GB缓存(最大4GB),2个10/100/1000Base-TEthernet网络接口;●硬件RAID控制数据存放硬盘(不小于250G)8第3页共5页第2页共5页编号:时间:2021年x月x日书山有路勤为径,学海无涯苦作舟页码:第3页共5页验配套设备器。提供至少4个热插拔硬盘插槽;含机架套件,含管理软件;●支持SVS虚拟化卷管理、VSS数据快照功能、HFS文件共享功能、MPIO多路径访问;●基于Windows平台的存储专用操作系统,管理方便,操作容易,提供电子邮件警示功能,系统事件纪录,支持SNMP网络管理协议;●支持RAID0、1、5RAID级别,支持iSCSI协议,轻松搭建3存储服务器2台存储服务器2CPU:1颗64位AMDOpteron双核2212;支持2颗双核CPU;(256KB超大一级缓存,2*1024KB二级缓存,CPU内集成128-bit内存控制器);内存:1GECCDDR2Registered内存;8个DIMM插槽;最大支持16GB内存;磁盘:1个250GB热插拔SATA硬盘;可支持8个热插拔硬盘;集成SATAII控制器,支持RAID0,1,10,5,显卡:标配6200LE显卡;扩展槽:2个PCI-EX16插槽(支持显卡SLI功能),1个PCI-EX1插槽,1个32bitPCI插槽;I/O扩展:2个千兆以太网卡;光驱软驱;2个前置USB2.0,4个后置USB2.0;电源:服务器专用600W电源;机箱:机塔互换式设计(4U标准机架式上架,含导轨。)散热:超静音设计,灵动散热,专用轴流风扇,CPU过热保护。4网络安全配套实验设备2套入侵检测系统(IDS设备)2●最大抓包数≥100,000pps,最大监控量≥100M;监控的最大TCP并发连接数≥400,000/s,10/100M以太网口≥2;●设备具备完备的特征代码库,支持特征库的自动...

1、当您付费下载文档后,您只拥有了使用权限,并不意味着购买了版权,文档只能用于自身使用,不得用于其他商业用途(如 [转卖]进行直接盈利或[编辑后售卖]进行间接盈利)。
2、本站所有内容均由合作方或网友上传,本站不对文档的完整性、权威性及其观点立场正确性做任何保证或承诺!文档内容仅供研究参考,付费前请自行鉴别。
3、如文档内容存在违规,或者侵犯商业秘密、侵犯著作权等,请点击“违规举报”。

碎片内容

计算机产品类设备采购明细及性能指标

您可能关注的文档

确认删除?
VIP
微信客服
  • 扫码咨询
会员Q群
  • 会员专属群点击这里加入QQ群
客服邮箱
回到顶部