电脑桌面
添加小米粒文库到电脑桌面
安装后可以在桌面快捷访问

采购收货执行工具与模板VIP免费

采购收货执行工具与模板_第1页
1/5
采购收货执行工具与模板_第2页
2/5
采购收货执行工具与模板_第3页
3/5
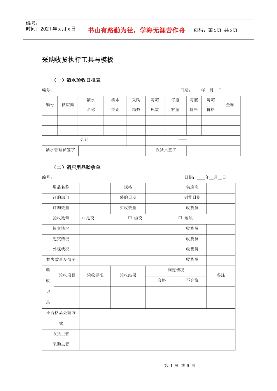
第1页共5页编号:时间:2021年x月x日书山有路勤为径,学海无涯苦作舟页码:第1页共5页采购收货执行工具与模板(一)酒水验收日报表编号:日期:年月日编号供应商酒水名称酒水类别采购箱数每箱瓶数每瓶容量每瓶价格每箱价格金额合计——酒水管理员签字收货员签字(二)酒店用品验收单编号:日期:年月日用品名称规格供应商订购部门采购日期到货日期订购数量实收数量收货员验收数量□足交□溢交□短缺短交情况收货员超交情况收货员外观状况收货员损失数量及情况收货员验收记录验收项目验收标准验收结果判定情况备注合格不合格不合格品处理方式收货主管采购主管第2页共5页第1页共5页编号:时间:2021年x月x日书山有路勤为径,学海无涯苦作舟页码:第2页共5页备注(三)食材验收管理细则食材验收管理细则第1章总则第1条目的为了保证收货人员能够保质、保量地做好各类食材验收、检查、称重等工作,确保食材质量和数量满足酒店要求,特制定本细则。第2条本细则适用于酒店采购蔬菜、水果、熟食、干货、冰鲜、冷冻、鲜活和肉禽等食材的验收管理和规范。第2章蔬果类验收细则第3条蔬菜验收标准1.根茎类蔬菜茎部不老化,个体均匀,未发芽、变色。2.叶菜类蔬菜色泽鲜亮,切口不变色,叶片挺而不干枯、不发黄,质地脆嫩、坚挺,球形叶菜,结实,无老帮。3.花果类蔬菜可以允许果形有轻微缺点,但不得变形、变老或过熟。4.菌菇类蔬菜外形饱满,较硬实,不发霉、未变黑。第4条水果验收标准1.柑橘类水果,如脐橙、蜜橘、西柚、蜜柚等,果实结实、有弹性,手掂有重量感,果形完整、不萎缩、受挤压不变形,外表有光泽、无褐斑、黑点。2.苹果类,如蛇果、青苹果、红富士等水果,结实、多汁、有光泽、无压伤、无疤痕、不干皱。3.梨类,如鸭梨、雪梨、贡梨、香梨等,结实、皮薄、甜而多汁,个体均匀、不变色、不干皱,无压伤、无锈斑。4.桃类水果,果皮粉红带绒毛,略硬,果肉香甜多汁。5.樱桃类,果形圆、大小均匀,带鲜绿果柄,有弹性,果肉香甜多汁。6.浆果类,如提子、葡萄、猕猴桃、草莓、蓝莓等,果实饱满,大小均匀,无压伤、无霉点。7.瓜类水果,如哈密瓜、香瓜、木瓜、西瓜等,果形完整、结实,无开裂、无压伤。8.其他水果均大小均匀,结实而有弹性,表面润泽,肉质果汁爽甜,无瑕疵、无压伤及霉烂等。第3章海鲜食品验收细则第5条活鱼类验收标准1.在水中游动自如,反应敏捷。2.无伤残、无畸形、无病害,鳞片完整无损,无皮下出血现象及红色鱼鳞。第3页共5页第2页共5页编号:时间:2021年x月x日书山有路勤为径,学海无涯苦作舟页码:第3页共5页3.无行动迟缓、反肚。第6条甲鱼验收标准1.使甲鱼背朝天,能自行翻转,背壳黑青、白肚、裙边肥厚、四肢有力,则可以收货。2.如果甲鱼肚皮发红、有伤痕、有针孔不收;甲鱼腿侧面打水鼓起则拒收。第7条活虾、活蟹验收标准1.活虾个大而均匀,活蹦乱跳。2.大闸蟹青皮、白肚、黄毛、金螯及蟹脚刚劲有力,膘壮肉厚膏多,堆在地上,能迅速四面爬开。3.海蟹体肥、甲壳色泽正常,腹部洁白,雌蟹有膏时,头胸甲棘尖,反面透黄色,螯及蟹脚有力。4.检验羔蟹及肉蟹时,除检查以上项目外还需留意其草绳是否过粗,草绳所占比例不得超过总重的25%。第8条贝类验收标准1.双壳贝类外壳具固有色泽,平时微张口、受惊闭合,斧足与触管伸缩灵活,具固有气味。2.单壳贝类贝肉收缩自如,用手指抚平后能回缩。第9条盐渍海产验收1.海产坚实而具韧性,手指甲掐之可破、脆嫩,具有轻腥气、盐味,光泽,无污物和泥浆。2.海蜇皮螯张厚薄均匀、自然圆形、中间无破洞、边缘不破裂。3.验收海蜇时,应将产品捞起堆高30厘米静置滤水15分钟后称重。第4章冻品和冰鲜验收细则第10条速冻品验收标准1.整箱包装完整、无破箱、生产地址明显。2.验货时,要拆箱检查,如含水量太多称重时应适当按比例除扣冰块的重量。3.如冻品解冻、软化、出水带血水,则不能收货。4.冻品一般无生产日期,验收品质的好坏要用眼去辨认,如肉制品风干、变色的冻品,则不能收。5.称重时,要扣除纸箱、冰块的重量,以货品的净重为准。如果外包装箱上标有净重,按净重入库,如果没有净重标...

1、当您付费下载文档后,您只拥有了使用权限,并不意味着购买了版权,文档只能用于自身使用,不得用于其他商业用途(如 [转卖]进行直接盈利或[编辑后售卖]进行间接盈利)。
2、本站所有内容均由合作方或网友上传,本站不对文档的完整性、权威性及其观点立场正确性做任何保证或承诺!文档内容仅供研究参考,付费前请自行鉴别。
3、如文档内容存在违规,或者侵犯商业秘密、侵犯著作权等,请点击“违规举报”。

碎片内容

采购收货执行工具与模板

您可能关注的文档

确认删除?
VIP
微信客服
  • 扫码咨询
会员Q群
  • 会员专属群点击这里加入QQ群
客服邮箱
回到顶部