电脑桌面
添加小米粒文库到电脑桌面
安装后可以在桌面快捷访问

道路运输企业安全生产规章制度VIP免费

道路运输企业安全生产规章制度_第1页
1/85
道路运输企业安全生产规章制度_第2页
2/85
道路运输企业安全生产规章制度_第3页
3/85
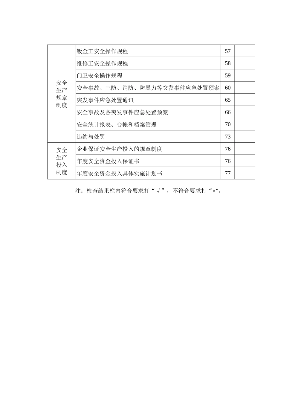
道路运输企业安全生产规章制度检查明细表检查项目检查内容页码检查结果企业基本情况目录1公司简介2安全管理机构网络图3任命书4通讯录5安全生产规章制度安全生产责任制6安全生产规章制度13安全生产责任书23行车安全管理制度30车辆日常维护安全管理制度32行车记录设备应用管理制度34行车事故统计报告制度35安全宣传和培训教育与安全会议制度38安全目标管理与考核制度41安全责任奖惩制度42安全检查监督隐患整改制度43企业从业人员聘用与劳动保护制度45驾驶员考核、聘用管理办法49驾驶员安全操作规程52车辆安全车况门检岗位操作规程53试车员安全操作规程54漆工安全操作规程55轮胎工安全操作规程56安全生产规章制度钣金工安全操作规程57维修工安全操作规程58门卫安全操作规程59安全事故、三防、消防、防暴力等突发事件应急处置预案60突发事件应急处置通讯65安全事故及各突发事件应急处置预案66安全统计报表、台帐和档案管理70违约与处罚73安全生产投入制度企业保证安全生产投入的规章制度76年度安全资金投入保证书76年度安全资金投入具体实施计划书77注:检查结果栏内符合要求打“√”,不符合要求打“×”。第1页共86页编号:时间:2021年x月x日书山有路勤为径,学海无涯苦作舟页码:第1页共86页XXXXX旅游客运有限公司公司简介XXXXX旅游客运有限公司,座落在义乌江滨中路338号,将成为一家专业从事旅游包车业务的运输企业,现有管理人员12人,由投资组建,注册资金为500万元;安全是我们的最高宗旨,诚信是我们的生存根源,为客人提供便捷优质的服务是我们最终的目标。公司贯彻客人满意是我们最大的收益,用户的信赖是我们最大的成果。XX公司将以全新的服务理念,创新的管理方法,可靠的安全保障,真诚的敬业精神,为广大的客户提供贴心的服务。第2页共86页第1页共86页编号:时间:2021年x月x日书山有路勤为径,学海无涯苦作舟页码:第2页共86页XXXXX旅游客运有限公司安全管理机构网络图董事长、总经理安全生产三防应急组长车辆调度安全检查维修保养现场施救机务保障第3页共86页第2页共86页编号:时间:2021年x月x日书山有路勤为径,学海无涯苦作舟页码:第3页共86页XXXXX旅游客运有限公司任命书经由投资方决定由:XXX为组长XXX为副组长XXX为副组长XXX为副组长安全员:XXX第4页共86页第3页共86页编号:时间:2021年x月x日书山有路勤为径,学海无涯苦作舟页码:第4页共86页XXXXX旅游客运有限公司(一)安全生产责任制经理岗位职责一、主持分公司的生产经营管理工作,贯彻总公司的各项指示精神。保持政令畅通,带领分公司全体员工完成总公司下达的各项工作任务,并经常检查监督,当好总公司领导的参谋。二、制定分公司的年度工作目标和工作计划,分阶段认真落实并做好年度工作总结。三、团结员工,注意发挥员工特长,使公司各岗位分工明确,相互合作,接到任务、责任层层落实。四、以身作则,起好模范带头作用,同时带领和督促本部门员工严格遵守各项规章制度。五、全面负责分公司的各项安全生产管理工作。六、开展批评与自我批评,对不良现象敢抓敢管,关心职工生活做好职工的思想政治工作,抓好两个文明建设。七、组织全体员工进行业务技能学习和思想道德教育,不断提高职工的业务水平和思想水平。八、加强自身学习,不断提高综合管理水平和工作能力。第5页共86页第4页共86页编号:时间:2021年x月x日书山有路勤为径,学海无涯苦作舟页码:第5页共86页安全员岗位职责一、在车队领导下开展工作,尽心尽责,廉洁奉公,对公司的行车安全负责。二、贯彻“预防为主,安全第一”的方针,遵照“想在先、预在先、说在先、干在先”的原则,实施超前调研、超前教育、超前防范、超前管理。三、制订完善安全行车管理规章和实施细则,并组织实施。四、经常性开展安全教育,定期组织召开安全生产例会和安全活动,交流总结行车安全经验教训。五、监督检查考核司乘人员对交通法规和作业规程的执行情况。六、及时妥善处理行车事故和商务事故,提出处理意见并按月考核。七、负责驾驶员的安全管理,协助办理驾驶证审验换证工作,按月统计上报驾驶员的安全行车公里数,建立完善的驾驶员个人档案。八、负责公司...

1、当您付费下载文档后,您只拥有了使用权限,并不意味着购买了版权,文档只能用于自身使用,不得用于其他商业用途(如 [转卖]进行直接盈利或[编辑后售卖]进行间接盈利)。
2、本站所有内容均由合作方或网友上传,本站不对文档的完整性、权威性及其观点立场正确性做任何保证或承诺!文档内容仅供研究参考,付费前请自行鉴别。
3、如文档内容存在违规,或者侵犯商业秘密、侵犯著作权等,请点击“违规举报”。

碎片内容

道路运输企业安全生产规章制度

确认删除?
VIP
微信客服
  • 扫码咨询
会员Q群
  • 会员专属群点击这里加入QQ群
客服邮箱
回到顶部