电脑桌面
添加小米粒文库到电脑桌面
安装后可以在桌面快捷访问

重庆XX物业管理有限公司客服中心工作手册VIP免费

重庆XX物业管理有限公司客服中心工作手册_第1页
1/79
重庆XX物业管理有限公司客服中心工作手册_第2页
2/79
重庆XX物业管理有限公司客服中心工作手册_第3页
3/79
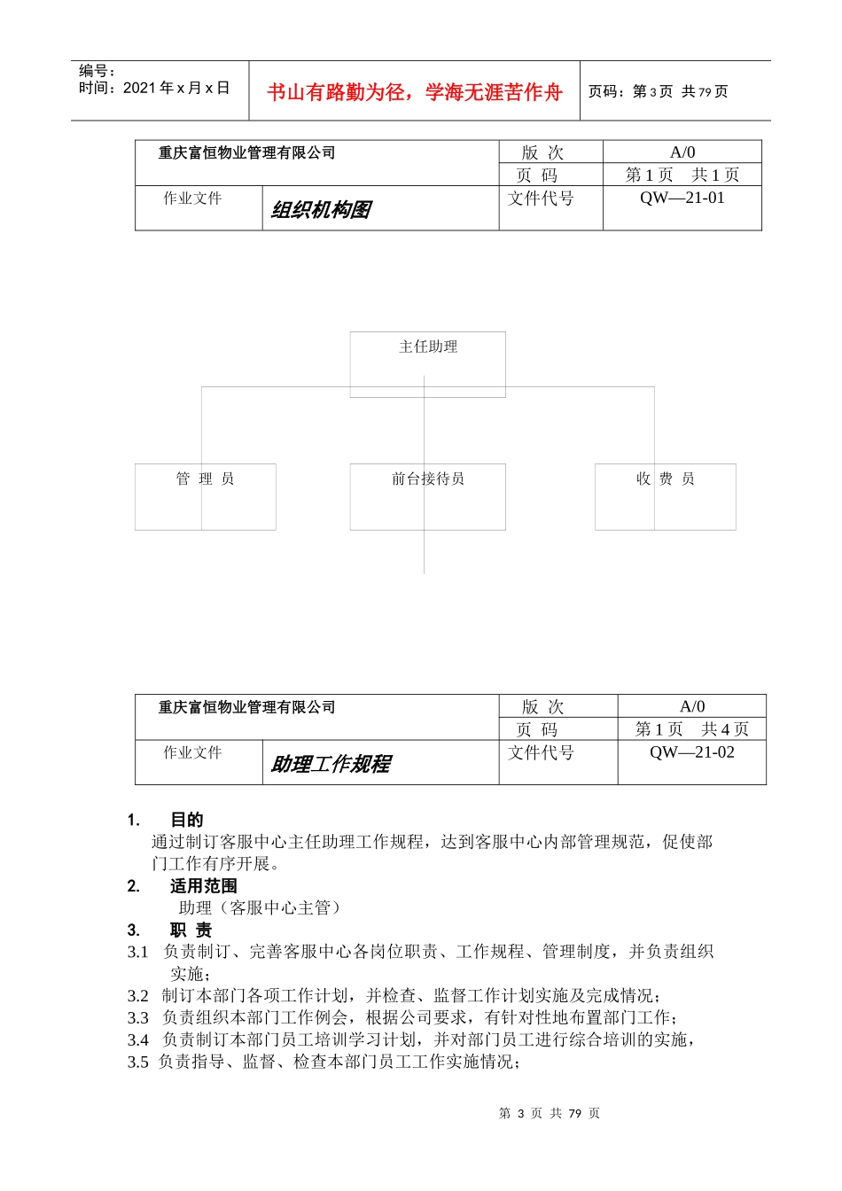
第1页共79页编号:时间:2021年x月x日书山有路勤为径,学海无涯苦作舟页码:第1页共79页重庆富恒物业管理有限公司[拆]客服中心工作手册(QW—21—01~24)受控状态:受控号:编制日期审核日期批准日期2005-04-30发布2005-04-30实施第2页共79页第1页共79页编号:时间:2021年x月x日书山有路勤为径,学海无涯苦作舟页码:第2页共79页目录组织机构图........................................................3助理工作规程......................................................4管理员工作规程....................................................8前台接待工作规程.................................................14收费员工作规程...................................................20交接班制度.......................................................23员工仪容仪表、用语及服务规范.....................................25业主和住户投诉处理作业规程.......................................28交房入住管理作业规程.............................................31收费作业规程.....................................................36住户违章处理作业规程.............................................39片区巡查工作规程.................................................43空置房管理作业规程...............................................46客户回访作业规程.................................................48报修管理作业规程.................................................51装修管理作业规程.................................................54装修管理规定.....................................................58处理客户来电、来访、来函作业规定.................................61小区内人员违规处理规定...........................................63出入证管理规定...................................................65员工培训实施作业规程.............................................67劳动纪律管理规程.................................................73员工奖惩规程.....................................................75员工考核规程.....................................................78第3页共79页第2页共79页编号:时间:2021年x月x日书山有路勤为径,学海无涯苦作舟页码:第3页共79页重庆富恒物业管理有限公司版次A/0页码第1页共1页作业文件组织机构图文件代号QW—21-01重庆富恒物业管理有限公司版次A/0页码第1页共4页作业文件助理工作规程文件代号QW—21-021.目的通过制订客服中心主任助理工作规程,达到客服中心内部管理规范,促使部门工作有序开展。2.适用范围助理(客服中心主管)3.职责3.1负责制订、完善客服中心各岗位职责、工作规程、管理制度,并负责组织实施;3.2制订本部门各项工作计划,并检查、监督工作计划实施及完成情况;3.3负责组织本部门工作例会,根据公司要求,有针对性地布置部门工作;3.4负责制订本部门员工培训学习计划,并对部门员工进行综合培训的实施,3.5负责指导、监督、检查本部门员工工作实施情况;主任助理管理员前台接待员收费员第4页共79页第3页共79页编号:时间:2021年x月x日书山有路勤为径,学海无涯苦作舟页码:第4页共79页3.6负责受理业主和住户的重要投诉,并及时处理和回复,重大问题及时向上级领导汇报;3.7负责组织本部员工开展对业主意见的征询回访工作,对有关建议和意见进行处理回复,加强同业主和住户的沟通;3.8制定本部门的管理方案,纠正工作中存在的问题,不断改进工作方法,提高工作时效;3.9负责本部门员工的季度、年度考核,对员工奖惩、辞职、辞退的审批及上报;协助行政部做好人员招聘与引进工作;3.10配合相关部门做好物业交验工作;3.11协助管理处主任对各部门工作进行检查监督,并对管理处行政、人事等工作进行协助管理;3.12协助管理处主任开展外联工作;3.13编写案例、组织员工分析、讨论;重庆富恒物业管理有限公司版次A/0页码第2页共4页...

1、当您付费下载文档后,您只拥有了使用权限,并不意味着购买了版权,文档只能用于自身使用,不得用于其他商业用途(如 [转卖]进行直接盈利或[编辑后售卖]进行间接盈利)。
2、本站所有内容均由合作方或网友上传,本站不对文档的完整性、权威性及其观点立场正确性做任何保证或承诺!文档内容仅供研究参考,付费前请自行鉴别。
3、如文档内容存在违规,或者侵犯商业秘密、侵犯著作权等,请点击“违规举报”。

碎片内容

重庆XX物业管理有限公司客服中心工作手册

您可能关注的文档

确认删除?
VIP
微信客服
  • 扫码咨询
会员Q群
  • 会员专属群点击这里加入QQ群
客服邮箱
回到顶部