电脑桌面
添加小米粒文库到电脑桌面
安装后可以在桌面快捷访问

满天星特大桥工程开工报告VIP免费

满天星特大桥工程开工报告_第1页
1/29
满天星特大桥工程开工报告_第2页
2/29
满天星特大桥工程开工报告_第3页
3/29
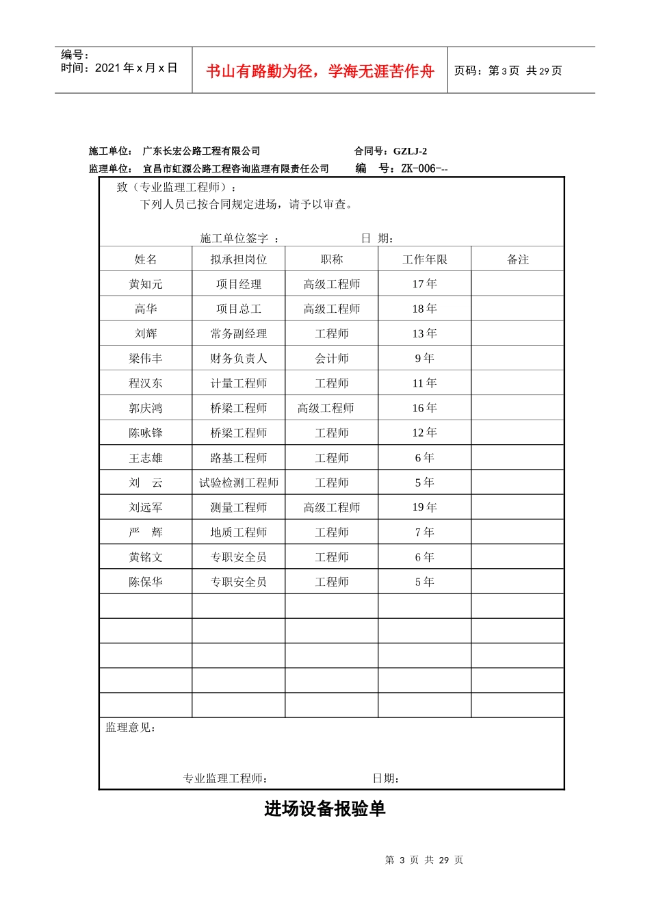
第1页共29页编号:时间:2021年x月x日书山有路勤为径,学海无涯苦作舟页码:第1页共29页单位工程开工申请批复单施工单位:广东长宏公路工程有限公司合同号:GZLJ-2监理单位:宜昌市虹源公路工程咨询监理有限责任公司编号:ZK-003---□□□致(驻地监理工程师)谭水林根据合同要求,我们已经准备好满天星特大桥工程(桩号k5+895)开工前的一切准备工作,现要求该项工程正式开工,请予批准。计划开工日期:2013年10月01日计划完工日期:2014年12月30日此项工程现场负责人:刘辉附件:1、施工测量放线报验单2、工程原材料及混合料报验单3、施工组织及人员报验单4、进场设备报验单5、施工方案及主要工艺报审表施工单位签名:日期:驻地监理工程师意见:驻地监理工程师:日期:第2页共29页第1页共29页编号:时间:2021年x月x日书山有路勤为径,学海无涯苦作舟页码:第2页共29页施工测量放样报验单后附复印件试验资料后附复印件:1、原材料:水泥、砂、石、钢筋2、混凝土配合比单位工程施工主要人员报验单第3页共29页第2页共29页编号:时间:2021年x月x日书山有路勤为径,学海无涯苦作舟页码:第3页共29页施工单位:广东长宏公路工程有限公司合同号:GZLJ-2监理单位:宜昌市虹源公路工程咨询监理有限责任公司编号:ZK-006---致(专业监理工程师):下列人员已按合同规定进场,请予以审查。施工单位签字:日期:姓名拟承担岗位职称工作年限备注黄知元项目经理高级工程师17年高华项目总工高级工程师18年刘辉常务副经理工程师13年梁伟丰财务负责人会计师9年程汉东计量工程师工程师11年郭庆鸿桥梁工程师高级工程师16年陈咏锋桥梁工程师工程师12年王志雄路基工程师工程师6年刘云试验检测工程师工程师5年刘远军测量工程师高级工程师19年严辉地质工程师工程师7年黄铭文专职安全员工程师6年陈保华专职安全员工程师5年监理意见:专业监理工程师:日期:进场设备报验单第4页共29页第3页共29页编号:时间:2021年x月x日书山有路勤为径,学海无涯苦作舟页码:第4页共29页施工单位:广东长宏公路工程有限公司合同号:GZLJ-2监理单位:宜昌市虹源公路工程咨询监理有限责任公司编号:ZK-007---致(专业监理工程师):下列施工设备已按合同规定进场,请你查验签证,准予使用。施工单位签字:日期:序号设备名称规格型号数量进场日期技术状况拟用何处1挖掘机WY1682013.9.5良好基础2推土机TY20012013.5.5良好基础3振动压路机YZ20t12013.5.5良好基础4装载机ZLM5022013.5.5良好基础5自卸汽车东风5T42013.5.5良好基础6空压机W3/512013.5.5良好基础7打夯机HT-6S22013.5.5良好基础8砼搅拌机JZC35022013.5.5良好基础9发电机组300KW42013.5.5良好桥梁工程10钢筋切断机GQH4022013.6.25良好桥梁工程11钢筋调直机GT6-2622013.6.25良好桥梁工程12电焊机BX30022013.6.25良好桥梁工程13插入式振动器φ50mm1.1Kw42013.6.25良好桥梁工程14张拉设备YCW15032013.6.25良好桥梁工程致(施工单位):广东长宏公路工程有限公司经查验1、性能、数量能满足施工需要的设备:(准予进场使用的设备)2、性能不符合施工要求的设备:(由施工单位更换后再报的设备)3、数量或能力不足的设备:(由施工单位补充的设备)请你尽快按施工进度要求,配齐、配足所需设备。专业监理工程师:日期:特大桥梁施工方案及主要工艺报审表第5页共29页第4页共29页编号:时间:2021年x月x日书山有路勤为径,学海无涯苦作舟页码:第5页共29页施工单位:广东长宏公路工程有限公司合同号:GZLJ-2监理单位:宜昌市虹源公路工程咨询监理有限责任公司编号:ZK-002---□□□致(监理工程师):现报上特大桥梁施工方案及施工工艺桩号(k5+895)满天星特大桥工程的实施性总体施工组织设计及附件,请予审查和批准。附件:特大桥梁施工方案及施工工艺图施工单位签字:日期:总监办工程部意见:签字:日期:总监理工程师意见:签字:日期特大桥梁施工方案及主要工艺图第6页共29页第5页共29页编号:时间:2021年x月x日书山有路勤为径,学海无涯苦作舟页码:第6页共29页K5+895满天星特大桥全长2176米,要工程量含桩基184根,墩柱184个,盖梁90榀,预制梁392片。一)桥梁基...

1、当您付费下载文档后,您只拥有了使用权限,并不意味着购买了版权,文档只能用于自身使用,不得用于其他商业用途(如 [转卖]进行直接盈利或[编辑后售卖]进行间接盈利)。
2、本站所有内容均由合作方或网友上传,本站不对文档的完整性、权威性及其观点立场正确性做任何保证或承诺!文档内容仅供研究参考,付费前请自行鉴别。
3、如文档内容存在违规,或者侵犯商业秘密、侵犯著作权等,请点击“违规举报”。

碎片内容

满天星特大桥工程开工报告

您可能关注的文档

确认删除?
VIP
微信客服
  • 扫码咨询
会员Q群
  • 会员专属群点击这里加入QQ群
客服邮箱
回到顶部