电脑桌面
添加小米粒文库到电脑桌面
安装后可以在桌面快捷访问

现场区域管理考核办法VIP免费

现场区域管理考核办法_第1页
1/16
现场区域管理考核办法_第2页
2/16
现场区域管理考核办法_第3页
3/16
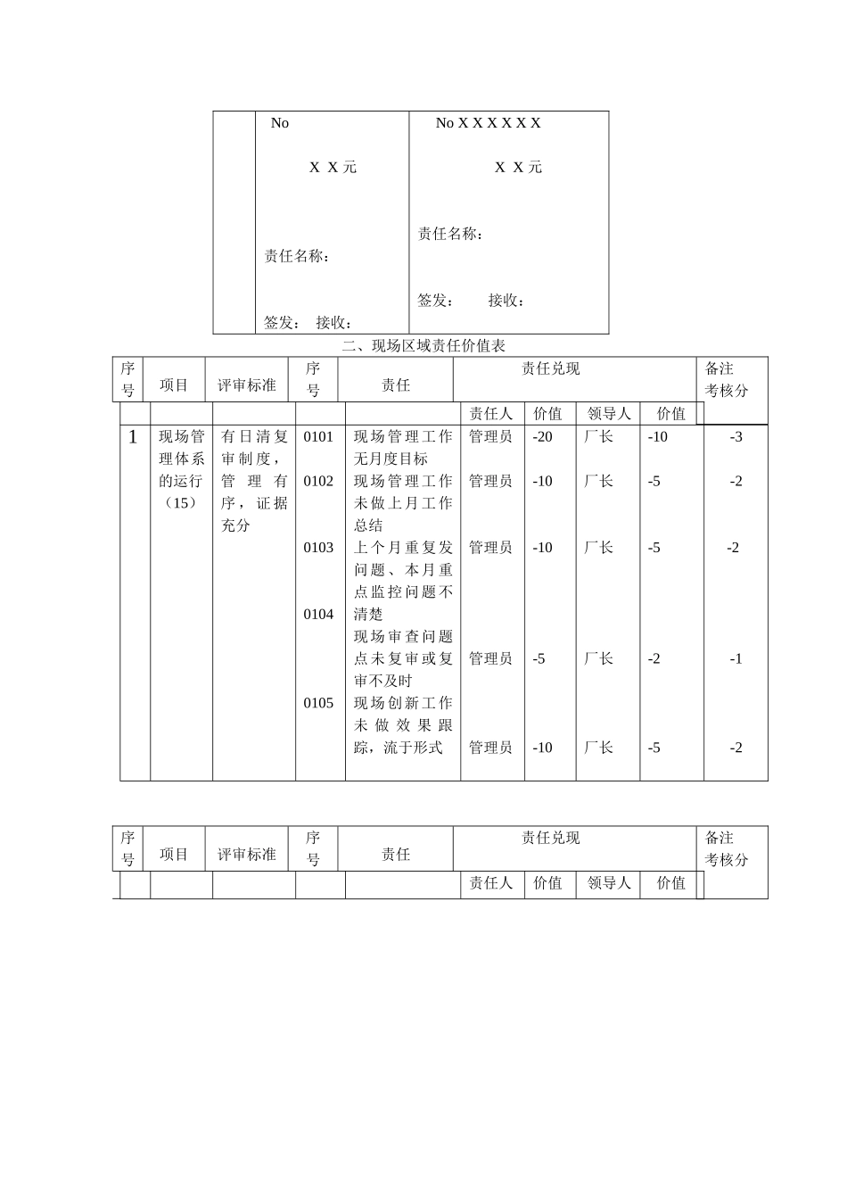
现场区域管理考核办法1、目的:在大规模生产条件下,强化提高企业员工的现场区域责任意识,使人、机、物、法、环、资、能、信等生产要素处于最佳结合状态,以保证生产控制预定的企业经营目标,实现优质、高效、低耗、均衡、安全、文明的生产。2、适用范围:本手册适用于海尔冰箱、电工本部各生产现场和相关部门。3、审核人资格公司授权的现场区域管理人员。4、审核人权利:有权审查各生产现场区域并纠编,按《现场区域责任考核手册》进行奖罚,有权对纠编问题进行复审,并对区域责任人进行考评。5、审核人责任:本着公平公正的态度,严格遵照评审程序对生产区域进行审核,作出结论,对所发现的问题点监督,帮助现场区域责任人进行纠编整改,并制订优化整改措施,落实到位,复审结果。6、评审程序控制图:合超标准合格格现场区域责任价值券市场责任价值存根市场责任价值券评审标准宣贯评审计划评审红券整改白券二次评审记入控制台帐兑现NoXX元责任名称:签发:接收:NoXXXXXXXX元责任名称:签发:接收:二、现场区域责任价值表序号项目评审标准序号责任责任兑现备注考核分责任人价值领导人价值1现场管理体系的运行(15)有日清复审制度,管理有序,证据充分01010102010301040105现场管理工作无月度目标现场管理工作未做上月工作总结上个月重复发问题、本月重点监控问题不清楚现场审查问题点未复审或复审不及时现场创新工作未做效果跟踪,流于形式管理员管理员管理员管理员管理员-20-10-10-5-10厂长厂长厂长厂长厂长-10-5-5-2-5-3-2-2-1-2序号项目评审标准序号责任责任兑现备注考核分责任人价值领导人价值2市场反馈质量问题的处理(10)1、运用4个不漏分析落实质量问题2、对问题进行汇总分析3、对分析出的重大问题有针对性改进措施,改进效果明显0201020202030204020502060207反馈问题未落实整改计划社会反馈问题未汇总分析售后反馈问题采取措施未做跟踪评价质改措施未积极实行社会反馈未落实责任人对重大问题未做改进措施改进措施无效或改进不彻底技术科长技术科长技术科长技术科长技术科长技术科长技术科长-10-10-5-10-5-20-5厂长厂长厂长厂长厂长厂长厂长-5-5-2-5-2-10-2-1-3-2-3-2两次以上本项否决-2-16序号项目评审标准序号责任责任兑现备注考核分责任人价值领导人价值3设备和模具工装管理(5分)1、润滑保养及时,整洁完好(3分)030103020303030403050306030703080309031003110312031303140315设备例保开工例检不及时设备脏乱,上放无杂物品设备漏油维修不及时暂存设备标记不明确暂存设备未作封存措施或封存不到位周转车标记不齐全,破损未修复工作案台不整齐,工装混乱模具存放区,无明细表气瓶无固定措施气瓶状态不明确设备状态不明,或无标记设备运行,停机台时记录不规范急停开关失灵制冷剂瓶无工质标记,无状态标记模具落地无垫护,表面落灰尘操作工操作工设备科长设备科长设备科长操作工操作工设备科长车间主任操作工车间主任车间主任车间主任操作工操作工-5-5-10-5-5-5车间主任车间主任厂长厂长厂长车间主任车间主任厂长管理员管理员设备科长设备科长设备科长车间主任车间主任-2-2-5-2-2-2-5-2-2-2-5-5-5-2-2-1-1-1-1-1-1-1-1-1-1-1-1-1-1-17序号项目评审标准序号责任责任兑现备注考核分责任人价值责任人价值4安全、环保、消防管理(5分)1、防器材定位有效,数量充足,有专人负责,保证能使用正常2、无安全、环保问题点或隐患040104020403040404050406040704080409041004110412041304140415041604170418厂内违章吸烟违章使用电热器操作设备违反安全规程班后不关闭水、电、汽、气存有易燃物的区域无证明火作业特殊岗位无专业合格证上岗设备维修不断电挂牌高空作业不戴安全带在设备行程范围内活动设备工具保护,地线零线未到期复验配发绝缘鞋工位不穿绝缘鞋消防通道、紧急出口堵塞电器合格证过期劳保用品佩带不齐全上岗乱拉临时线路冬季暖气管理周围20cm内有杂物违章跨越流水线接触电器的工位人员工作时间不带测电笔责任人责任人责任人责任人责任人责任人责任人责任人责任人责任人责任人责任人责任人责任人责任人责任人责任人责任人-200-200-200-200-200-200-200-200-20...

1、当您付费下载文档后,您只拥有了使用权限,并不意味着购买了版权,文档只能用于自身使用,不得用于其他商业用途(如 [转卖]进行直接盈利或[编辑后售卖]进行间接盈利)。
2、本站所有内容均由合作方或网友上传,本站不对文档的完整性、权威性及其观点立场正确性做任何保证或承诺!文档内容仅供研究参考,付费前请自行鉴别。
3、如文档内容存在违规,或者侵犯商业秘密、侵犯著作权等,请点击“违规举报”。

碎片内容

现场区域管理考核办法

确认删除?
VIP
微信客服
  • 扫码咨询
会员Q群
  • 会员专属群点击这里加入QQ群
客服邮箱
回到顶部