电脑桌面
添加小米粒文库到电脑桌面
安装后可以在桌面快捷访问

牵引变电站用整流装置产品介绍VIP免费

牵引变电站用整流装置产品介绍_第1页
1/2
牵引变电站用整流装置产品介绍_第2页
2/2
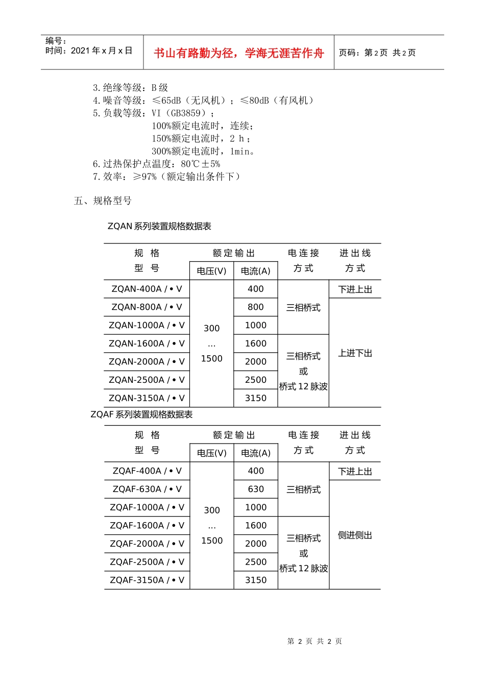
第1页共2页编号:时间:2021年x月x日书山有路勤为径,学海无涯苦作舟页码:第1页共2页牵引变电站用整流装置产品介绍一、概述我公司生产的ZQAN和ZQAF系列产品,是在工矿企业的电气化运输、城市公共交通、市郊电气化铁道等牵引变电站作为直流电源用的整流器,也可以作为其它方面使用的直流电源。二、特点1.本装置为柜式结构,各种规格型号均为一面单柜,维修方便。2.本装置设有过压(阻容)、熔断、温度过热(元件和环境)等保护电路。3.本装置设有熔断预告警电路,当一只元件(或快熔)损坏后,发出一路预报警信号,当二只及以上元件(或快熔)损坏后,发出另一路故障报警信号,提供给系统,用于保护设备。4.本装置设有柜内照明和防潮加热电路。5.本装置技术先进,质量可靠,符合IEC标准。三、使用条件1.环境温度:-15℃~+45℃2.相对湿度:≤90%(20℃时)3.海拔高度:≤1400m4.垂直倾斜度:≤5%5.振动条件:无剧烈振动和冲击6.运行地点:无导电爆炸尘埃,无腐蚀性气体7.运行环境的风速(仅适用自冷设备):≥0.5M/S四、技术条件1.安装方式:户内2.外壳防护等级LIP20第2页共2页第1页共2页编号:时间:2021年x月x日书山有路勤为径,学海无涯苦作舟页码:第2页共2页3.绝缘等级:B级4.噪音等级:≤65dB(无风机);≤80dB(有风机)5.负载等级:VI(GB3859);100%额定电流时,连续;150%额定电流时,2h;300%额定电流时,1min。6.过热保护点温度:80℃±5%7.效率:≥97%(额定输出条件下)五、规格型号ZQAN系列装置规格数据表规格型号额定输出电连接方式进出线方式电压(V)电流(A)ZQAN-400A/V300...1500400三相桥式下进上出ZQAN-800A/V800上进下出ZQAN-1000A/V1000ZQAN-1600A/V1600三相桥式或桥式12脉波ZQAN-2000A/V2000ZQAN-2500A/V2500ZQAN-3150A/V3150ZQAF系列装置规格数据表规格型号额定输出电连接方式进出线方式电压(V)电流(A)ZQAF-400A/V300...1500400三相桥式下进上出ZQAF-630A/V630侧进侧出ZQAF-1000A/V1000ZQAF-1600A/V1600三相桥式或桥式12脉波ZQAF-2000A/V2000ZQAF-2500A/V2500ZQAF-3150A/V3150

1、当您付费下载文档后,您只拥有了使用权限,并不意味着购买了版权,文档只能用于自身使用,不得用于其他商业用途(如 [转卖]进行直接盈利或[编辑后售卖]进行间接盈利)。
2、本站所有内容均由合作方或网友上传,本站不对文档的完整性、权威性及其观点立场正确性做任何保证或承诺!文档内容仅供研究参考,付费前请自行鉴别。
3、如文档内容存在违规,或者侵犯商业秘密、侵犯著作权等,请点击“违规举报”。

碎片内容

牵引变电站用整流装置产品介绍

确认删除?
VIP
微信客服
  • 扫码咨询
会员Q群
  • 会员专属群点击这里加入QQ群
客服邮箱
回到顶部