电脑桌面
添加小米粒文库到电脑桌面
安装后可以在桌面快捷访问

特种设备检验检测新增项目收费标准VIP免费

特种设备检验检测新增项目收费标准_第1页
1/27
特种设备检验检测新增项目收费标准_第2页
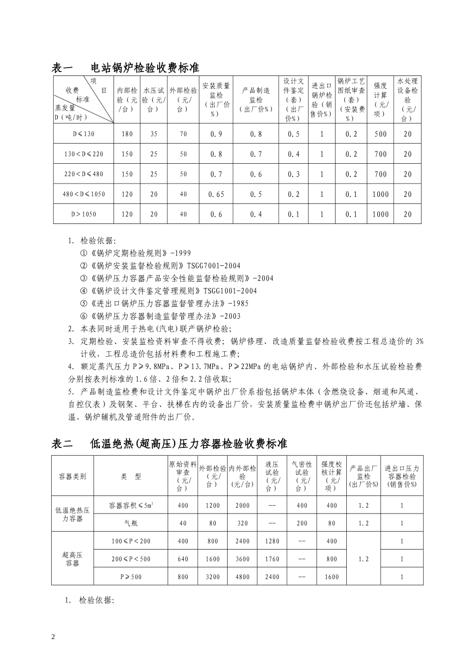
2/27
特种设备检验检测新增项目收费标准_第3页
3/27
附件:特种设备检验检测新增项目收费标准目录表一电站锅炉检验收费标准...............................4表二低温绝热(超高压)压力容器检验收费标准...............4表三医用氧舱定期检验收费标准...........................5表四压力管道元件制造检验及压力管道安装检验和定期检验收费标准......................................................5表五电梯.............................................6(一)电梯类定期检验项目收费标准..........................................6(二)电梯安装、改造、重大维修监督检验收费标准............................7(三)电梯产品质量监督检验收费标准........................................7表六起重机.............................................9(一)起重机监督检验收费标准..............................................9(二)机械式停车设备类特种设备检验收费标准................................9(三)机械式停车设备监督检验收费标准.....................................10(四)起重机械产品质量监督检验收费标准...................................11表七游乐设施..........................................15(一)游乐设施检验收费标准...............................................15(二)客运索道检验收费标准...............................................22(三)游乐设施监督检验收费标准...........................................26(四)客运索道监督检验收费标准...........................................26表八液压(气动)系统检验收费标准......................26表九无损检测项目收费标准..............................27表十水质检测项目收费标准..............................28《新增特种设备检验检测项目收费标准》有关问题的说明.......29表一电站锅炉检验收费标准项收费目标准蒸发量D(吨/时)内部检验(元/台)水压试验(元/台)外部检验(元/台)安装质量监检(出厂价%)产品制造监检(出厂价%)设计文件鉴定(套)(出厂价%)进出口锅炉检验(销售价%)锅炉工艺图纸审查(套)(安装费%)强度计算(元/项)水处理设备检验(元/台)D≤13018035700.90.80.510.250020130<D≤22015025500.80.70.410.270020220<D≤48015025500.70.60.310.270020480<D≤105012020400.650.50.210.1100020D>105012020400.60.40.110.11000201.检验依据:①《锅炉定期检验规则》-1999②《锅炉安装监督检验规则》TSGG7001-2004③《锅炉压力容器产品安全性能监督检验规则》-2004④《锅炉设计文件鉴定管理规则》TSGG1001-2004⑤《进出口锅炉压力容器监督管理办法》-1985⑥《锅炉压力容器制造监督管理办法》-20032.本表同时适用于热电(汽电)联产锅炉检验;3.定期检验、安装监检资料审查不得收费;锅炉修理、改造质量监督检验收费按工程总造价的3%计收,工程总造价包括材料费和工程施工费;4.额定蒸汽压力P≥9.8MPa、P≥13.7MPa、P≥22MPa的电站锅炉内、外部检验和水压试验检验费分别按表列标准的1.6倍、2倍和2.2倍收取;5.产品制造监检费和设计文件鉴定中锅炉出厂价系指包括锅炉本体(含燃烧设备、烟道和风道、自控仪表)及钢架、平台、扶梯在内的设备出厂价,安装质量监检费中锅炉出厂价还包括炉墙、保温、锅炉辅机及管道附件的出厂价。表二低温绝热(超高压)压力容器检验收费标准容器类别类型原始资料审查(元/台)外部检验(元/台)内外部检验(元/台)液压试验(元/台)气密性试验(元/台)强度校核计算(元/项)产品出厂监检(出厂价%)进出口压力容器检验(销售价%)低温绝热压力容器容器容积≤5m340012002000--4004001.21气瓶4080320--200801.21超高压容器100≤P<20040080024001280--4001.21200≤P<500640160036001760--8001P≥500800320048002400--160011.检验依据:2①《压力容器安全技术监察规程》-1999②《非金属压力容器安全技术监察规程》TSGR0001-2004③《超高压容器安全监察规程》(试行)-2003④《压力容器产品安全质量监督检验规则》1990劳动部劳锅字[1990]10号⑤《...

1、当您付费下载文档后,您只拥有了使用权限,并不意味着购买了版权,文档只能用于自身使用,不得用于其他商业用途(如 [转卖]进行直接盈利或[编辑后售卖]进行间接盈利)。
2、本站所有内容均由合作方或网友上传,本站不对文档的完整性、权威性及其观点立场正确性做任何保证或承诺!文档内容仅供研究参考,付费前请自行鉴别。
3、如文档内容存在违规,或者侵犯商业秘密、侵犯著作权等,请点击“违规举报”。

碎片内容

特种设备检验检测新增项目收费标准

确认删除?
VIP
微信客服
  • 扫码咨询
会员Q群
  • 会员专属群点击这里加入QQ群
客服邮箱
回到顶部