电脑桌面
添加小米粒文库到电脑桌面
安装后可以在桌面快捷访问

现代物流储配作业优化方案课程设计VIP免费

现代物流储配作业优化方案课程设计_第1页
1/14
现代物流储配作业优化方案课程设计_第2页
2/14
现代物流储配作业优化方案课程设计_第3页
3/14
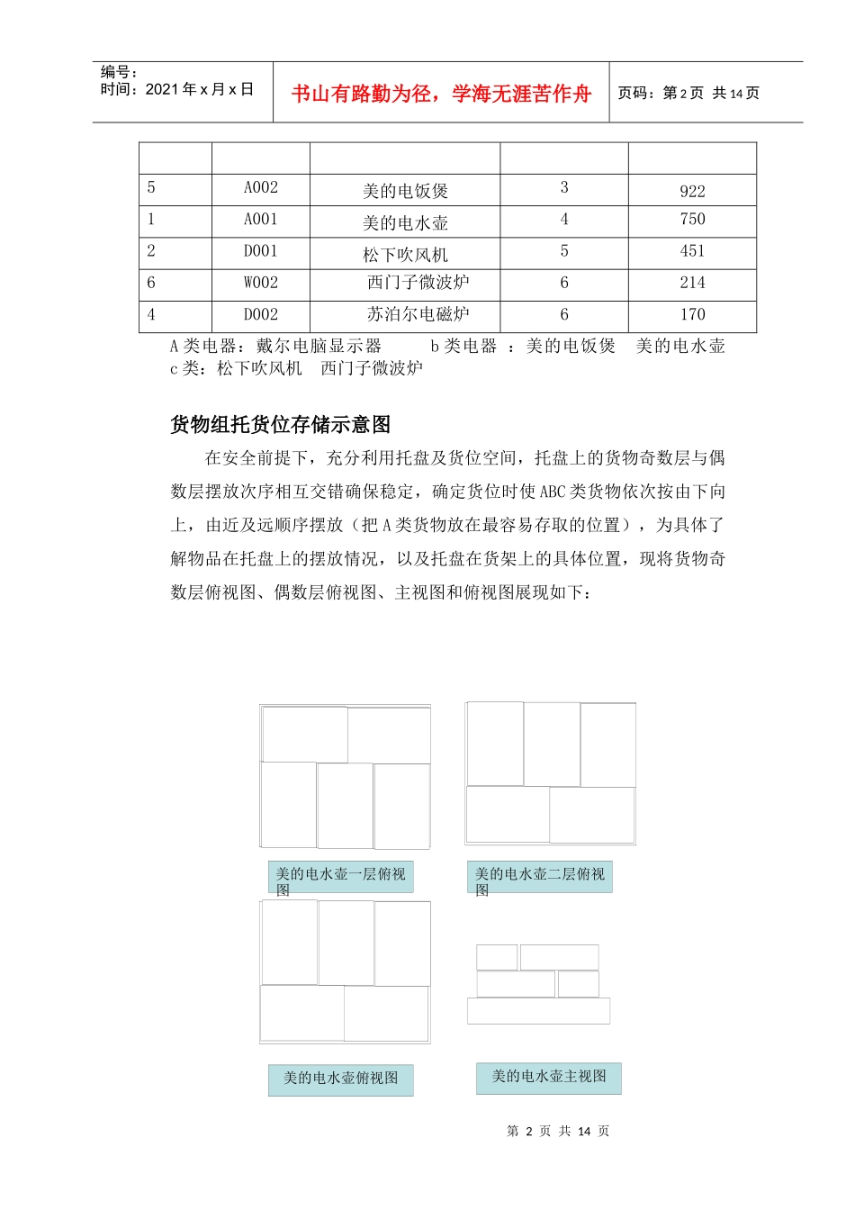
现代物流——储配作业优化方案设计交通与测绘学院二零一零年七月九日第1页共14页编号:时间:2021年x月x日书山有路勤为径,学海无涯苦作舟页码:第1页共14页队员分工王立伟负责物动量ABC分类黄凯、张晶负责货物组托货位存储示意图及甘特图杨步新负责订单有效性分析李爱强负责客户优先权分析及处理问题订单任敬波负责成本预算王跃负责库存分配及拣货单生成课程设计任务将货物分类,放入货架,等待订单,统计分析处理订单,拣货,理货。物动量ABC分类物动量ABC分类即根据物的种类及流动量,将货物分成ABC三类,依次来确定货物的摆放位置。首先将货物按照它们的周转量进行降序排列,然后统计托盘的累计使用量,根据累计使用量将其均分成三组,则依次为A类,B类,C类。在此项目中可以先将货物分成食品类和电器类,然后分别分类。物动量ABC分类表食品类序号货品编号货品名称累计托盘使用量周转量(箱)11S002纯净水145208F003方便面212529F004笋干老鸭煲面382213K009长城干红葡萄局I酒346212S003金龙鱼花生油32177S001金龙鱼芝麻油518810S001金锣火腿肠6130A类食品:纯净水方便面B类货物:笋干老鸭煲面C类货物:金龙鱼芝麻油金锣火腿肠电器类序号货品编号货品名称累计托盘使用量周转量(箱)3B003戴尔电脑显示器16,128第2页共14页第1页共14页美的电水壶一层俯视图美的电水壶二层俯视图美的电水壶主视图美的电水壶俯视图编号:时间:2021年x月x日书山有路勤为径,学海无涯苦作舟页码:第2页共14页5A002美的电饭煲39221A001美的电水壶47502D001松下吹风机54516W002西门子微波炉62144D002苏泊尔电磁炉6170A类电器:戴尔电脑显示器b类电器:美的电饭煲美的电水壶c类:松下吹风机西门子微波炉货物组托货位存储示意图在安全前提下,充分利用托盘及货位空间,托盘上的货物奇数层与偶数层摆放次序相互交错确保稳定,确定货位时使ABC类货物依次按由下向上,由近及远顺序摆放(把A类货物放在最容易存取的位置),为具体了解物品在托盘上的摆放情况,以及托盘在货架上的具体位置,现将货物奇数层俯视图、偶数层俯视图、主视图和俯视图展现如下:第3页共14页第2页共14页松下吹风机一层俯视图松下吹风机二层俯视图松下吹风机俯视图松下吹风机主视图西门子微波炉一层俯视图西门子微波炉二层俯视图西门子微波炉俯视图西门子微波炉主视图编号:时间:2021年x月x日书山有路勤为径,学海无涯苦作舟页码:第3页共14页第4页共14页第3页共14页美的电饭煲一三层俯视图美的电饭煲二四层俯视图美的电饭煲主视图美的电饭煲俯视图美的电饭煲主视图美的电饭煲俯视图戴尔电脑显示器第一层俯视图戴尔电脑显示器二层俯视图戴尔电脑显示器主视图戴尔电脑显示器俯视图戴尔电脑显示器第三层俯视图编号:时间:2021年x月x日书山有路勤为径,学海无涯苦作舟页码:第4页共14页第5页共14页第4页共14页金龙鱼芝麻油一层俯视图金龙鱼芝麻油二层俯视图金龙鱼芝麻油主视图B金龙鱼芝麻油俯视图纯净水一层俯视图纯净水二层俯视图纯净水俯视图纯净水主视图编号:时间:2021年x月x日书山有路勤为径,学海无涯苦作舟页码:第5页共14页第6页共14页第5页共14页方便面一层俯视图方便面二层俯视图方便面俯视图方便面主视图笋干老鸭煲面俯视图笋干老鸭煲面主视图编号:时间:2021年x月x日书山有路勤为径,学海无涯苦作舟页码:第6页共14页第7页共14页第6页共14页金锣火腿肠一层俯视图金锣火腿肠二层俯视图金锣火腿肠俯视图金锣火腿肠主视图编号:时间:2021年x月x日书山有路勤为径,学海无涯苦作舟页码:第7页共14页第8页共14页第7页共14页1号货架1号货位戴尔电脑显示器2号货位美的电饭煲4号货位松下吹风机5号货位西门子微波炉3号货位美的电水壶第二层高度1.0米第一层高度1.3米2号货架6号货位纯净水8号货位笋干老鸭煲面9号货位金龙鱼芝麻油10号货位金锣火腿肠第二层高度1.4米第一层高度1.0米7号货位方便面编号:时间:2021年x月x日书山有路勤为径,学海无涯苦作舟页码:第8页共14页第9页共14页第8页共14页编号:时间:2021年x月x日书山有路勤为径,学海无涯苦作舟页码:第9页共14页订单处理汇总需求量并比分析订单有效性即库存量是否满足需求...

1、当您付费下载文档后,您只拥有了使用权限,并不意味着购买了版权,文档只能用于自身使用,不得用于其他商业用途(如 [转卖]进行直接盈利或[编辑后售卖]进行间接盈利)。
2、本站所有内容均由合作方或网友上传,本站不对文档的完整性、权威性及其观点立场正确性做任何保证或承诺!文档内容仅供研究参考,付费前请自行鉴别。
3、如文档内容存在违规,或者侵犯商业秘密、侵犯著作权等,请点击“违规举报”。

碎片内容

现代物流储配作业优化方案课程设计

精品中小学文档+ 关注
实名认证
内容提供者

精品资料,值得下载

确认删除?
VIP
微信客服
  • 扫码咨询
会员Q群
  • 会员专属群点击这里加入QQ群
客服邮箱
回到顶部