电脑桌面
添加小米粒文库到电脑桌面
安装后可以在桌面快捷访问

高速公路质检资料示例VIP免费

高速公路质检资料示例_第1页
1/30
高速公路质检资料示例_第2页
2/30
高速公路质检资料示例_第3页
3/30
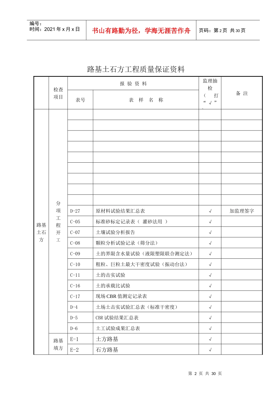
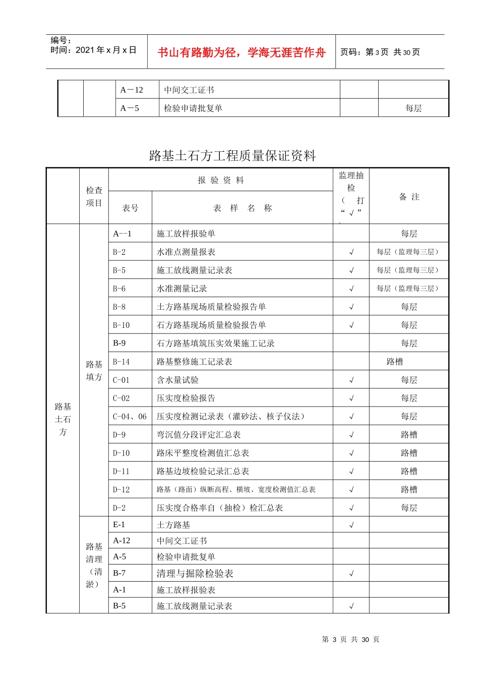
第1页共30页编号:时间:2021年x月x日书山有路勤为径,学海无涯苦作舟页码:第1页共30页高速公路质检资料示例第2页共30页第1页共30页编号:时间:2021年x月x日书山有路勤为径,学海无涯苦作舟页码:第2页共30页路基土石方工程质量保证资料检查项目报验资料监理抽检(打“√”)备注表号表样名称路基土石方分项工程开工D-27原材料试验结果汇总表√加监理签字C-05标准砂标定记录表(灌砂法用)√C-07土壤试验分析报告√C-08颗粒分析试验记录(筛分法)√C-09土的界限含水量试验(液限塑限联合测定法)√C-10粗粒、巨粒土最大干密度试验(振动台法)√C-11土的击实试验√C-16土的承载比试验√C-17现场CBR值测定记录表√D-4土场土击实试验汇总表(标准干密度)√D-5CBR试验结果汇总表√D-6土工试验成果汇总表√路基填方E-1土方路基√E-2石方路基√第3页共30页第2页共30页编号:时间:2021年x月x日书山有路勤为径,学海无涯苦作舟页码:第3页共30页A-12中间交工证书A―5检验申请批复单每层路基土石方工程质量保证资料检查项目报验资料监理抽检(打“√”)备注表号表样名称路基土石方路基填方A--1施工放样报验单每层B-2水准点测量报表√每层(监理每三层)B-5施工放线测量记录表√每层(监理每三层)B-6水准测量记录√每层(监理每三层)B-8土方路基现场质量检验报告单√每层B-10石方路基现场质量检验报告单√每层B-9石方路基填筑压实效果施工记录每层B-14路基整修施工记录表路槽C-01含水量试验√每层C-02压实度检验报告√每层C-04、06压实度检测记录表(灌砂法、核子仪法)√每层D-9弯沉值分段评定汇总表√路槽D-10路床平整度检测值汇总表√路槽D-11路基边坡检验记录汇总表√路槽D-12路基(路面)纵断高程、横坡、宽度检测值汇总表√路槽D-2压实度合格率自(抽检)检汇总表√每层路基清理(清淤)E-1土方路基√A-12中间交工证书A-5检验申请批复单B-7清理与掘除检验表√A-1施工放样报验表B-5施工放线测量记录表√第4页共30页第3页共30页编号:时间:2021年x月x日书山有路勤为径,学海无涯苦作舟页码:第4页共30页B-2水准测量报表√B-8土方路基现场质量检验报告单√B-6水准测量记录表√B-10石方路基现场质量检验报告单√B-16处理软土地基施工记录表(挖除换填抛石挤淤)路基土石方工程质量保证资料检查项目报验资料监理抽检(打“√”)备注表号表样名称路基土石方路基清理(清淤)C-04、06压实度检验记录表(灌砂法、核子仪法)√C-02压实度检验报告√D-2压实度合格率自(抽检)检汇总表B-5-1清淤环填测量记录增加表格路基挖方E-1土方路基√E-2石方路基A-12中间交工证书A―5检验申请批复单A--1施工放样报验单B-2水准点测量报表√B-5施工放线测量记录表√B-6水准测量记录√B-8土方路基现场质量检验报告单√B-10石方路基现场质量检验报告单√B-11挖方路基施工记录表(土方开挖)B-12挖方路基施工记录表(石方开挖)B-14路基整修施工记录表路槽C-02压实度检验报告√C-04压实度检测记录表(灌砂法)√D-9弯沉值分段评定汇总表√路槽第5页共30页第4页共30页编号:时间:2021年x月x日书山有路勤为径,学海无涯苦作舟页码:第5页共30页D-10路床平整度检测值汇总表√路槽D-11路基边坡检验记录汇总表路槽D-12路基(路面)纵断高程、横坡、宽度检测值汇总表√路槽D-2压实度合格率自(抽检)检汇总表√路基土石方工程质量保证资料检查项目报验资料监理抽检(打“√”)备注表号表样名称路基土石方台背回填E-46台背回填√A-12中间交工证书A―5检验申请批复单A--1施工放样报验单B-2水准点测量报表√B-5施工放线测量记录表√B-6水准测量记录√B-237明洞防水层现场质量检验报告单√B-121台后回填检查表√B-127台背填土现场质量检验报告单√B-238明洞回填现场质量检验报告单√B-16处理软土地基施工记录表(挖除换填抛石挤淤)C-04、06压实度检验记录表(灌砂法、核子仪法)√D-2压实度合格率自(抽检)检汇总表√C-02压实度检验报告√B-96地基处理检查表√第6页共30页第5页共30页编号:时间:2021年x月x日书山有路勤为径,学海无涯苦作舟页码:第6页共30页软基处理(砂垫层)质量保证资料工作项目报验...

1、当您付费下载文档后,您只拥有了使用权限,并不意味着购买了版权,文档只能用于自身使用,不得用于其他商业用途(如 [转卖]进行直接盈利或[编辑后售卖]进行间接盈利)。
2、本站所有内容均由合作方或网友上传,本站不对文档的完整性、权威性及其观点立场正确性做任何保证或承诺!文档内容仅供研究参考,付费前请自行鉴别。
3、如文档内容存在违规,或者侵犯商业秘密、侵犯著作权等,请点击“违规举报”。

碎片内容

高速公路质检资料示例

您可能关注的文档

确认删除?
VIP
微信客服
  • 扫码咨询
会员Q群
  • 会员专属群点击这里加入QQ群
客服邮箱
回到顶部